• Добро пожаловать на компьютерный форум Tehnari.ru. Здесь разбираемся с проблемами ПК и ноутбуков: Windows, драйверы, «железо», сборка и апгрейд, софт и безопасность. Форум работает много лет, сейчас он переехал на новый движок, но старые темы и аккаунты мы постарались сохранить максимально аккуратно.

    Форум не связан с магазинами и сервисами – мы ничего не продаём и не даём «рекламу под видом совета». Отвечают обычные участники и модераторы, которые следят за порядком и качеством подсказок.

    Если вы у нас впервые, загляните на страницу о проекте, чтобы узнать больше. Чтобы создавать темы и писать сообщения, сначала зарегистрируйтесь, а затем войдите под своим логином.

    Не знаете, с чего начать? Создайте тему с описанием проблемы – подскажем и при необходимости перенесём её в подходящий раздел.
    Задать вопрос Новые сообщения Как правильно спросить
    Если пришли по ссылке со старого Tehnari.ru – вы на нужном месте, просто продолжайте обсуждение.

Усилитель "Корвет" 100У, нужен совет

  • Автор темы Автор темы vey
  • Дата начала Дата начала
старый без резисторов работает нормально. я только не пойму почему новый не работает так как старый?
 
у меня получилось на 1 канал 102 ом 10 вт 300 ком 0.75 вт и 2 ком 0.50 вт правильно пашитал? может это за гнезда может там контакт плахой может убрать гнездо и припаять так провода?
 
Нет, при параллельном соединении трех резисторов по 100 кОм должно получится 33 кОм, а не 300.

Гнезда если новые, без окислов и не расшатанные, контакт должен быть нормальный, нет смысла их убирать. Прозвони на всякий случай тестером общий провод, от выхода музыкального центра до пятиштырькового разъема к усилителю. Сопротивление общего провода должно быть значительно меньше 1 ома.

я только не пойму почему новый не работает так как старый?
Как бы это не помехи и наводки от самого музыкального центра (от нового) были. Там усилитель мощности D класса, импульсный, а в таких на выходе чего только нет. А в старом усилитель мощности обычный, с минимумом шумов на выходе.
 
гнезда новые. только сами штекера 1 штекер как ромашка его можно под жать. а другой сплошной может за него. я тестером проверю. а может причина именно в этом Там усилитель мощности D класса? а старый скорей всего точно класса А. а если это так. то тогда что делать?
 
Если помехи есть на выходе музыкального центра в отсутствие сигнала (или при низких уровнях сигнала), тут уже ничего не поделаешь. По видимому фильтр низкой частоты на выходе усилителя мощности музцентра не ахти, пропускает короткие импульсы от ШИМ на выход. Акустическим системам музыкального центра без разницы, а Корвет эти импульсы усиливает и пытается воспроизвести, отсюда и перегрузка.
 
и что мне делать выкинуть новый муз центр?
 
А что делать, если у производители втыкают ШИМ в УМ и не заботятся о фильтрации выходного сигнала, а линейный выход в массовом аппарате нечто фантастическое?

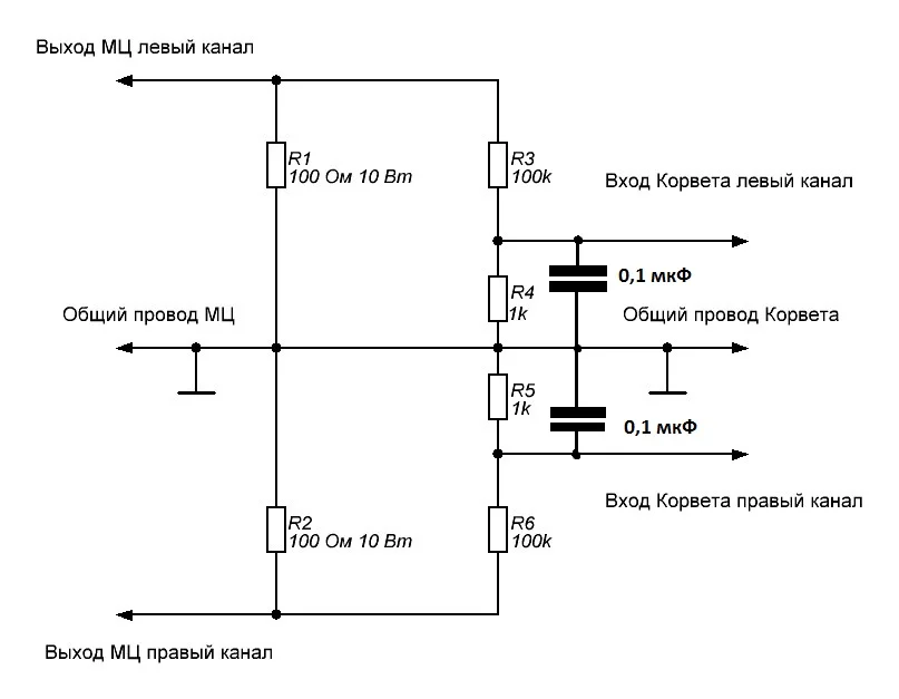
Можно попробовать зарезать верха, подключив конденсаторы параллельно входу Корвета. По одному конденсатору параллельно резисторам R4, R5, для начала по 0,1 мкФ. Покупать их не нужно, а просто выпаять из того, что есть под рукой, из старого телевизора, магнитофона или радиоприемника, их везде навалом. Если даже это не поможет, тогда вообще ХЗ что делать.
 
на нём так и должно быть написано конденсатор 0,1 мкФ?
 
по моему проблема в проводи. я отсоединил провод от муз центра и добавил звук на усилители шипит сильно и перегрузка загорается. отсоединил проват от усилителя и добавил звук всё нормально перегрузка не загорается шипит по тихоньку. провода спаяны на 5 штырьковым припаяно всего 3 провода главный припаянный по середине левый и правый канал с боку рядом с друг другом припаяны. припаяны они правильно или нет? и если без провода всё норм значит провод виноват?
 
Хорошо если проблема только в кабелях, тогда с конденсаторами можно пока подождать. С одним кабелем "тюльпан-пятиштырьковый" перегрузка загорается, или только когда делитель к нему подключен? Кабели от "тюльпанов" к пятиштырьковому разъему экранированные, в медной оплетке? К какому входу Корвета подключен пятиштырьковый разъем? Какой источник сигнала выбран коммутатором Корвета?
 
у меня штекер пятиштырьковый с проводом 1 метр этот проват толстоват в медной оплетке. к немы подсоединен проват с тюльпанами метра 3. с тюльпанами проват тоньше обычный проват который продается с тюльпанами. перегрузка загорается без делителей и сними. отсоединил этот проват от усилителя и добавил звук всё нормально перегрузка не загорается шипит по тихоньку. проват вставлен в (воспр м1) с периди нажаты кнопки (М1-Ас1) и нажаты (стерео) и (тембр)
 
Остается только проверить, как будет работать без "тюльпанов" с их проводами (возможно причина в кабелях "тюльпанов", они вряд ли экранированные). Подключить экранированный провод идущий от пятиштырькового разъема прямо к делителю и посмотреть, что из этого получится.

Да, вот еще. Какова общая длина кабеля (экранированного, и того, что от "тюльпанов")?
 
Остается только проверить, как будет работать без "тюльпанов" с их проводами (возможно причина в кабелях "тюльпанов", они вряд ли экранированные). Подключить экранированный провод идущий от пятиштырькового разъема прямо к делителю и посмотреть, что из этого получится.

Да, вот еще. Какова общая длина кабеля (экранированного, и того, что от "тюльпанов")?

проват в обмотки 1 метр. проват с тюльпанами 3 метра.
 
я пока не пробовал подключать без провода который с тюльпанами. по позже попробую и напишу.
 
я на первой группе. по этому так долго извини.
 
я убрал проват с тюльпанами. подсоединил без этого провода тоже самое не чё не изменилось. на центре делаю звук на 5 и усилком добавляю звук загорается лампа перегрузка и лампа зашита звук исчезает убавляю громкость щелчок и звук появляется. на старом центре то кого нет работает нормально.
 
у меня вот так подсоединено правильно или нет?
 

Вложения

  • 4198905500e97f2d26fe.webp
    4198905500e97f2d26fe.webp
    73.7 KB · Просмотры: 7,504
Подключено правильно, остальные контакты для подключения магнитофона на запись пятипроводным кабелем, здесь они не используются.
 
я убрал проват с тюльпанами. подсоединил без этого провода тоже самое не чё не изменилось
Тогда последнее средство - конденсаторы параллельно резисторам R4, R5. Сначала подключить конденсаторы достаточно большой емкости 0,1 мкФ. Если поможет, потом попытаться поставить конденсаторы меньшей емкости, такой, чтобы шумы с выхода центра не воздействовали на усилитель, но при этом не портился звук (слишком большая емкость будет заметно срезать верха). Но начать нужно с 0,1 мкФ, чтобы сразу убедиться что от подключения конденсаторов есть толк. Конденсаторы можно пленочные или керамические, обозначатся могут так - 100 n, 0.1 mF, 104. Конденсаторы можно в любом старом ненужном аппарате найти, в телевизоре, в радиоприемнике, магнитофоне.
 
Конденсаторы вот сюда:
 

Вложения

  • Delitel1.webp
    Delitel1.webp
    17.2 KB · Просмотры: 953
Назад
Сверху