• Добро пожаловать на компьютерный форум Tehnari.ru. Здесь разбираемся с проблемами ПК и ноутбуков: Windows, драйверы, «железо», сборка и апгрейд, софт и безопасность. Форум работает много лет, сейчас он переехал на новый движок, но старые темы и аккаунты мы постарались сохранить максимально аккуратно.

    Форум не связан с магазинами и сервисами – мы ничего не продаём и не даём «рекламу под видом совета». Отвечают обычные участники и модераторы, которые следят за порядком и качеством подсказок.

    Если вы у нас впервые, загляните на страницу о проекте, чтобы узнать больше. Чтобы создавать темы и писать сообщения, сначала зарегистрируйтесь, а затем войдите под своим логином.

    Не знаете, с чего начать? Создайте тему с описанием проблемы – подскажем и при необходимости перенесём её в подходящий раздел.
    Задать вопрос Новые сообщения Как правильно спросить
    Если пришли по ссылке со старого Tehnari.ru – вы на нужном месте, просто продолжайте обсуждение.

Усилитель на микросхеме TDA1558Q

и как его к 1558 подключить?
 

Вложения

  • Фотка-0001.webp
    Фотка-0001.webp
    141.6 KB · Просмотры: 607
На фото трансформатор с двухполярным питанием, для него на тда 2030а лучше собрать, какие параметры трансфотматора, на фото не видно
 
мне Валерий то же сказал,только он и шел от 2030а,
10vac X2, 2,2A, а мощность не указана, где-то 100ватт(была 5.1 система)
 
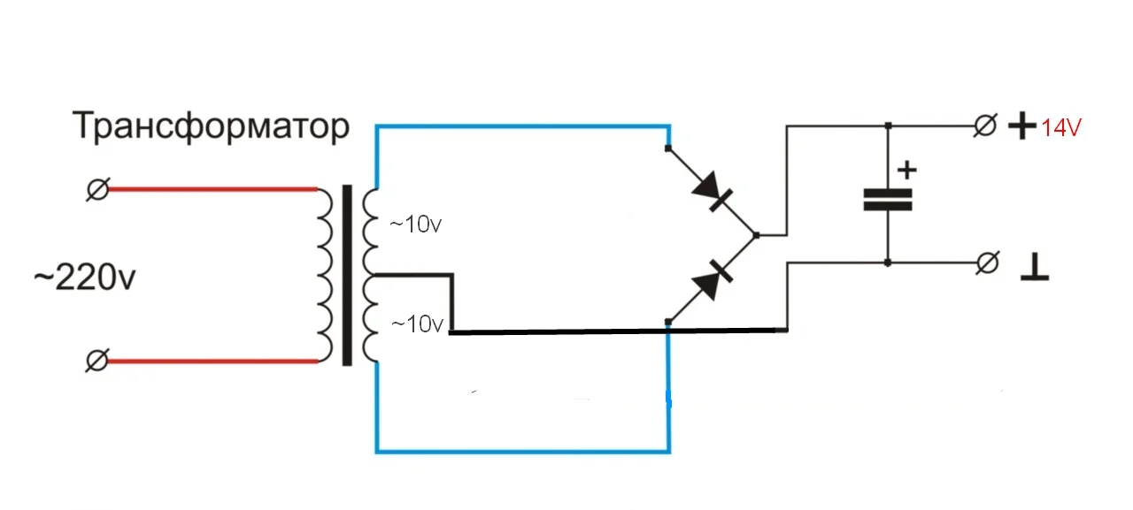
Подключение этого трансформатора. Цвет выводов на картинке соответствует цвету проводов у трансформатора.
бп.webp
 
ясно))) если к 1558 подключать, то только оба голубых? или один голубой и черный?
и конденсаторов на 4700 мкa хватит?
 
нет, подключать нельзя, на синих проводах напряжение будет болеее 20В
 
ясно.... тогда может на 2030а собрать....дома 6 штук валяется
 
вот спасибо!!! диоды на сколько ампер ставить? и кондер какой?
 
Диоды ставьте на ток, который потребляет микросхема, с запасом (5...10А)
Конденсатор 2000...10000мкФ
 
спасибо большое!)))))
 
Валерий и другие знатоки!
Помогите плиз!
Увидев на сайте схему усилка на ТДА1558 с радостью
захотелось собрать его.
Заказал детали через 2 недели они у меня.
Вроде бы всё правильно собрал, подключаю с динамик (пробовал подключать 1 динамик) идет страшный гул и не какой музыки. Питание брал с старого компьютерного БП на 350w. сигнал пробовал с телефона.
но дело в том что даже если я нечего не подключаю ,
а просто включаю питание на усилок из динамика все равно идет гул!
В чем причина кто подскажет? Очень просто обидно.
Могу выкинуть фото усилка.
 
Конечно выкладывай фото монтажа. Сигнальные провода экранированные?
 
ребята подскажите я не понял как к этой схеме подключить мп3 плеер к усилителю чтоб музыка играла в колонках через усилитель
 
ребята подскажите я не понял как к этой схеме подключить мп3 плеер к усилителю чтоб музыка играла в колонках через усилитель
Через миниджек на вход усилителя:)
 
то есть нужно найти провод с таким зеленым штекером и как то припаять к входу?
 
Вот: 1-Земля (Общий) 2-Правый канал 3-Левый канал
 

Вложения

  • Jack.webp
    Jack.webp
    12 KB · Просмотры: 5,926
если можно то подробнее что к чему паять
 
Можно :)
 

Вложения

  • 1.webp
    1.webp
    33.6 KB · Просмотры: 3,136
Вообщем я понял что нужно прозвонить на проводе где масса где что и т д и так паять к схеме спасибо большое!
 
Назад
Сверху