- Регистрация
- 2 Авг 2011
- Сообщения
- 18,229
- Реакции
- 545
- Баллы
- 113
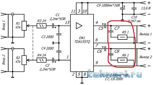
а по какому принципу сделаны резисторы..?Тогда появится еще один паразит - индуктивность
Смотрите видео ниже, чтобы узнать, как установить наш сайт в качестве веб-приложения на домашнем экране.
Примечание: Эта возможность может быть недоступна в некоторых браузерах.
Добро пожаловать на компьютерный форум Tehnari.ru. Здесь разбираемся с проблемами ПК и ноутбуков: Windows, драйверы, «железо», сборка и апгрейд, софт и безопасность. Форум работает много лет, сейчас он переехал на новый движок, но старые темы и аккаунты мы постарались сохранить максимально аккуратно.
Форум не связан с магазинами и сервисами – мы ничего не продаём и не даём «рекламу под видом совета». Отвечают обычные участники и модераторы, которые следят за порядком и качеством подсказок.
Если вы у нас впервые, загляните на страницу о форуме и правила – там коротко описано, как задать вопрос так, чтобы быстро получить ответ. Чтобы создавать темы и писать сообщения, сначала зарегистрируйтесь, а затем войдите под своим логином.
а по какому принципу сделаны резисторы..?Тогда появится еще один паразит - индуктивность
НО увеличивая громкость, при заявленной воспроизводимой частоте динамиков 45Гц-20КГц, начинается хрип, блок питания 12в рассчитан на нагрузку до 60вт, т.е. по току перегрузки нет.
Данунах... По справочнику 8-18 рабочее, я запускал и от 5 вольт, проблем не было.Напряжения не хватает...
8-18 рабочее, я запускал и от 5 вольт, проблем не было.
Цепочки потому и называются "антизвонные"Фиг знает тогда что?..
разводки платы.
Для предотвращения возбуждения.МС
Перегрузка не только по току бывает, но и по напряжению.
Возможно просто большой сигнал на входе и на выходе появились ограничения (клиппинг)...
В данном случае наблюдается банальный клиппинг на выходе из-за перегрузки по входу.
Чувствительность 2005 по входу, при номиналах цепи ОС указанных на рисунке,составляет порядка 30 мВ, выход же на наушники порядка 1,23 В.
Сигнал необходимо уменьшить резистивным делителем на входе усилителя в 40 раз и применить динамические головки с высокой чувствительностью, тогда результат оправдает ожидания.
Сделайте делитель из двух резисторов, верхний 10 кОм, нижний 330-390 Ом.
Ваш делитель тоже вполне работоспособен, просто выбранная величина великовата и настройка будет грубовата.
Лучше уменьшить коэффициент усиления микросхемы, увеличением номиналов резисторов R3 и R5 (см. схему ниже).Сигнал необходимо уменьшить резистивным делителем на входе усилителя
А если даташит посмотреть ? :tehnari_ru_203:так как выходная мощность данного усилителя (TDA2005) около 2,5 Вт
Выходная мощность - сколько будет при 12 В и 4 Ом нагрузке?
Из даташита производителя. В машине включил пацану, 3ГД-38е вдрызг разнесло. При выключенном двигателе.VS= 14.4 V; RL= 4 Ohm Output power (each channel) Min 6 W Typ 6.5 W