• Добро пожаловать на компьютерный форум Tehnari.ru. Здесь разбираемся с проблемами ПК и ноутбуков: Windows, драйверы, «железо», сборка и апгрейд, софт и безопасность. Форум работает много лет, сейчас он переехал на новый движок, но старые темы и аккаунты мы постарались сохранить максимально аккуратно.

    Форум не связан с магазинами и сервисами – мы ничего не продаём и не даём «рекламу под видом совета». Отвечают обычные участники и модераторы, которые следят за порядком и качеством подсказок.

    Если вы у нас впервые, загляните на страницу о проекте, чтобы узнать больше. Чтобы создавать темы и писать сообщения, сначала зарегистрируйтесь, а затем войдите под своим логином.

    Не знаете, с чего начать? Создайте тему с описанием проблемы – подскажем и при необходимости перенесём её в подходящий раздел.
    Задать вопрос Новые сообщения Как правильно спросить
    Если пришли по ссылке со старого Tehnari.ru – вы на нужном месте, просто продолжайте обсуждение.

"ЯУЗА МП-221С-2", встречаем!

  • Автор темы Автор темы Дим
  • Дата начала Дата начала
Дим, написал на э-мейл.
 
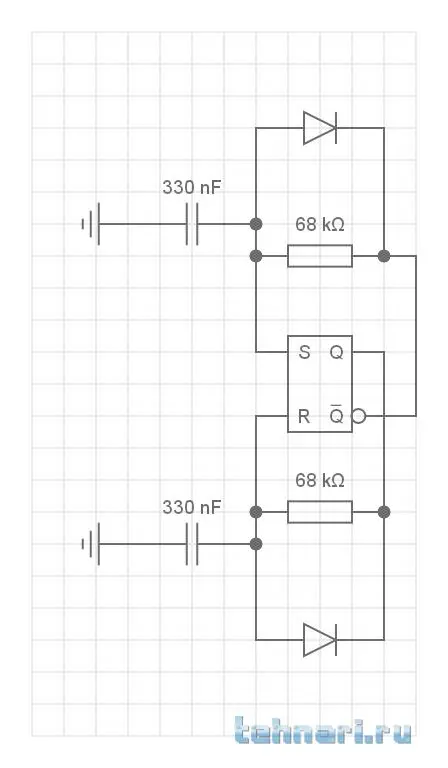
Вот уж не думал что простейший мультивибратор вызовет ступор. Вот пара схем:
gen-log.png.webpcircuit (1).png.webp
Неужели они такие сложные? Собирается навесным монтажом прямо на ножках ИМС. В качестве выхода три провода: корпус, питание и сигнальный.
За то можно эмулировать любой датчик автостопа.
 
Сомневаюсь.
Дим не похож на лентяя, а детали у него в шаговой доступности. Полагаю, у него пока нет уверенности в своих силах. Но мы её сейчас ему внушим и все проблемы разрешатся. :)
 
Коллеги! вот такая проблемка- не включается пауза и соответственно-запись, при чём пауза включается "наполовину"-т.е. автостоп блокируется, а выключения воспроизведения не происходит, светодиодная индикация не включается. ТМ2 стоит новая, диоды-транзисторы проверил, электролитов там нет, сейчас пайку ещё проверю,но особых косяков не видно...уже мозги вскипели...
 
Господа-отставить панику! Всё дело было в пайке...
 
Коллеги! Поскольку дело по-тихоньку движется в направлении финиша- есть предложение: У меня скопилось комплектующих на 1.5 Яузы: корпус, 3 ЛПМ(один из них джапский) , платы,2 индикатора...могу скомплектовать корпус полностью и всё остальное добавить россыпью-за всё это прошу 800 рубликов, пока предлагаю здесь, ну а позже выложу на других сайтах.
 
да договоримся...только он без пассика..да и в кучу его собрать надо, я на нём изучал отличия от нашего ЛПМ, но если думаешь его встраивать в яузу-то там есть подводные камушки...
 
Тогда обычный, но без камушков))
 
Да не вопрос.. но их тоже в кучу собирать надо )))
 
Блин, Жень, тогда не надо))
Ну зачем мне куча винтиков-шпунтиков?
 
Дык, я-ж не винтики -шпунтики пошлю, счас сяду -и соберу, фотку сначала вышлю...
 
Со шлейфами? В рабочем состоянии?
 
увы, без...
 
Ну, Женя... )))
 
Женя, вот твоя красавица, готова к отправке)
 

Вложения

  • Д-1.webp
    Д-1.webp
    85.7 KB · Просмотры: 186
  • Д-2.webp
    Д-2.webp
    77.3 KB · Просмотры: 258
Дим, за мной фотоссесия ЛПМ-ов...просто они ко мне уже попали без шлейфов, есть только один блок управления двигателями, он с проводами, его только подпаять надо, если хочешь-можно попробовать собрать джапский ЛПМ приспособленный к нашему управлению, я сейчас именно так и сделал.
 
Последнее редактирование:
Пока есть связь-вот примерно так получается-хочу избавиться от всяческих помех связанных с индикатором.
IMG_2818.webp
 
Назад
Сверху