- Регистрация
- 18 Окт 2017
- Сообщения
- 1,448
- Реакции
- 34
- Баллы
- 0
Да, аохожв на 95ю.Вроде с твуими ярко-зелеными ыставками больше нет у Аудиотехники.
Смотрите видео ниже, чтобы узнать, как установить наш сайт в качестве веб-приложения на домашнем экране.
Примечание: Эта возможность может быть недоступна в некоторых браузерах.
Добро пожаловать на компьютерный форум Tehnari.ru. Здесь разбираемся с проблемами ПК и ноутбуков: Windows, драйверы, «железо», сборка и апгрейд, софт и безопасность. Форум работает много лет, сейчас он переехал на новый движок, но старые темы и аккаунты мы постарались сохранить максимально аккуратно.
Форум не связан с магазинами и сервисами – мы ничего не продаём и не даём «рекламу под видом совета». Отвечают обычные участники и модераторы, которые следят за порядком и качеством подсказок.
Если вы у нас впервые, загляните на страницу о форуме и правила – там коротко описано, как задать вопрос так, чтобы быстро получить ответ. Чтобы создавать темы и писать сообщения, сначала зарегистрируйтесь, а затем войдите под своим логином.
Вспомнил молодость и то, что начинал с электромеханика по счетно-вычислительным машинам, получилось, сделал.Добрался до вертухи с утра.Выставлял "новую" головку.Вот про что я вчера говорил.
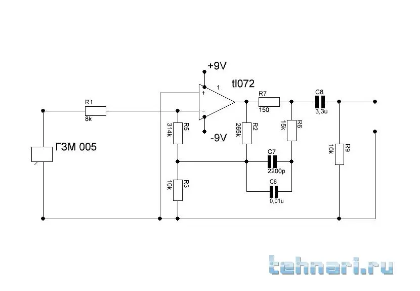
Мудрено, но попробую. А пока последняя версия корректора, это все, что смог выжать с тл072 по своей версии. Решил резать инфраниз на выходе.Вот.теперь проверить
он заводской, тут ничего не изменялось, как было так и есть.Ну и вылет иглы для вертака еще знать
В папке два файла, cтинг кор v7.wav и стинг 16 бит.wav, о каком идет речь?Стинг, так очень хорошо прописался.
Да, чуть легковесно.звучит деликатнее чем надо бы
Ну, сколько не сравнивал винил (особенно олдскульный), вокал обычно дальше, чем в цифре, паузы глубже(нет компрессии), сцена шире и глубже(больше места между инструментами- ударник слышно, что далеко сзади, гитары слева-справа, тож дальше от вокала).Вокал отодвинут на задний план.
Это легко объяснить, там не было безродного кондера в 3,3 мкф на выходе корректора, открытый выход. Тут есть варианты: оставить выход открытый или найти поприличней кондер.Вокал отодвинут на задний план.16б играет посочнее.