• Добро пожаловать на компьютерный форум Tehnari.ru. Здесь разбираемся с проблемами ПК и ноутбуков: Windows, драйверы, «железо», сборка и апгрейд, софт и безопасность. Форум работает много лет, сейчас он переехал на новый движок, но старые темы и аккаунты мы постарались сохранить максимально аккуратно.

    Форум не связан с магазинами и сервисами – мы ничего не продаём и не даём «рекламу под видом совета». Отвечают обычные участники и модераторы, которые следят за порядком и качеством подсказок.

    Если вы у нас впервые, загляните на страницу о проекте, чтобы узнать больше. Чтобы создавать темы и писать сообщения, сначала зарегистрируйтесь, а затем войдите под своим логином.

    Не знаете, с чего начать? Создайте тему с описанием проблемы – подскажем и при необходимости перенесём её в подходящий раздел.
    Задать вопрос Новые сообщения Как правильно спросить
    Если пришли по ссылке со старого Tehnari.ru – вы на нужном месте, просто продолжайте обсуждение.

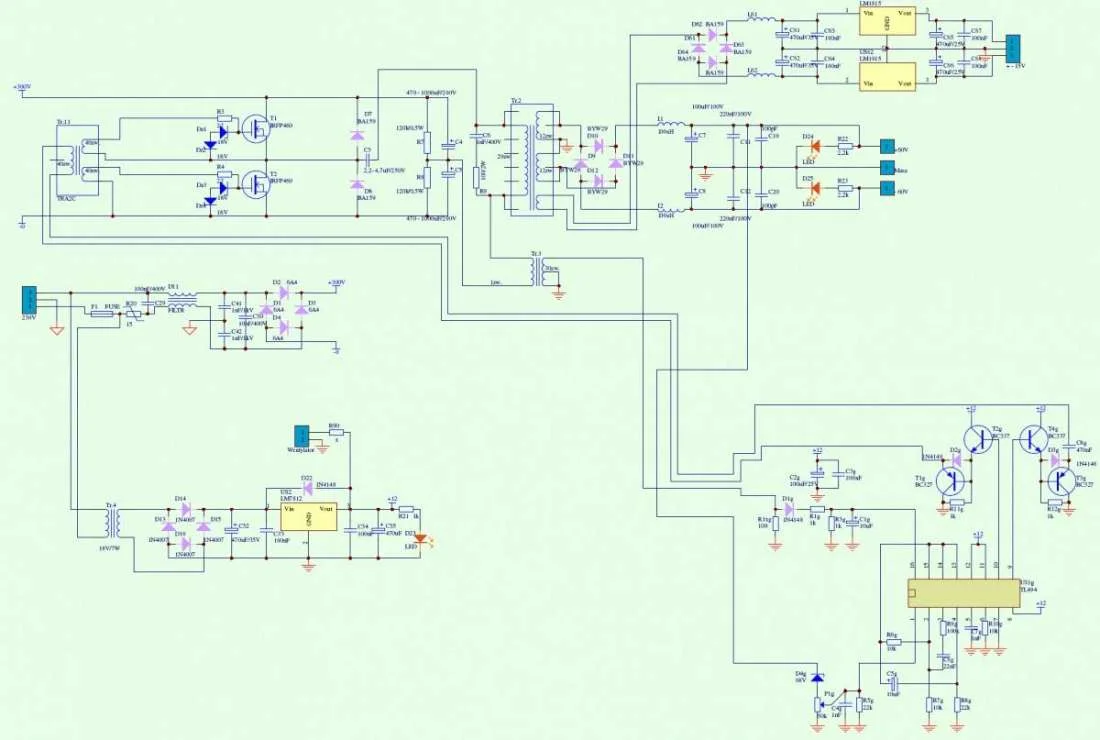
Делаю ИИП 600W

DPS260EP_1.gif
Типа так.
 
А в АТХ последнее время лепят на одном фете подобного класса и мощностя гонят в 500 свободно.
Да на косом полумосту действительно часто встречаются.
 

Отличная шутка, начав по привычке читать с конца у меня случилось предынфарктное состояние.

ПС Самой большой проблемой оказалось найти 5100пФ 1-5% , так и не нашел. Взял 4700 1%, 5500 1% и 5100 10%.

R5-15 термистора вообще нигде нет, взял на 10 ампер 4.7 ома.

Проблемой было найти аналог Д815Д, все таки нашел у тетенек, единственный павильон.

А вообще неописуемое счастье находится в нашей столице 12 часов =))))
 
Ладно, начинаю замер компонентов и потихоньку разводку.
 
А в АТХ последнее время лепят на одном фете подобного класса и мощностя гонят в 500 свободно.
Даже в самых завалялых китайских импульсниках типа "Ноунейм" Такого нет.
Этож комповский бп. Какое он сюда отношение имеет?
 
Позанудствую еще немного.
По сути здесь 494 функционально включена по упрощёнке и имеем как и с 2153 фиксированный дидтайм, нет софт старта(ёмкости на выходе будут не детские) и никаких защит по току, ограничений выходного напряжения. Стабилизация выходного, думается лишней будет. Для питания аудио добавочные помехи не нужны. И термозащита.
Простое ограничение Uвых достаточно.
Защиты по току ключей для заветных 600Вт
точно не хватает. Попробую поискать подобное схемное решение на 494…

И нафига свалена в кучу земля управления и минус силовой части?
 
Даже в самых завалялых китайских импульсниках типа "Ноунейм" Такого нет.
А на схеме тогда что?
Этож комповский бп. Какое он сюда отношение имеет?
Это просто пример реализации ИИП со всеми элементами. Отношение? Меняем соотношение обмоток и параметры обратной связи и получаем любой выход.
 
нет софт старта
По ШИМу никак без усложнения. По напряжению если? Ёмкости при старте играют, но это уже к термистору.
Кстати/некстати - сделал на одном АТХ выноску термистора и фильтра из корпуса в разрыв сетевого провода, а фишку переделать поленился. Потом по запарке сунул обычный сетевой. Не рвануло на включении ... .
И термозащита.
Биметалл сойдёт. А рвать им прямо питание 494.
Защиты по току ключей
Усложнится. При таком огромном запасе у ключей их только сквозняком убить можно. От выходного предохранителей хватит.
 
Ёмкости при старте играют, но это уже к термистору.
В примитиве, да согласен. Простая ситуация с кратковременным пропадением сети. Термистор горячий, остыть не успевает. И … даблстарт на пустые банки, разряженные потребителем.
Да там делов то, RC на 4 ноге.
 
В примитиве, да согласен. Простая ситуация с кратковременным пропадением сети. Термистор горячий, остыть не успевает. И … даблстарт на пустые банки, разряженные потребителем.
Да там делов то, RC на 4 ноге.

Насколько быстро конденсаторы разрядятся ? Доли сек и секунды ?

Если вариант 2, увеличить емкость кондеров а на термистор радиатор, не ?

Я за усложнение схемы для увеличения надежности, но как понимаете никаких схемотехнических решений дать не могу =-)
 
увеличить емкость кондеров а на термистор радиатор, не ?
Радиатор не даст адекватно выйти термистору на нормальный режим. То есть в режим в нагретом состоянии и с его минимальным R, при уже запущенном и работающим БП.
 
термистор радиатор
Не помогает. Пока он весь остынет ... . В оригинале надо ставить релюху, которая его закорачивает, и отпускается при пропадания сети. Но это уже не бытовуха. Просто сделать на длинных ногах и не загораживать от воздушного потока.
Вот увеличение емкостей оно об двух концах. Когда я у Аскота 420 увеличил входные ёмкости вдвое(дроссель пассивной коррекции выбросил) и низковольтные почти вчетверо(снаружи БП на переднюю стенку поставил), то БП стал равнодушен к коротким прерываниям сети - лампа накаливания успевает мыргнуть, а системнику пофигу. Но. При чуть большей длительности перерыва большие ёмкости дадут и соотвественно больший бросок тока при их заряде. Хорошо если просто предохранитель вышибет. А так диоды в мосте пробьёт и уж дальше переменка пойдёт гулять по первичке. Но у тёбя мост чёртесколькиамперный в первичке, что приятно.
 
Не помогает. Пока он весь остынет ... . В оригинале надо ставить релюху, которая его закорачивает, и отпускается при пропадания сети. Но это уже не бытовуха. Просто сделать на длинных ногах и не загораживать от воздушного потока.
Вот увеличение емкостей оно об двух концах. Когда я у Аскота 420 увеличил входные ёмкости вдвое(дроссель пассивной коррекции выбросил) и низковольтные почти вчетверо(снаружи БП на переднюю стенку поставил), то БП стал равнодушен к коротким прерываниям сети - лампа накаливания успевает мыргнуть, а системнику пофигу. Но. При чуть большей длительности перерыва большие ёмкости дадут и соотвественно больший бросок тока при их заряде. Хорошо если просто предохранитель вышибет. А так диоды в мосте пробьёт и уж дальше переменка пойдёт гулять по первичке. Но у тёбя мост чёртесколькиамперный в первичке, что приятно.

50А =))))


В принтерах много силовых триаков, мб на нем получится некое подобие сделать ? Они там печью через оптрон управляют вроде, 4-10 ома нагрузки напрямую в сети, наверно сильные ребята.
 
Можно примерно в таком виде. С оптронной развязкой - до моста симистором легко осуществить
 

Вложения

  • огрн.webp
    огрн.webp
    15.6 KB · Просмотры: 784
С вторички на оптрон. Питание появилось – симистор открыт.
 
Увеличивается. Пару раз по картинке щёлкнуть.
 
Назад
Сверху