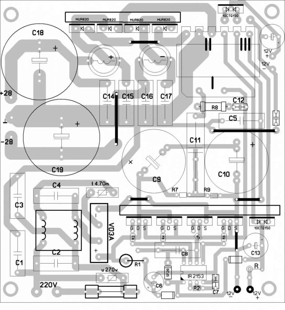
Ну что же, запитал от ИИП и усилок и ФНЧ и куллер, все работает, ничего не греется все замечательно. Делюсь фото и печаткой.

Увеличенная схема, для качественной печати >>>
Посмотреть вложение IIP.zip
Со стороны дорожек ещё не смыл флюс (торопился выложить фото) ну и провода потом перепаяю другие, затем смою - так что сильно на это не ругайтесь
Два не подписанных кондера в цепи 12В такие же как в цепи обратной связи (а именно электролит 100мкФ 16В и керамика 0,1мкФ)
Диодные сборки в цепях 12В любые шоттки на нужный вольтаж и ток (я взял из старого комповского БП) а на двухполярке поставил тоже шотки диоды SR10100 (они на 10А каждый)
Трансформатор оставил тот же: I - 36 витков, II - 2х7 витков, III - 2х3 витка, IV - 2х3 витка.
Провод на всех обмотках одинаковый, только число жил разное. Провод примерно 0,5 мм по лаку.
I - 4 жилы, II - 2х4 жилы, III - 2х2 жилы, IV - 2х2 жилы в плече.
Дроссели на ферритовых кольцах 20 мм намотаны проводом 1,5 мм.
Печатная плата в формате layout
Посмотреть вложение ИИП rev4.zip
Ну вроде все
