• Добро пожаловать на компьютерный форум Tehnari.ru. Здесь разбираемся с проблемами ПК и ноутбуков: Windows, драйверы, «железо», сборка и апгрейд, софт и безопасность. Форум работает много лет, сейчас он переехал на новый движок, но старые темы и аккаунты мы постарались сохранить максимально аккуратно.

    Форум не связан с магазинами и сервисами – мы ничего не продаём и не даём «рекламу под видом совета». Отвечают обычные участники и модераторы, которые следят за порядком и качеством подсказок.

    Если вы у нас впервые, загляните на страницу о проекте, чтобы узнать больше. Чтобы создавать темы и писать сообщения, сначала зарегистрируйтесь, а затем войдите под своим логином.

    Не знаете, с чего начать? Создайте тему с описанием проблемы – подскажем и при необходимости перенесём её в подходящий раздел.
    Задать вопрос Новые сообщения Как правильно спросить
    Если пришли по ссылке со старого Tehnari.ru – вы на нужном месте, просто продолжайте обсуждение.

Как намотать тороидальный трансформатор?

Намотай на него 1200 витков провода диаметром 0.35 мм и померь ток холостого хода. Перед намоткой не забудь заизолировать сам сердечник, а так же не забывай изолировать слои обмотки друг от друга.
 
Спасибо! Как намотаю отпишусь.
 
Валера,у меня есть две вот такие прокладки,они были на этом трансе.,могу-ли я использовать их как изоляцию верх-низ-или лучше намотать фумку.Ещё у меня есть провод 0,5,могу вместо 0,35 намотать его? На один виток у меня получилось 21,5см. провода,если умножить на 1200 витков получается 25,8м. провода первички-правильно я посчитал?
 

Вложения

  • IMG_6763.webp
    IMG_6763.webp
    97.7 KB · Просмотры: 486
Скажите мне ещё-смогу этим трансом. подключить две микрухи тда7294 и сколько примерно ват получится? Колонки у меня на 4ом от муз. центра LG,в каждой колонки по два динамика здоровых и одна пищалка (размер колонки 60х40х30)на них написано макс 400ват мин.200,я думаю они гдето ват на 35-40 одна,или может быть не так?
 
Эти карболитовые щечки оставь и по верх них Фумку ... :)
 
Замеряй только железо, диаметры и толщину ... :)
 
На один виток у меня получилось 21,5см. провода,если умножить на 1200 витков получается 25,8м. провода первички-правильно я посчитал?
Будет 258 метров, плюс нужно взять процентов 5-10 запасу, итого примерно надо около 280 метров провода.
 
А сколько можно выжать из этого трнса.?
 
Валера я так думаю,то что транс. такой высокий это не минус,у меня радиаторы 280х100х50,так что транс.после перемотки будет практически в размер с радиатором.И ещё вопрос,-можно при таких размеров радиатора посадить две микрухи на одном,или-же каждую на свой рад.?Вот такие!
 

Вложения

  • IMG_6764.webp
    IMG_6764.webp
    107.2 KB · Просмотры: 319
Ребята,подскажите пожалуйста,-сегодня пригнали катушечный стерео мафон Орбита-106( рабочий),могу я с него снять транс. для МС-тда?
 
смотря какой там транс стоит:)
 
На корпусе мафона написано,потребляемая мощность 150вт,на выходе 5ват мин-15макс.
 

Вложения

  • IMG_6792.webp
    IMG_6792.webp
    86.6 KB · Просмотры: 863
похож на ТС-160.....а так такие трансы очень хорошо мотаются:)
 
есть вопрос:после диодного моста,стоят конденсаторы,но у меня получается(если спаралелить) 13200 на плечо,не маловато?
 
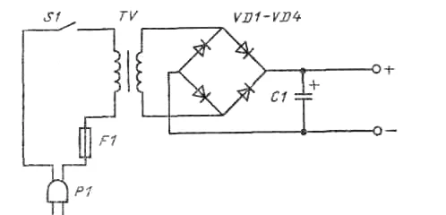
Дорогие форумчане,дайте пожалуйста кто нибудь схему б.п.!?
 
Если только для TDA, пожалуйста...
Справа показан двухполярный выпрямитель.
 

Вложения

  • мостовой выпрямитель.webp
    мостовой выпрямитель.webp
    6 KB · Просмотры: 4,279
  • двухполярный выпрямитель.webp
    двухполярный выпрямитель.webp
    1.3 KB · Просмотры: 2,561
Последнее редактирование:
Назад
Сверху