- Регистрация
- 27 Ноя 2010
- Сообщения
- 28,167
- Реакции
- 681
- Баллы
- 0
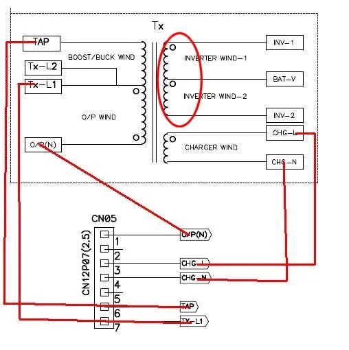
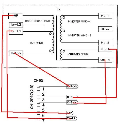
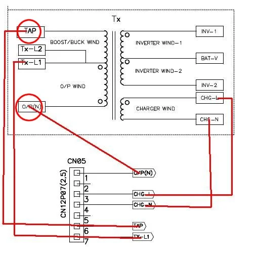
Влад, чё у тебя в доме творится, тестеры теряешь ? ...То что я намерил в первый раз мерил именно старым тестером так как новый не смог нати
Смотрите видео ниже, чтобы узнать, как установить наш сайт в качестве веб-приложения на домашнем экране.
Примечание: Эта возможность может быть недоступна в некоторых браузерах.
Влад, чё у тебя в доме творится, тестеры теряешь ? ...То что я намерил в первый раз мерил именно старым тестером так как новый не смог нати
Влад, ну не может быть этого ! ...Хрень какая то, померял другим тестером, показывает сопротивление 36 с копейками ом, но так же между всеми тремя одинаково.
Что значит хитрая ? ...всё таки это средняя точка похоже но хитрая