• Добро пожаловать на компьютерный форум Tehnari.ru. Здесь разбираемся с проблемами ПК и ноутбуков: Windows, драйверы, «железо», сборка и апгрейд, софт и безопасность. Форум работает много лет, сейчас он переехал на новый движок, но старые темы и аккаунты мы постарались сохранить максимально аккуратно.

    Форум не связан с магазинами и сервисами – мы ничего не продаём и не даём «рекламу под видом совета». Отвечают обычные участники и модераторы, которые следят за порядком и качеством подсказок.

    Если вы у нас впервые, загляните на страницу о проекте, чтобы узнать больше. Чтобы создавать темы и писать сообщения, сначала зарегистрируйтесь, а затем войдите под своим логином.

    Не знаете, с чего начать? Создайте тему с описанием проблемы – подскажем и при необходимости перенесём её в подходящий раздел.
    Задать вопрос Новые сообщения Как правильно спросить
    Если пришли по ссылке со старого Tehnari.ru – вы на нужном месте, просто продолжайте обсуждение.

"ЛАНЗАР" - высококачественный усилитель

  • Автор темы Автор темы DTS
  • Дата начала Дата начала
При удачном стечении обстоятельств, нолик на выходе можно не ловить, 30мВ можно считать нормой. На работоспособность усилителя это никак не по влияет, советские усилители уже с завода выходили с постоянкой на выходе до 500мВ, при этом работали десятками лет без проблем и нареканий.
 
Уже перепаял,подобрал их в пределах +-1%.
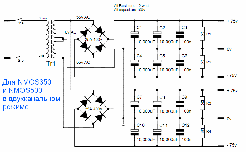
Еще вопрос по питанию усилителя:-имеется тор тореловский 250 Вт 2*30В/4А.
На два канала домотать еще вторичку,или можно просто два моста поставить на каждый канал от одной обмотки?
 
-имеется тор тореловский 250 Вт 2*30В/4А.
На два канала домотать еще вторичку,или можно просто два моста поставить на каждый канал от одной обмотки?
ты вообще представляешь, что значит ДВУХ ПОЛЯРНОЕ питание?
у тебя есть хороший трансформатор, его хватит с головой для стерео усилителя .
 

Вложения

  • 35557-1-.webp
    35557-1-.webp
    8.2 KB · Просмотры: 53
Я это прекрасно понимаю,просто я думал один диодный мост на один канал,второй на другой канал,или хватит одного?
 
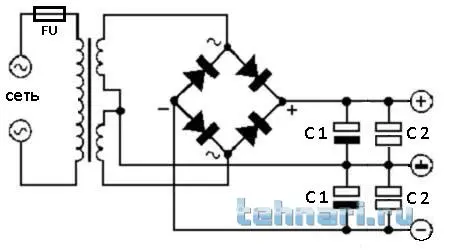
Про разводку земли я не очень понимаю)
 
Типа вот так,или это лишнее?
 

Вложения

  • pitanie.gif
    pitanie.gif
    28.5 KB · Просмотры: 4,817
у меня так в вот этом усилителе
такое включение называется *псевдо двойное моно*
немного уменьшается влияние от работы одного канала на другой. Но тебе и с одним мостиком хватит
 
про разводку земли почитай
*Звёзды на земле. Руководство по сборке усилителя мощности*
 
Привет. Собрал я Тимур по твоей печатке "Модим ланзар" на советских транзисторах КТ8102 КТ8101..и Кт816 и Кт817..Классно играет, не думал что такая разница будет от 7294.Колонки стали играть более мощно, не знаю как описать словами оно того стоит, еще раз спасибо.
 
отлично , как в корпус смонтируешь - похвастаешьсяkoresch
 
Добрый день Тимур.Подскажи пожалуйста,ток покоя 340 мА на минимуме подстроечников на обоих каналах.Чтобы уменьшить его,какой резистор лучше подкорректировать,R17 который 4,7к или R15',что 1,5к,и на сколько?
 
Я думаю параллельно 4,7к подпаять резистор килоом на десять,правильно будет?
 
Добрый день Тимур.Подскажи пожалуйста,ток покоя 340 мА на минимуме подстроечников на обоих каналах.Чтобы уменьшить его,какой резистор лучше подкорректировать,R17 который 4,7к или R15',что 1,5к,и на сколько?

я бы вместо 1.5к поставил 2.2к -3.3к или подстроечник сразу поставил на 4.7к
 
Спасибо,первый вариант приемлемей,подстроечников на 1к целая куча,китайцы вместо 5шт по ошибке 15 положили ))),у нас в магазине радиодеталей в белгороде таких подстроечников вообще нет
 
Вот такой получается,не очень компактный конечно)но это первый
 

Вложения

  • 20160507_162845.webp
    20160507_162845.webp
    99.2 KB · Просмотры: 499
Молодец! Для первого раза очень неплохо, аккуратно. Монтаж с компоновкой немного уплотнить - диодные сборки на платы с кондерами, транс сместить вперед(подальше от выходных каскадов).Но и так, если наводок(фона) нет- пойдеть...
 
Ток покоя выставил по 70 мА,в обоих каналах на выходе по 19 мВ,звучание по сравнению с усилителем на тда7250+кт825,827 это земля и небо,просто класс.
При закороченых на землю входах в динамиках была полная тишина,даже шипения не слышно,подключил к регулятору громкости на передней панели,появился фон (на минимальной громкости отчетливо слышно)при увеличении громкости фон не усиливается,т.е его уже просто не слышно на фоне музыки.Как его побороть?Неправильная разводка?Помогите советом.
Сейчас сфоткаю его крупным планом.
 
Что я сделал не так?
 

Вложения

  • 20160508_002230.webp
    20160508_002230.webp
    81.6 KB · Просмотры: 439
В первую очередь напишите каков у Вас номинал регулятора громкости, чтобы посоветовать что-то конкретное - нужна схема соединений. Для начала проследите чтобы соединение общего провода с корпусом (шасси) было только у входных разъёмов и более нигде.
В Вашем случае, судя по фотографиям, присутствует земляная петля приличной площади, что так же влияет на уровень фона, из-за неудачного расположения блоков внутри корпуса...
 
Назад
Сверху