Смотрите видео ниже, чтобы узнать, как установить наш сайт в качестве веб-приложения на домашнем экране.
Примечание: Эта возможность может быть недоступна в некоторых браузерах.
Добро пожаловать на компьютерный форум Tehnari.ru. Здесь разбираемся с проблемами ПК и ноутбуков: Windows, драйверы, «железо», сборка и апгрейд, софт и безопасность. Форум работает много лет, сейчас он переехал на новый движок, но старые темы и аккаунты мы постарались сохранить максимально аккуратно.
Форум не связан с магазинами и сервисами – мы ничего не продаём и не даём «рекламу под видом совета». Отвечают обычные участники и модераторы, которые следят за порядком и качеством подсказок.
Если вы у нас впервые, загляните на страницу о проекте, чтобы узнать больше. Чтобы создавать темы и писать сообщения, сначала зарегистрируйтесь, а затем войдите под своим логином.
это почему она боится перегрева, у неё есть термо-защита, правда не проверял на прочность её
сергей 25
на картинку от RAMMSTEIN
для МС вообще желательно платформочки использовать,оно и менять проще потом



я соберал все получалось играет нормально и от компа и от центра да кстати попробуй убавить громкость на компе тоесть уменьш входную мощьность должно все заработать нормально
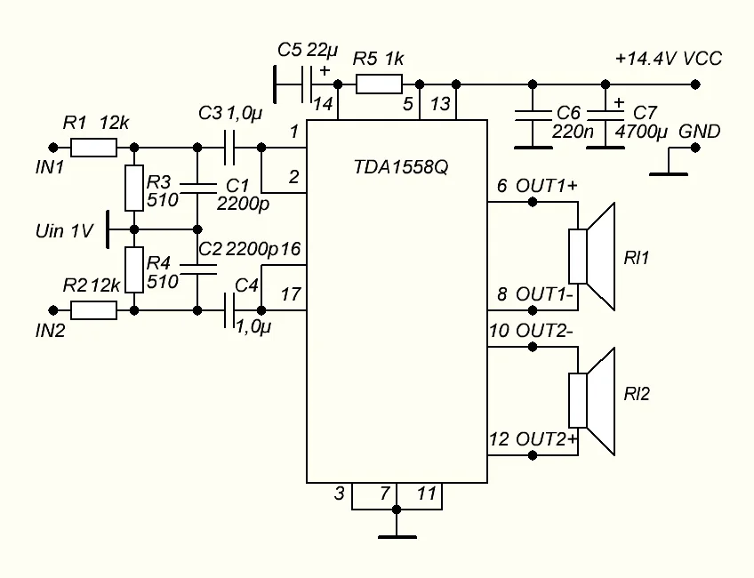
Reani, сделайте по ниже приведённой схеме и печатной плате.