• Добро пожаловать на компьютерный форум Tehnari.ru. Здесь разбираемся с проблемами ПК и ноутбуков: Windows, драйверы, «железо», сборка и апгрейд, софт и безопасность. Форум работает много лет, сейчас он переехал на новый движок, но старые темы и аккаунты мы постарались сохранить максимально аккуратно.

    Форум не связан с магазинами и сервисами – мы ничего не продаём и не даём «рекламу под видом совета». Отвечают обычные участники и модераторы, которые следят за порядком и качеством подсказок.

    Если вы у нас впервые, загляните на страницу о проекте, чтобы узнать больше. Чтобы создавать темы и писать сообщения, сначала зарегистрируйтесь, а затем войдите под своим логином.

    Не знаете, с чего начать? Создайте тему с описанием проблемы – подскажем и при необходимости перенесём её в подходящий раздел.
    Задать вопрос Новые сообщения Как правильно спросить
    Если пришли по ссылке со старого Tehnari.ru – вы на нужном месте, просто продолжайте обсуждение.

Подскажите схему для сабвуфера

Четырёхканальная микросхема специально для саба???
Ну ведб можно соединить в мост и будет двух канальная. В добавок ещё и мощность в 2 раза увеличится.
 
Подскажите пожадуйста где тут реостат для изменения интенсивности Нч, или куда его поставить если его тут нет!!!:tehnari_ru_281:
 

Вложения

  • схема усилителя.gif
    схема усилителя.gif
    38.4 KB · Просмотры: 545
Подскажите пожадуйста где тут реостат для изменения интенсивности Нч, или куда его поставить если его тут нет!!!:tehnari_ru_281:

Изменения интенсивности Нч здесь нет даже регулятора громкости нет.
 
Изменения интенсивности Нч здесь нет даже регулятора громкости нет.

А установить можно?? ну НЧ я думаю нужно если это возможно, а громкость мне не обязательно!!
 
Это нужно делать тембр блок.
 

Вложения

  • LM1036.gif
    LM1036.gif
    17.1 KB · Просмотры: 3,113
Тебе для чего надо усилитель для саба или нет.
 
для саба, и чтоб можно было интенсивность басов изменять и все)))
 
ну так что подойдет тембрблок LM1036 подскажите кто нить?
 
Здраствуйте, интересный у вас форум) Мб и мне подскажите? Хочется ручками попаять :tehnari_ru_998:
Имею 2а НЧ-динамика из колонок типа S90 скорее всего по 30 ГДР. Хочу в корпус от одной колонки запихнуть 2-а динамика таких и получить на выходе моносаб из 2-ух колонок. Надо в машину (12v)
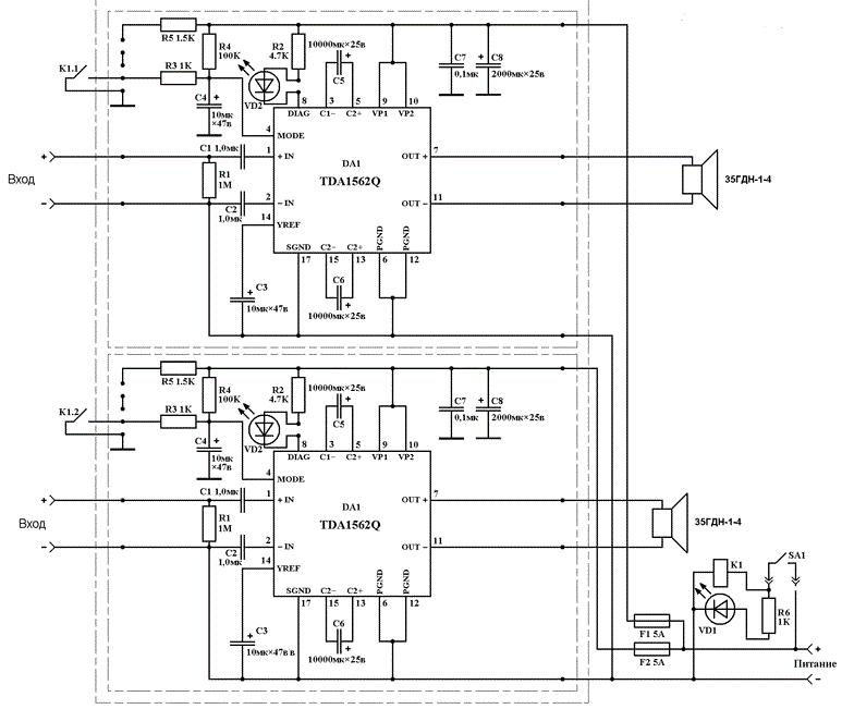
  • Самая первая схема мне подойдёт для усилка на 12 вольт?
    tda1562.webp
  • Всё это будет подключаться к магнитоле у которой есть спец.выход под саб - тогда фильтр НЧ не нужно ставить?
    Если нужно: хотелось бы просто на сопрухе и кандёре - вопрос на каких)​
Вот пара фоток того что сейчас имею:
DSC00042.webp DSC00045.webp

Очень надеюсь, что кто-нибуть ответит :rolleyes:
 
схема нормальная. но она на 1 канал. так что если оба динамика ставить, то надо 2 таких схемы(стоит микра кстати говоря ~400р).
я бы взял один динамик и сделал для него новый короб(ФИ). и к нему этот усилок.
есть спец.выход под саб - тогда фильтр НЧ не нужно ставить?
все верно.
 
1562 не вытянуть 75 гдн нормально, динамики без замеров не желательно ставить в саб, но для авто можно.
 
Динамики какие-то убитые.
 
да, динамики проклеить нужно, иначе развалятся
 
Динимики уже проклеены - поэтому мб выглядят стрёмно?)
 
А почему 75 гдн, на бумажке сзади 30ГД что-там написано же
 
Назад
Сверху