• Добро пожаловать на компьютерный форум Tehnari.ru. Здесь разбираемся с проблемами ПК и ноутбуков: Windows, драйверы, «железо», сборка и апгрейд, софт и безопасность. Форум работает много лет, сейчас он переехал на новый движок, но старые темы и аккаунты мы постарались сохранить максимально аккуратно.

    Форум не связан с магазинами и сервисами – мы ничего не продаём и не даём «рекламу под видом совета». Отвечают обычные участники и модераторы, которые следят за порядком и качеством подсказок.

    Если вы у нас впервые, загляните на страницу о проекте, чтобы узнать больше. Чтобы создавать темы и писать сообщения, сначала зарегистрируйтесь, а затем войдите под своим логином.

    Не знаете, с чего начать? Создайте тему с описанием проблемы – подскажем и при необходимости перенесём её в подходящий раздел.
    Задать вопрос Новые сообщения Как правильно спросить
    Если пришли по ссылке со старого Tehnari.ru – вы на нужном месте, просто продолжайте обсуждение.

Подскажите схему для сабвуфера

это старая маркировка 30гд-1, 2, 2б.
 
Только в 35АС-1 стояли 30ГД-1.
 
Друзья наконец то я купил микросхемы TDA 1562Q, цена 200 за шт. для начала сборхи хочу определится с тембрблоком для регулировки интенсивности Нч, подскажите пожалуйста, я остановился на тембрблоке с микросхемой TDA 1524A или LM 1036N !!! там присутствуют высокие средние и баланс, это конечно лишнее. заранее спасибо :tehnari_ru_281:
 

Вложения

  • it9650935051_тембрблок.gif
    it9650935051_тембрблок.gif
    20.8 KB · Просмотры: 452
  • LM1036.gif
    LM1036.gif
    17.1 KB · Просмотры: 542
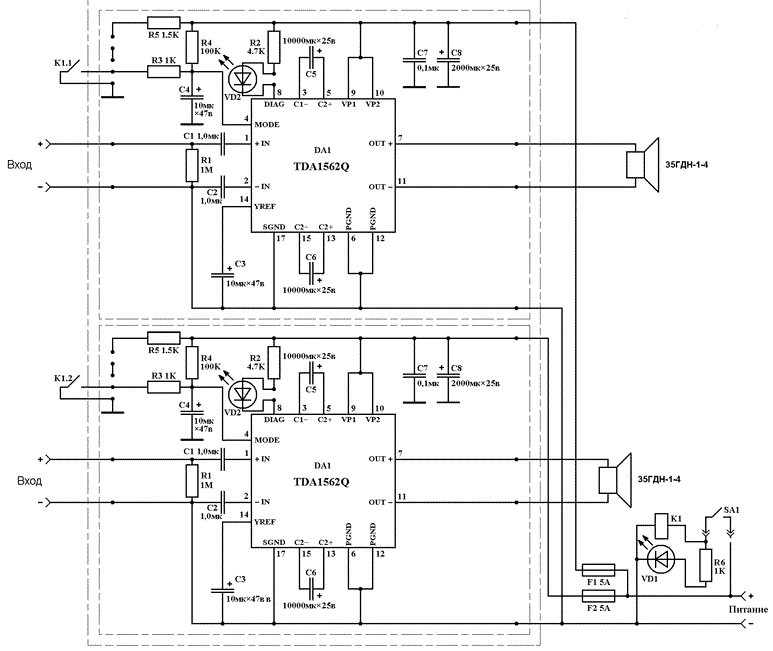
  • схема усилителя.gif
    схема усилителя.gif
    38.4 KB · Просмотры: 341
Друзья наконец то я купил микросхемы TDA 1562Q, цена 200 за шт. для начала сборхи хочу определится с тембрблоком для регулировки интенсивности Нч, подскажите пожалуйста, я остановился на тембрблоке с микросхемой TDA 1524A или LM 1036N !!! там присутствуют высокие средние и баланс, это конечно лишнее. заранее спасибо :tehnari_ru_281:

Лучше делай на LM.
 
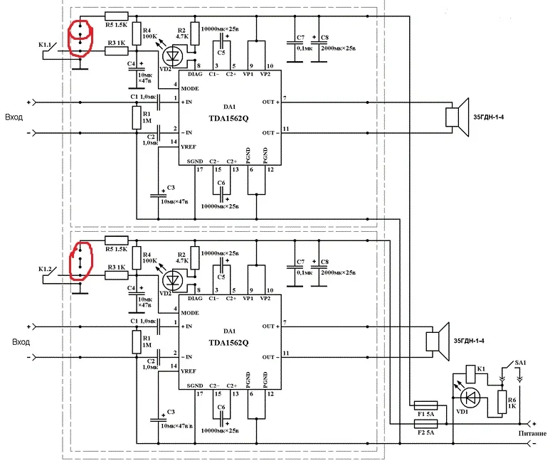
спасибо буду на LM делать, не пойму что за элемент на схеме?? я отметил красным, это переменный резистор?? что он выполняет?
 

Вложения

  • схема усилителя 2.webp
    схема усилителя 2.webp
    52.3 KB · Просмотры: 650
На схеме:
tda1562.webp
нету единиц измерен у кондеров - значит в ПикоФарадах? А у сопрух просто в Омах?
 
служит для плавного запуска унч - короче он не нужен
 
да утройство то и пинцип работы реле я знаю, тут наверно нужно особое, не автомобильное же?
 
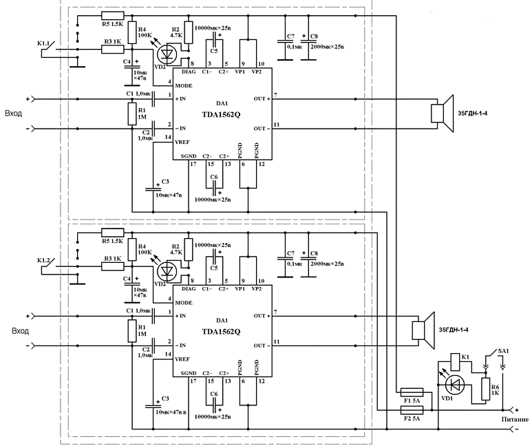
У меня появился еще вопрос, яне силен еще в схемах :tehnari_ru_182:, что это за разрывы на схеме??
 

Вложения

  • схема усилителя2.webp
    схема усилителя2.webp
    49.2 KB · Просмотры: 237
Это контакты реле.
 
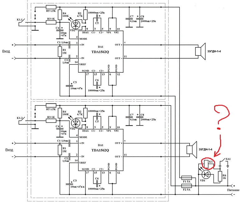
Придя в магазин оказался в тупике, при покупке резисторов меня спрашивают не только сопротивление но и мощность а на схеме только сопротивление и реле для запуска буфера мне показали видов 20, а на схеме параметров нет, подскажите плииз!!
 

Вложения

  • схема усилителя.gif
    схема усилителя.gif
    38.4 KB · Просмотры: 189
Что вам мешает вообще не использовать реле, а поставить простой сдвоенный выключатель вместо контактов К1.1, к1.2?
 
Что вам мешает вообще не использовать реле, а поставить простой сдвоенный выключатель вместо контактов К1.1, к1.2?

Да мне продавец сказал что при включении будет короткий "БУМ" ) говорит для удобства поставить желательно!
 
Продавец видимо эту схему не смотрел, или не понял ее. Тут нет автоматики, Мы же SA1 вручную включаем.
Когда включаем SA1- просто подается питание на реле, и оно замыкает свои контакты К1.1 и К1.2. Если вместо них поставить переключатель принцип не изменится.
В данном случае без разницы чем замыкать переключателем или реле.
 
Назад
Сверху