Смотрите видео ниже, чтобы узнать, как установить наш сайт в качестве веб-приложения на домашнем экране.
Примечание: Эта возможность может быть недоступна в некоторых браузерах.
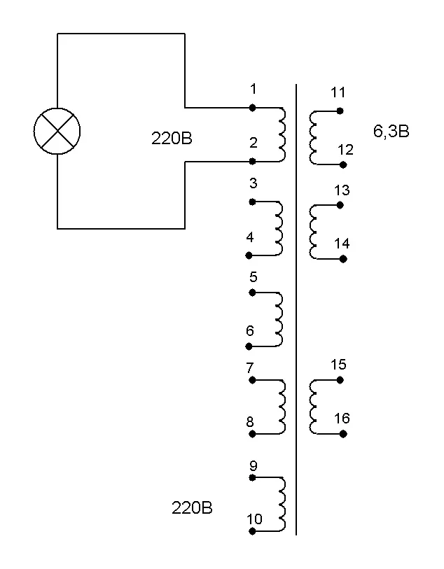
только на выводах 1 - 2 она загорелась,
На какие концы подали напряжение ,когда загорелась лампа 40Вт?
По фото 1 и 2 или по рисунку?
это по рисунку
в одной изоляционной трубке по 2 вывода,таких 2 шт
последовательно включенная лампочка с первичкой транса не должна гореть на холостом ходу трансформатора, максимум еле заметно тлеть можетТак вот,подал 220 на выводы 1 и 2 с последовательно включенной лампочкой как Вы советовали,транс работает лапочка горит