Посоветуйте усилитель

  • Автор темы Автор темы Sayid
  • Дата начала Дата начала
начнём по порядку:
кнопка stand-by должна всегда быть замкнута
на схеме правильное включение кнопки.
diagnostics можно типа осцилографа подключать, но лучше забей на неё. она не нужна.

http://www.tehnari.ru/attachment.php?attachmentid=69763&stc=1&d=1330611930
 

Вложения

  • 46_1288185374.webp
    46_1288185374.webp
    22 KB · Просмотры: 212
Спасибо за ответ. Судя по рисунку 8ю и 9ю ноги на общую землю паять надо. Верно?
 
да:tehnari_ru_038::tehnari_ru_038:
 
И контрольный вопрос, куда паяется регулятор громкости?
Вход(левый/правый) -> переменный резюк -> кондёры с ногами(IN L/IN R). Ну и соответственно земля к земле. По такой схеме?
 

Вложения

  • 46_1288185374.webp
    46_1288185374.webp
    50.6 KB · Просмотры: 89
Ну я так и понял. Спасибо. Теперь осталось только в город за покупками смотаться и плату нарисовать правильно.
 
Резюка на 50кОм я думаю хватит. или стоит взять побольше?
 
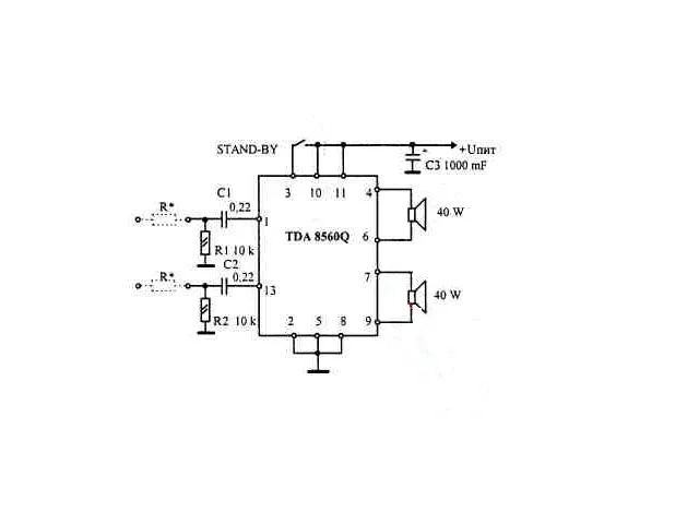
лучше на TDA8560 звук по качественей вот схемка
 

Вложения

  • b5bbdd85e5d2.webp
    b5bbdd85e5d2.webp
    10 KB · Просмотры: 5,453
если заинтересует печатку тоже выложу
 
Можно и на ней в принципе, но к ней лучше искать динамики в 2 Ома.
Сначала попробую с 7377 поиграться.
 
Только вот не знаю чем её запитать. Люди, как вы думаете, какой блок питания нужен к 7377?
 
уже сделали????!!:tehnari_ru_211:
 
Нет конечно:D у меня пока даж деталей нет основных.
Я вот просто не знаю чем его от сети запитать.
В идеале интересует 3 режима питания: от компа, от сети и от обычного автомобильного аккумулятора (на даче музон гонять:))
 
ответы:
1.попробуете от компа, если гудеть будет то сделайте фильтр clc (схемы можно нагуглить, поискать на яндексе или других поисковиках).
2.от сети.
проведём расчёты 2*30ватт, значит микросхеме надо 60 ватт, 60ватт:12вольт=5ампер,
а ещё немножко запаса=6 ампер оптемально. а и кондёры как минимум 10000микрофарфд, если будет гудеть надо побольше ёмкость кондёра подобрать.
3. от аккумулятора напрямую подключайте, и паралейно питанию кондёр ёмкостью желательно побольше, чтобы фары не мигали, можно ионистр, думаю 2 фарад хватит.
 
Последнее редактирование:
Михаил, спасибо вам за ответы! Вы меня сенодня целый день выручаете :)
 
пожалуйста, а когда планируете усил делать?
 
Думаю на днях попасть в город и докупить детали и сразу же начать делать. Пока в отпуске, дак почему бы и нет:) Как сделаю - выкину фотки сюда
 
не обезательно у меня на s40 играет нормално так они 8 Омные.
басс тоже хороший... А на TDA2030 собирать не советую она конкретно звук засирает...
 
Что то все плохо отзываются о 2030... Видать действительно Г*#%@О. Не доводилось с ней дело иметь, да и после отзывов желание отпадает :D
 
Назад
Сверху