• Добро пожаловать на компьютерный форум Tehnari.ru. Здесь разбираемся с проблемами ПК и ноутбуков: Windows, драйверы, «железо», сборка и апгрейд, софт и безопасность. Форум работает много лет, сейчас он переехал на новый движок, но старые темы и аккаунты мы постарались сохранить максимально аккуратно.

    Форум не связан с магазинами и сервисами – мы ничего не продаём и не даём «рекламу под видом совета». Отвечают обычные участники и модераторы, которые следят за порядком и качеством подсказок.

    Если вы у нас впервые, загляните на страницу о проекте, чтобы узнать больше. Чтобы создавать темы и писать сообщения, сначала зарегистрируйтесь, а затем войдите под своим логином.

    Не знаете, с чего начать? Создайте тему с описанием проблемы – подскажем и при необходимости перенесём её в подходящий раздел.
    Задать вопрос Новые сообщения Как правильно спросить
    Если пришли по ссылке со старого Tehnari.ru – вы на нужном месте, просто продолжайте обсуждение.

Преобразователь

Не, Денис на каждом по 2.5А, закон Ома ... :)
 
George Smith А у стартера их и нету всё равно.
Можно в самом мультике использовать хоть 315, а повторители сделать 803. Параметры мультика похоже под 50Гц - 24кОм х 0,47мкФ. Неспроста там на выходе ~220 подписано. Ну и при 5кОм х 0,01мкФ уже больше 10КГц должно быть.
 
сейчас выпаил транзисторы из блока питания может на них удастся сбрать преобразователь irfbc30.STPS20.STPR10.STPS10.IRL3302.STPS16
 
вот нашёл у себя один транс с ферритовым сердечником тпи-4-3
 
может ли он подойти для моей схемы
 
Я ничего советовать не буду. Причину огласил. И другим не советую.
 
ВСЕМ СПАСИБО!ВСЕГО ХОРОШЕГО!ДОСВИДАНИЯ!!!!!!!
 
надеюсь мне хоть кто-то будет помогать в этой теме,вопщем давайте разберёмся,транзисторы берём кт803а,да?конденсаторы вместо 0,47мкф берём поменьше,какой брать транс первый или второй?
 

Вложения

  • IMG_0125[1].webp
    IMG_0125[1].webp
    33.7 KB · Просмотры: 280
  • IMG_0126[1].webp
    IMG_0126[1].webp
    34.8 KB · Просмотры: 322
koljan1122 Почему феррит то не пойдёт?
Для повторения схемы которую дал Денис не пойдёт без переделки самой схемы.
проста хочу повторить вот этот усилитель корпус уже имеется УСИЛИТЕЛИ ДЛЯ МАШИНЫ НА TDA 7294 100 W - 22 Мая 2010 - Блог наших сотрудников - Сайт:: Паятель
Денис так там и преобразователь подробно описан и тем более уже испытан.
 
да но такой микросхемы нету,а заказывать уже поздно я уже заказал детали для усилителя сестре в начале недели должна прислать
 
или же дайте другую схему чтоб можна было использовать феррит но только не на микросхеме а на транзисторах и не большую,корпус будет машинная магнитала,на преобразователь остаётся место только половина такшто не так уж и многа,а вторая половина усилитель,сейчас сам поищу если что выложу сюда
 
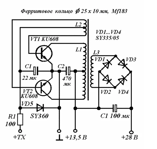
ну вот смотрите что надыбал

больше всего нравится 1 схемка
 

Вложения

  • ро.webp
    ро.webp
    23.5 KB · Просмотры: 465
  • Снимок.webp
    Снимок.webp
    26.2 KB · Просмотры: 30,088
  • Снимокп.webp
    Снимокп.webp
    34.1 KB · Просмотры: 21,145
  • 114_2.webp
    114_2.webp
    17.7 KB · Просмотры: 2,334
что скажите насчёт этих схем?
 
Первая, почти тоже самое, что с первого поста, но требует доработки,
остальные не пойдут вообще ... :)
 
а какой доработки?можна поподробнее?
 
а импульсник подойдёт для схемы из 1 поста?
 
узнал что этот импульскник на 130ватт,сердечник ферритовый
 
извини конечно меня,проста иногда бываю злой темболее запутали меня одни говорят можна другие нету,через 5 минут загружу фото импульсника
 
Назад
Сверху