• Добро пожаловать на компьютерный форум Tehnari.ru. Здесь разбираемся с проблемами ПК и ноутбуков: Windows, драйверы, «железо», сборка и апгрейд, софт и безопасность. Форум работает много лет, сейчас он переехал на новый движок, но старые темы и аккаунты мы постарались сохранить максимально аккуратно.

    Форум не связан с магазинами и сервисами – мы ничего не продаём и не даём «рекламу под видом совета». Отвечают обычные участники и модераторы, которые следят за порядком и качеством подсказок.

    Если вы у нас впервые, загляните на страницу о проекте, чтобы узнать больше. Чтобы создавать темы и писать сообщения, сначала зарегистрируйтесь, а затем войдите под своим логином.

    Не знаете, с чего начать? Создайте тему с описанием проблемы – подскажем и при необходимости перенесём её в подходящий раздел.
    Задать вопрос Новые сообщения Как правильно спросить
    Если пришли по ссылке со старого Tehnari.ru – вы на нужном месте, просто продолжайте обсуждение.

Проблема с TDA 7294

Там два диодных моста. Один на питание усилителя, он установлен на днище корпуса, а другой на плате. Вот тот, который на плате надо отключить пока от питания, и оставить подключённый к трансформатору только один мост, который на днище. Остальное всё отпаяй.
 
Отпаял, но как два усилителя подключить?
А то я смотрю на плату и от них идут к каждому усилителю.
А вот который на днище диодный мост от него идут два провода + и -. Это что получается, один усилитель только подключу + и - от диодного моста и общий от транса...
 
И от этих же проводов надо подключать второй усилитель, они питаются параллельно.
 
Взорвалась одна микруха ...
 
Что-то ты там не так делаешь, а что - я не могу понять.
 
Столько микрух полегло. Капризные они.
 
У меня за десять лет только две взорвались.
 
От диодного моста который прикручен на днище корпуса + и -, соединил провода от усилителей, а общий от транса который. Я не хотел так делать, т.к. по схеме БП там с конденсаторами, а тут просто диодный мост с проводами.
P.S. В запасе ещё две готовые лежат микросхемы.
P.S.S. Пошел успокаивать нервы себе.
 
Общий тоже надо подключать. Честно говоря, у меня уже просто нет слов, что бы объяснить тебе, что значить подключить только питание усилителя и отключить всё лишнее.
 
И общий тоже подключил. вернее подключал
 
Тогда что же ты делаешь не так?
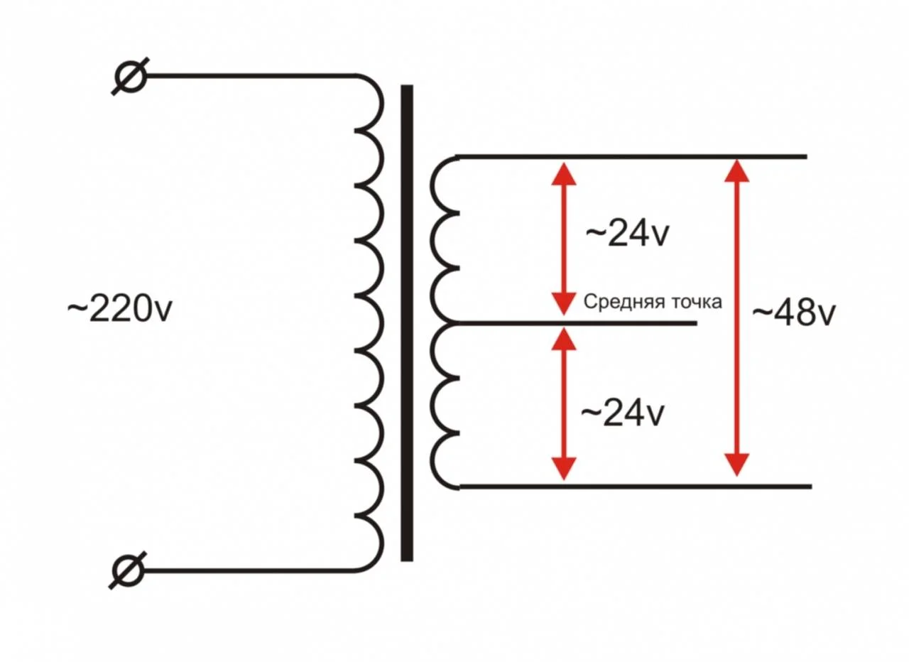
Вынь всё из корпуса и подключи всё на столе. Собирай внимательно. Перед подключением платы усилителя проверь все напряжения. И ещё проверь напряжение на обмотках трансформатора. Напряжение на крайних точках должно быть в два раза больше, чес от крайних выводов и средней точкой. Кстати, может тут и кроется ошибка.
 
чес от крайних выводов и средней точкой. Кстати, может тут и кроется ошибка.
Это где Вы говорите проверить?
На трансе всегда проверяю, в основном 24.5В показывает. Правда сегодня замерял, показывало по 25.1В каждый. Вот тут я не понял почему больше стало.
 
А вот и транс 320V/2*24. Только я не знаю как подключать.
И разобрать не могу, т.к. залит чем то. Хотя там на плате защиты стоят от нагрузки и т.д.
 

Вложения

  • P1000378.webp
    P1000378.webp
    75.1 KB · Просмотры: 232
Это где Вы говорите проверить?
На трансе всегда проверяю, в основном 24.5В показывает. Правда сегодня замерял, показывало по 25.1В каждый. Вот тут я не понял почему больше стало.

Ты меряешь на каждой обмотке, а теперь померь не относительно средней точки, а на других концах.
 
А вот и транс 320V/2*24. Только я не знаю как подключать.
И разобрать не могу, т.к. залит чем то. Хотя там на плате защиты стоят от нагрузки и т.д.

Не надо разбирать, подключи и измерь напряжения.
 
По 24.1В показывают.
 
Везде? У тебя с трансформатора три вывода и между всеми одинаковое напряжение?
 
Почему три, два там. Тем более мне на заказ собрали по дешевке :)
А так да, одинаково показывает напряжение. А если переменка, то 48.8
 
Всё, я сдаюсь...
Должно быть вот так:
001.webp
На трансформаторе должно быть две обмотки. Начало одной соединяется с концом другой - это и будет средняя средняя точка. Напряжения должны быть такими, как указано на схеме.
И кстати, если у тебя всего два вывода, то куда подключал общий провод?
 
Назад
Сверху