• Добро пожаловать на компьютерный форум Tehnari.ru. Здесь разбираемся с проблемами ПК и ноутбуков: Windows, драйверы, «железо», сборка и апгрейд, софт и безопасность. Форум работает много лет, сейчас он переехал на новый движок, но старые темы и аккаунты мы постарались сохранить максимально аккуратно.

    Форум не связан с магазинами и сервисами – мы ничего не продаём и не даём «рекламу под видом совета». Отвечают обычные участники и модераторы, которые следят за порядком и качеством подсказок.

    Если вы у нас впервые, загляните на страницу о форуме и правила – там коротко описано, как задать вопрос так, чтобы быстро получить ответ. Чтобы создавать темы и писать сообщения, сначала зарегистрируйтесь, а затем войдите под своим логином.

    Не знаете, с чего начать? Создайте тему с описанием проблемы – подскажем и при необходимости перенесём её в подходящий раздел.
    Задать вопрос Новые сообщения Как правильно спросить
    Если пришли по старой ссылке со старого Tehnari.ru – вы на нужном месте, просто продолжайте обсуждение.

Проблема с TDA 7294

Да, правда +/- 1 показывает.
 
Валера, что теперь делать, что еще проверить?
А так я решил новые платы усилителей собрать, сегодня купил.
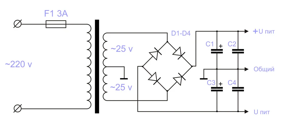
И можно вопрос, по схеме блок питание там четыре конденсатора, а у Вас два конденсатора. Или это не влияет? Просто смотрю и перечитываю темы и вот такой вопрос возник.
 

Вложения

  • 005.webp
    005.webp
    108.7 KB · Просмотры: 191
  • 003.webp
    003.webp
    14.6 KB · Просмотры: 106
У меня диодный мост зашунтирован конденсаторами по 0.1 мкФ, следовательно на электролитах их ставить уже не обязательно.
 
У меня диодный мост зашунтирован конденсаторами по 0.1 мкФ, следовательно на электролитах их ставить уже не обязательно.

Ладно, поеду куплю четыре конденсатора 0.1мкФ(они же керамические?).
Поэтому Валера, с этой платы (на фото)идут на два усилителя, правильно?
Я спрашиваю потому, что хочу убедиться в правильности, т.к. сделал новые платы усилителя.
Что нужно заземлять, например, трансформатор надо? Прочитал на форуме и понял что надо к корпусу, а я даже не знал.
Ну а если не получиться то я тогда :tehnari_ru_1019:
 

Вложения

  • Безымянный.webp
    Безымянный.webp
    57.2 KB · Просмотры: 92
И проверь какой резистор ты впаял в цепь обратной связи, иногда такая ошибка приводит к возбуждению усилителя на высоких частотах. По схеме это резистор R2 и он должен иметь сопротивление не менее 22 кОм.

У меня есть резисторы на 25кОм/0.25ватт. Подойдут? Если да, то может вместо 22кОм заменить их на 25кОм?
 
Большой разницы не заметишь.
 
А можно узнать ответ на предыдущий вопрос?
 
Собрал новую микруху, тоже самое, греются.
Не знаю что надо им, чтоб не грелись.
Посмотрите пожалуйста, может что то надо сделать, например, заземлить.
Переменный резистор проверил, провода не касаются друг с другом.
Нашел втулки, вставил в микруху.
Провода на вход и от платы к переменному резистору припаял экранированным проводом.
 

Вложения

  • P1000369.webp
    P1000369.webp
    145.2 KB · Просмотры: 168
  • P1000371.webp
    P1000371.webp
    80.7 KB · Просмотры: 99
  • P1000372.webp
    P1000372.webp
    62.6 KB · Просмотры: 110
  • P1000373.webp
    P1000373.webp
    67.7 KB · Просмотры: 91
  • P1000375.webp
    P1000375.webp
    108.8 KB · Просмотры: 127
  • P1000377.webp
    P1000377.webp
    87.1 KB · Просмотры: 87
Звук есть?
И для питания коммутатора нужна отдельная обмотка.
А по поводу нагрева, я обратил внимание на то, что микросхемы у тебя прикручены к очень тонкой пластине, судя по фотографии, её толщина не более трёх миллиметров, а этого недостаточно для быстрого отвода и распределения тепла.
 
Я решил пока отказаться от платы коммутатора, пока не разберусь в чем причина нагревании микросхем. Ведь они нагреваются на "холостом", а это значит как Вы мне говорили, плохо. Я же ничего не подключаю к усилителям, а они (микры) нагреваются.
Валера, Вы ни чего не заземляли, например, транс?
Так что правильно у меня блок питания собран???
 
Ты пока отключи от трансформатора блок дополнительного питания, а то у тебя появляется лишняя точка земли через микросхему стабилизатора. Когда это сделаешь, проверь усилитель на звучание.
 
Ты пока отключи от трансформатора блок дополнительного питания, а то у тебя появляется лишняя точка земли через микросхему стабилизатора. Когда это сделаешь, проверь усилитель на звучание.

Какой блок дополнительного питания?
А так я сделал как Вы говорили. Убрал "лишние" конденсаторы. Оставил только вот как у Вас в усилителе. Больше ни чего нет. Питание идет только от диодного моста и этих двух конденсаторов 22000мкФ к двум усилителям.
Чего только я не делал, менял местами провода на штекерах, на переменном резисторе менял местами провода аудио. Я уже сам запутался. Перечитывал все темы про TDA 7294. Значит что то не хватает.
P.S. У меня кстати есть транс-тород мощностью 320V/2*24.
 
А чего ты сразу не использовал этот трансформатор?
И я говорю про то, что тебе надо отключить от диодного моста стабилизатор для платы коммутации, судя по фотографии, он у тебя подключен.
 
Значит от транса сразу к конденсаторам подключать?
 
Нет, я говорю, что бы ты отключил от трансформатора и диодного моста всё, что не связано с питанием усилителя.
 
Чет туплю. Не врубаюсь о чем Вы говорите. :tehnari_ru_281:
P.S. Извиняюсь за глупость.
 
Оставь подключённым к трансформатору только усилитель. С диодного моста только на конденсаторы. Убери провода на дополнительный блок питания для коммутатора.
 
Так диодный мост получается только для коммутатора идет??
И как от транса сразу к двум усилителям подключить?
 
Назад
Сверху