• Добро пожаловать на компьютерный форум Tehnari.ru. Здесь разбираемся с проблемами ПК и ноутбуков: Windows, драйверы, «железо», сборка и апгрейд, софт и безопасность. Форум работает много лет, сейчас он переехал на новый движок, но старые темы и аккаунты мы постарались сохранить максимально аккуратно.

    Форум не связан с магазинами и сервисами – мы ничего не продаём и не даём «рекламу под видом совета». Отвечают обычные участники и модераторы, которые следят за порядком и качеством подсказок.

    Если вы у нас впервые, загляните на страницу о форуме и правила – там коротко описано, как задать вопрос так, чтобы быстро получить ответ. Чтобы создавать темы и писать сообщения, сначала зарегистрируйтесь, а затем войдите под своим логином.

    Не знаете, с чего начать? Создайте тему с описанием проблемы – подскажем и при необходимости перенесём её в подходящий раздел.
    Задать вопрос Новые сообщения Как правильно спросить
    Если пришли по старой ссылке со старого Tehnari.ru – вы на нужном месте, просто продолжайте обсуждение.

Усилитель мощностью 100 ватт на TDA7294

Может.

бп 12вольт от бесперебойника)
Во второй плате только 2 провода подключаются! Вы однополяркой что-ли питаете?
 
помогите пожалуйста. сжег уже все предохранители. может ли сгорать предохранитель, в момент пуска, из-за большой емкости конденсаторов?
если совсем хиленькие то могут, отключите от БП нагрузку и попробуйте поставить вместо предохранителя "жучок", волосок (жилку) от гибкого расплетённого провода
 
Может.


Во второй плате только 2 провода подключаются! Вы однополяркой что-ли питаете?

нет, эта плата для питания первичной обмотки, на ней предохранитель и стоит.
 
если совсем хиленькие то могут, отключите от БП нагрузку и попробуйте поставить вместо предохранителя "жучок", волосок (жилку) от гибкого расплетённого провода

предохранители ставил от 3 до 5 ампер. 3 вылетали сразу. потом подцепил в разрыв лампочку заредил конденсаторы, вставил предохранитель все работает, стоит конденсаторам разредиться, предохранитель сгорает.
 
предохранители ставил от 3 до 5 ампер. 3 вылетали сразу. потом подцепил в разрыв лампочку заредил конденсаторы, вставил предохранитель все работает, стоит конденсаторам разредиться, предохранитель сгорает.

Можете для опыта подключить омметр до конденсатора и вы увидите как по мере заряжания сопротивление будет расти от нуля(розряженом состоянии) и по мере заряжания оно будет увеличиватся до бесконечности.
Вывод: когда начинаешь заряжать их они как бы сначала коротят и по этому предохранитель вылетает:)
 
может поставить предохранитель на больший ток?
 
А без предохранителя как-то боязно.
 
Софтстарт можно сделать) Или NTC термистор поставить.
 
поставил предохраниетль на 10 ампер, включил и запищал бесперебойник (выходная мощность 1000ВА), а предохранитель цел. Почему такое большое потребление при старте? Софтстарт сделаю с радостью, только схемы нет. NTC термистор искал, в нашем городе нет.
 
поставил предохраниетль на 10 ампер, включил и запищал бесперебойник (выходная мощность 1000ВА), а предохранитель цел. Почему такое большое потребление при старте? Софтстарт сделаю с радостью, только схемы нет. NTC термистор искал, в нашем городе нет.

вот тебе схема
и описание

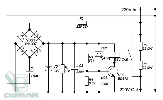
Схема плавного пуска обеспечивает задержку около 2-х секунд, что позволяет плавно зарядить конденсаторы большей емкости без скачков напряжения и моргания лампочки дома. Ток заряда ограничен величиной: I=220/R5+R6+Rt.
где Rt - сопротивление первичной обмотки трансформатора постоянному току, Ом.
Сопротивление резисторов R5, R6 можно принимать от 15 Ом до 33 Ом. Меньше - не эффективно, а больше - увеличивается нагрев резисторов. С номиналами указанными на схеме, максимальный пусковой ток будет ограничен, приблизительно: I=220/44+(3...8)=4.2...4.2А.

Основные вопросы возникающие у новичков при сборке:

1. На какое напряжение ставить электролиты?
Напряжение электролитов указано на печатной плате - это 16 и 25В.

2. На какое напряжение ставить не полярный конденсатор?
Напряжение его так же указано на печатной плате - это 630В (допускается 400В).

3. Какие транзисторы можно применить вместо BD875?
КТ972 с любым буквенным индексом или BDX53.

4. Можно ли применять вместо BD875 не составной транзистор?
Можно, но лучше поискать именно составной транзистор.

5. Какое реле необходимо применять?
Реле должно иметь катушку на 12В с током не более 40мА, а лучше 30мА. Контакты должны быть рассчитаны на ток не менее 5А.

6. Как увеличить время задержки?
Для этого необходимо увеличить емкость конденсатора С3.

7. Можно ли применять реле с другим напряжением катушки, например 24В?
Нельзя, схема работать не будет.

8. Собрал - не работает
Значит это твоя ошибка. Схема собранная на исправных деталях начинает работать сразу и не требует настройки и подбора элементов.

9. На плате есть предохранитель, на какой ток его применять?
Ток предохранителя я рекомендую рассчитывать так: Iп=(Pбп/220)*1.5. Полученное значение округляем в сторону ближайшего номинала предохранителя.
автор -(Илья Стельмах) *Nemo*
за что ему огромный респект!
 

Вложения

  • amp158-1.webp
    amp158-1.webp
    13.2 KB · Просмотры: 6,984
  • amp158-2.webp
    amp158-2.webp
    27.5 KB · Просмотры: 822
Подскажите какого сопротивления должен быть динамик для эффективных 100 Вт, а то поиск по теме мне ничего конкретного не дал.
 
Подскажите какого сопротивления должен быть динамик для эффективных 100 Вт, а то поиск по теме мне ничего конкретного не дал.

А питание подаешь сколько?
 
Читайте даташит
 

Вложения

  • 94.webp
    94.webp
    20.7 KB · Просмотры: 483
Не могу найти у себя в городе пленочные конденсаторы, они редкость. На сайте чип и дип нашел только емкости 0.68 и 1 мкФ, какой лучше заказать? и фирма Epcos или просто китай?
 
Можно вместо плёночных установить старые бумажные типа МБМ по 1 мкФ.
 

Вложения

  • IMG_3178.webp
    IMG_3178.webp
    59.6 KB · Просмотры: 224
  • IMG_3179.webp
    IMG_3179.webp
    49.6 KB · Просмотры: 231
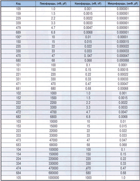
И подскажите пожалуйста, что за обозначения, что они значат?
Современная маркировка кондёров- именно такая. 103 - это значит 10 наноФарад или 0,01 мкФ . 222- значит 2.2 нан или 0,0022 мкФ , и т.д... Обычно все неэлектролиты (обычно плёнку или керамику) так маркируют. Вот тебе очень хорошая таблица с маркировкой
 

Вложения

  • КОНДЕНСАТОРЫ .gif
    КОНДЕНСАТОРЫ .gif
    76.3 KB · Просмотры: 259
Назад
Сверху