Усилитель на микросхеме TDA1558Q

Может и микросхема, а может и ошибка при монтаже, перегрев микросхемы...
 
у вас тут ошибка...фигово видно не отмыт флюс но тут, не то точно напаяно...внимательнее нужно быть когда плату рисуете
SAM_2409 - копия.webp
ошибка при монтаже
была бы плата почище точно можно было бы сказать а бегло посмотрев по моему там автор накосячил
 
Микросхема даже не грелась...
 
Делал по этой схеме...только параллельно электролитические и пленочные параллельно установил) Может в этой схеме ошибка?
 

Вложения

  • %EF%EB%E0%F2%E0%20TDA1558Q.webp
    %EF%EB%E0%F2%E0%20TDA1558Q.webp
    30.4 KB · Просмотры: 110
И чем флюс смыть?
растворитель 646,676,670,671, бензин любой в т.ч для зажигалок (меньше воняет) , спиртом, жидкостью для снятия лака с ногтей короче любой активной жидкостью
схемку ща проверю посмотрю
плата не правильно у вас разведена проверяйте сами всё найдёте...я только начал уже 3 ошибки нашёл дальше не смотрел уже
 
Последнее редактирование:
я питал от блока питания,для проверки,микросхема не грелась...и конденсаторы не грелись...вообщем новую печатную плату делать буду,надеюсь микросхема еще работоспособна!
 
значит я наоборот рисунок перерисовал?
 
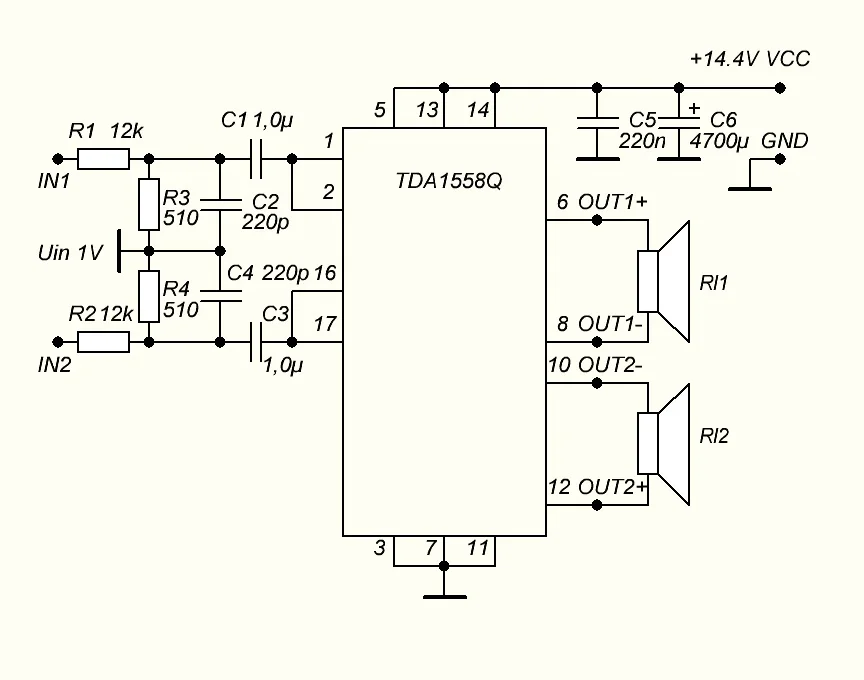
Вариант реализации для входного напряжения один вольт.
 

Вложения

  • TDA1558Q_C.webp
    TDA1558Q_C.webp
    22.1 KB · Просмотры: 9,988
  • TDA1558Q_L.webp
    TDA1558Q_L.webp
    94.7 KB · Просмотры: 1,676
  • TDA1558Q.zip
    TDA1558Q.zip
    62.2 KB · Просмотры: 131
Спрошу на всякий пожарный...схема то правильная? Просто сейчас собираюсь заново дорожки рисовать
 
Вот эта вот
 

Вложения

  • %EF%EB%E0%F2%E0%20TDA1558Q.webp
    %EF%EB%E0%F2%E0%20TDA1558Q.webp
    30.4 KB · Просмотры: 386
Назад
Сверху