• Добро пожаловать на компьютерный форум Tehnari.ru. Здесь разбираемся с проблемами ПК и ноутбуков: Windows, драйверы, «железо», сборка и апгрейд, софт и безопасность. Форум работает много лет, сейчас он переехал на новый движок, но старые темы и аккаунты мы постарались сохранить максимально аккуратно.

    Форум не связан с магазинами и сервисами – мы ничего не продаём и не даём «рекламу под видом совета». Отвечают обычные участники и модераторы, которые следят за порядком и качеством подсказок.

    Если вы у нас впервые, загляните на страницу о форуме и правила – там коротко описано, как задать вопрос так, чтобы быстро получить ответ. Чтобы создавать темы и писать сообщения, сначала зарегистрируйтесь, а затем войдите под своим логином.

    Не знаете, с чего начать? Создайте тему с описанием проблемы – подскажем и при необходимости перенесём её в подходящий раздел.
    Задать вопрос Новые сообщения Как правильно спросить
    Если пришли по старой ссылке со старого Tehnari.ru – вы на нужном месте, просто продолжайте обсуждение.

Усилитель Шушурина

  • Автор темы Автор темы Cayz
  • Дата начала Дата начала
После моста где-то +-16в
 
Переменки было 2 по 17,8в
 
Для питания 25 вольт обычно ставят конденсаторы на 35 вольт, для питания 35 вольт ставят конденсаторы на 50 вольт, для 50 вольт - на 63 вольта и т.д.
 
Да на пределе.Потом пороюсь подберу что-то получше,другая проблема подпаял другой канал к питанию фон пошел с ослом еще не разобрался но показывает типо пилы.
 
Попробуй все земляные провода собрать в одну точку. Для этого к общей точке конденсаторов питания подпаяй провод (сантиметра два-три), на другой конец этого провода подсоедини все земляные провода.
 
Плохо дело!
17,8 х 1,404 = 24,992 вольта!
Для твоих, судя по фотографии, конденсаторов выпуска СССР многовато, однако!
На нынешних конденсаторах указывается максимальное рабочее напряжение, а советские конденсаторы запросто держат напряжение, повышенное в 1,5-2 раза относительно номинального. Есть такой усилитель, Одиссей 100У-021С, так вот у него трансформатор выдает в номинальном режиме напряжение 43 вольта. После выпрямления получается 60+, а конденсаторы стоят на 63 вольта. Так вот, ни в одном, из примерно десятка этих усилителей, прошедших через мои руки, проблем с конденсаторами не было. Конечно, если по хорошему, запас конечно нужен, но в принципе всё будет работать и так, и достаточно долго
 
другая проблема подпаял другой канал к питанию фон пошел
Ты, иван 667, всё таки ставь знаки препинания. Я тебя очень прошу! А фон у тебя пошёл из - за земляной петли. Ты земли раздели на силовую и сигнальную, и соедини их резистором на 10 ом. Как у Трошина . И не будет никакого фона. Усилитель мало собрать, его ещё надо правильно развести.
 
Никто, ни каких запасов не делает.
Это к вопросу о "запасе" в производстве советской техники!
а советские конденсаторы запросто держат напряжение, повышенное в 1,5-2 раза относительно номинального.
 
Одиссей 100У-021С, так вот у него трансформатор выдает в номинальном режиме напряжение 43 вольта. После выпрямления получается 60+, а конденсаторы стоят на 63 вольта.
Вооще-то согласно схеме на энтот усилитель, трансформатор обеспечивает 39,4 Вольта, а на конденсаторах имеется 55,4 Вольта, поэтому вполне приемлемы последние с номинальным напряжением 63 Вольта.
И как-то очень сомнительно, что конструкторы могли такую фигню допустить. Никто бы не утвердил такую разработку.
 

Вложения

  • схема.png.webp
    схема.png.webp
    120.5 KB · Просмотры: 133
Добрый вечер.За знаки препинания извиняюсь.Земля у меня устроена так,сделал не большой кусок платки и прикрутил его к шасси,к этому куску все общие и припаены кроме выходов и входов они идут с плат.Что не так поправте.
 
иван 667,все общие провода в усилителе желательно соединить в одной точке, предпочтительно в месте соединения плюса и минуса электролитических конденсаторов двухполярного блока питания...
это же относится к экранам (оплеткам) слаботочных сигнальных/входных/ цепей.....Ну и массу у корпуса взять вблизи у входных разъемов...Форумчане,добавьте если что не сказал.
Ну и..напряжение питания конденсаторов блока питания..Зачем испытывать судьбу и ставить по напруге впритык к питающему напряжению? Кондеры выйдут из строя-рано или поздно-и утянут за собой как минимум половину схемы.Оно надо?Купи и поставь 35-вольтовые.
 
Последнее редактирование:
Тое-сть мне надо всеволиш припаять среднею точку с трансформатора на электролиты.Конденсаторы за меню позже, есть другие.Покупать на него не чего не буду,собираю из таго что есть в том и задумка.
 
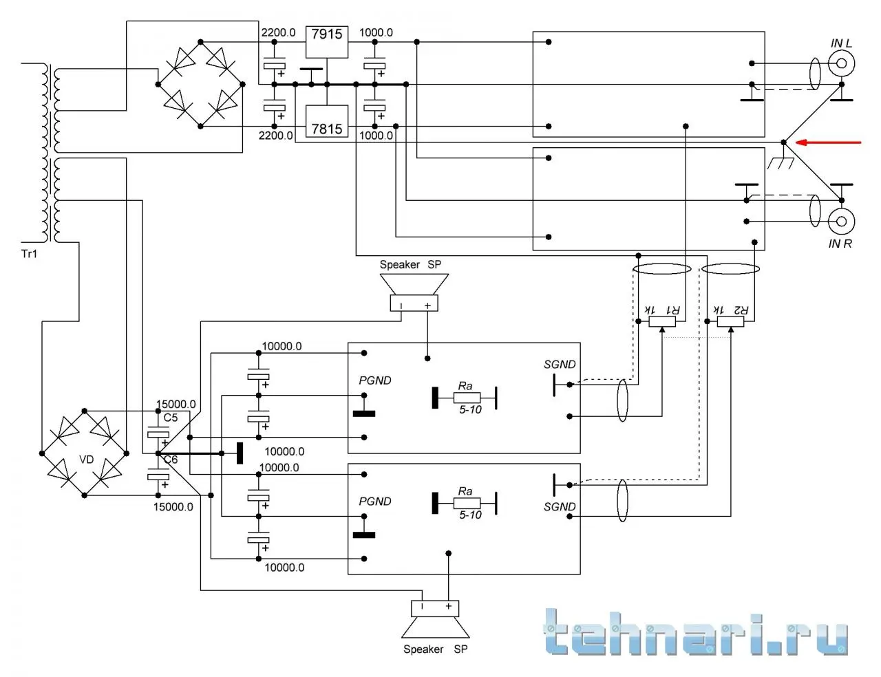
Ты писал что ещё что-то к "бублику" прицепишь, вот смотри, хороший вариант разводки земель.
 

Вложения

  • Земли.webp
    Земли.webp
    39.4 KB · Просмотры: 197
Ты писал что ещё что-то к "бублику" прицепишь, вот смотри, хороший вариант разводки земель.
+100000000. А конденсаторы не надо откладывать на потом, взрываются , черти, ошметки по всей комнате летают
 
хороший вариант разводки земель.
То, что он хороший, спору нет. Но я на этом рисунке вижу 3 ! петли. В преде посмотри, что ты нарисовал. У тебя же там земли по кругу идут.
 
Но я на этом рисунке вижу 3 ! петли. В преде посмотри, что ты нарисовал. У тебя же там земли по кругу идут.
Неее Александр Анатольевич, приглядись, нет там этого, и работает хорошо.
 
Как я понимаю ситуёвину Ивана, ему сейчас надо устранить земляные петли на усилителях мощности. Про то, что он будет ставить предварительный усилитель он не писал (помню только про индикацию и ещё что-то из "обслуги").
А для двух УМ (по моему скромному мнению) это хороший вариант. Конечно бывают случаи когда надо "поползать" по схеме чтоб найти "точку", но это (как я думаю) другой случай.
 
ему сейчас надо устранить земляные петли на усилителях мощности.
Два резистора, разрывающих землю силовую и сигнальную, проблему решат. На рисунке это отображено.
 
Я бы вот так сделал.
 

Вложения

  • Земли.webp
    Земли.webp
    44.4 KB · Просмотры: 144
Назад
Сверху