• Добро пожаловать на компьютерный форум Tehnari.ru. Здесь разбираемся с проблемами ПК и ноутбуков: Windows, драйверы, «железо», сборка и апгрейд, софт и безопасность. Форум работает много лет, сейчас он переехал на новый движок, но старые темы и аккаунты мы постарались сохранить максимально аккуратно.

    Форум не связан с магазинами и сервисами – мы ничего не продаём и не даём «рекламу под видом совета». Отвечают обычные участники и модераторы, которые следят за порядком и качеством подсказок.

    Если вы у нас впервые, загляните на страницу о форуме и правила – там коротко описано, как задать вопрос так, чтобы быстро получить ответ. Чтобы создавать темы и писать сообщения, сначала зарегистрируйтесь, а затем войдите под своим логином.

    Не знаете, с чего начать? Создайте тему с описанием проблемы – подскажем и при необходимости перенесём её в подходящий раздел.
    Задать вопрос Новые сообщения Как правильно спросить
    Если пришли по старой ссылке со старого Tehnari.ru – вы на нужном месте, просто продолжайте обсуждение.

Усилитель Шушурина

  • Автор темы Автор темы Cayz
  • Дата начала Дата начала
Добрый вечер.А вот тут уже интересно,между синими и красными и нужно в паять резистор 5-10 ом,мощность резистора 0,25?.Правильно понял?
 
Все понял,только вот платку не ту выбрал,буду дорожку смотреть где перерезать.Времени не хватает.
 
вот платку не ту выбрал,буду дорожку смотреть где перерезать.
Что-то мне подсказывает, что вся эта затея с резисторами и "перерезаниями" ничем хорошим не кончится!
Только время потратишь и шибко разочаруешься.

Ты на стр.145 в посте 1448 писал:
Вот еще думаю какое питание либо 2 тп-60-14
Так вот! Послушай доброго совета!
Если уже имеются в наличии - поставь два трансформатора и сделай для каждого канала два независимых питания. Сразу уйдёшь от земляных петель, ну и получишь двойное моно с кучей преимуществ в качестве звучания.
 
Так ранее спрашивал,что лучше 2 тп60 или тор перемотать,посоветовали тор перемотать.
 
Два транса— двойное моно. Это круто. Один транс — это не двойное моно. Это менее круто. Если трансы хорошие, и не гудят , а ТС гудят все, то нафиг такая крутизна нужна? Но, если все таки ТС тихие, то конечно же лучше было собрать по принципу двойное моно. Но что сделано — то сделано. И будем убирать фон в данном конкретном усилителе. Итак, Иван, выкладывай рисунок твоих соединений и блоков. Будем всем миром разбираться.
 
Так ранее спрашивал,что лучше 2 тп60 или тор перемотать,посоветовали тор перемотать.
На торе можно намотать раздельные обмотки для каждого канала, и это будет лишь немногим хуже, чем отдельные трансформаторы
 
Скорее всего у него на тор ещё две обмотки не поместятся.
 
Ничего не обрезая попробуй с землёй сигнала так.
Иногда помогает.
 

Вложения

  • 22.webp
    22.webp
    12.8 KB · Просмотры: 82
Чой-то иван 667 не откликается? Видать обиделся!
 
Добрый вечер.Не чего подобного,не обился.Работа.Нарисовать то я нарисовал в сплане,но тут такие файлы не грузятся.Вот думаю как его перевести в другой.
 
Добрый вечер.Не чего подобного,не обился.Работа.Нарисовать то я нарисовал в сплане,но тут такие файлы не грузятся.Вот думаю как его перевести в другой.
Там есть функция экспорта в графические форматы
 
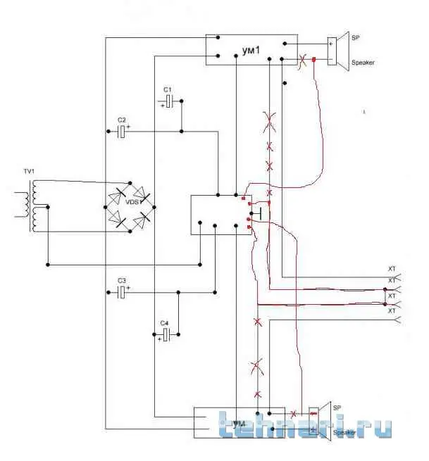
Вот,разобрался.У меня сделана маленькая платка к которой идут все земли кроме входа и выхода,а сама она прикручена к корпусу.
 

Вложения

  • 11.webp
    11.webp
    11.6 KB · Просмотры: 73
Либо ты не точно начертил, либо с петлями БЕДА.
Попробуй так.
 

Вложения

  • 1111.webp
    1111.webp
    13.2 KB · Просмотры: 78
Пардон,чуть на путал земли на унч идут с электролитов.Пробовал и так не помогает.
 

Вложения

  • 11.webp
    11.webp
    11.6 KB · Просмотры: 51
Делал все земли на емкости,тоже не помогло.
 
Исходя из твоей схемы, у тебя земляные сигнальные провода от разъёмов идут на платы усилителей. Запаяй их сразу на "платку".
 
Вот,разобрался
Ваня! Это у тебя галиматья ! Это никуда не годится!!! Какая еще платка? В общую точку двух кондеров в блоке питания, приходит общая обмотка транса. От сюда же на АС, от сюда же на корпус, и от сюда же на силовую землю УМ! Помнишь синенькие и красненькие земли? Так твои синенькие. Что у нас там осталось? Остались красненькие земли. Красненькая — это земля сигнальная. Так вот, со входа сигнальная земля, с входных разъемов, одним проводом идет до сдвоенного регулятора громкости, у которого земляные контакты закорочены. А уже от регулятора громкости, к каждому УМ идет свой проводник сигнальной земли. В УМ сигнальная и силовая земли разделены резистором на 10 ом. ВСЕ!!!!!!!!
 
Назад
Сверху