• Добро пожаловать на компьютерный форум Tehnari.ru. Здесь разбираемся с проблемами ПК и ноутбуков: Windows, драйверы, «железо», сборка и апгрейд, софт и безопасность. Форум работает много лет, сейчас он переехал на новый движок, но старые темы и аккаунты мы постарались сохранить максимально аккуратно.

    Форум не связан с магазинами и сервисами – мы ничего не продаём и не даём «рекламу под видом совета». Отвечают обычные участники и модераторы, которые следят за порядком и качеством подсказок.

    Если вы у нас впервые, загляните на страницу о форуме и правила – там коротко описано, как задать вопрос так, чтобы быстро получить ответ. Чтобы создавать темы и писать сообщения, сначала зарегистрируйтесь, а затем войдите под своим логином.

    Не знаете, с чего начать? Создайте тему с описанием проблемы – подскажем и при необходимости перенесём её в подходящий раздел.
    Задать вопрос Новые сообщения Как правильно спросить
    Если пришли по старой ссылке со старого Tehnari.ru – вы на нужном месте, просто продолжайте обсуждение.

Блок питания однополярный

есть ,та он есть,но у меня *калечный*(пластмассовый)завтра у дядьки металлическим померяю!а пока просто намотаю этим гляну на скок его хватит и сколько вольт!
 
Главное чтобы влез ... :)
 
Вот проверенная схема зарядного от 1А и выше, до 1А лучше
собирать на двух транзисторах (тоже проверенно). Тиристоры
закручиваются прямо на металлический корпус, он же служит
радиатором, он же минус 14V (общий). Чё не понятно спрашивай ? ... :tehnari_ru_953:
 

Вложения

  • Зарядное_Amperus_2.webp
    Зарядное_Amperus_2.webp
    81.1 KB · Просмотры: 3,665
Так вот что на это скажешь!?что делать первым?!
 
ТСШ-170 для TDA2050 пойдет ! ... :)
 
а про остальное?!что *ТС* делаем?!
И мелким?!(может мелкого на Бп пустить,ну там для проверки и т.д )
 
Ладно я вечерком зайду разберемся,что по чем!!
 
да я помню!вот щас надо идти провод брать!
 
Привет!Давно что-то не заходил!Щас вот делаю БП!Подскажи как закрепить КТ818ГМ к корпусу?!Просто двумя болтиками прикрутить ?!
 
ОК!Щас вот корпус *продырявил* завтра докручу все *наверное* и будем опробывать!
 
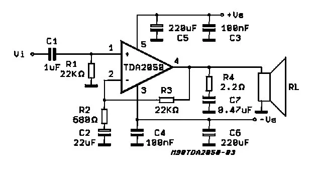
George Smith посмотри вот тут правильно я нарисовал подключение?!и можно ли его от Бп компьютера запитать*для теста*?!
 

Вложения

  • Безымянный.webp
    Безымянный.webp
    45.6 KB · Просмотры: 1,880
Дима, просто эта печатка сделана для нестандартно включения,
поэтому она и сбила тебя с толку! Просто вместо мощного
резистора, который почти проволока, надо поставить перемычку
и все встанет на свои места. Посмотри хорошо рисунок и отпишись,
если будет чё не понятно ? ... :)
 

Вложения

  • efbe9a4f8d8a_TDA2050.webp
    efbe9a4f8d8a_TDA2050.webp
    47.6 KB · Просмотры: 1,702
  • TDA2050.webp
    TDA2050.webp
    15.8 KB · Просмотры: 2,669
а что делать с питанием?!от чего его можно зацепить?!*выпаять этот мощный
резистор* и сделать перемычкe(тут теперь все яснО!)
 
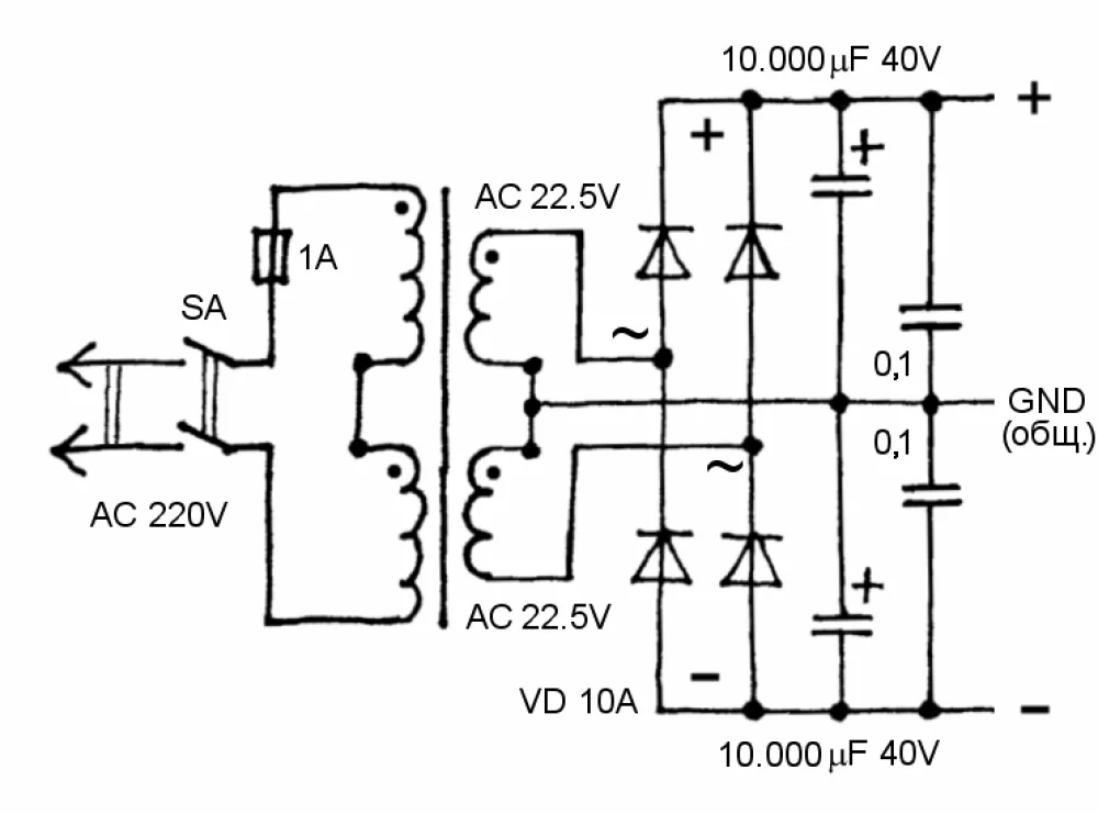
Юр,смотал 15 витков!*получилась напруга 22.5В *чего дальше?!
 
Замечательно получилось, надо схему рисовать, придется подождать ! ... :)
 
Вот БП для твоего TDA2050 ... :tehnari_ru_953: >>>

P.S. Мост 10А пойдет, но лучше поставить на 25А ... :)
 

Вложения

  • БП_7.webp
    БП_7.webp
    32.3 KB · Просмотры: 770
Ну кд 202ж 4 штуки я думаю нормально будет?!
 
Назад
Сверху