• Добро пожаловать на компьютерный форум Tehnari.ru. Здесь разбираемся с проблемами ПК и ноутбуков: Windows, драйверы, «железо», сборка и апгрейд, софт и безопасность. Форум работает много лет, сейчас он переехал на новый движок, но старые темы и аккаунты мы постарались сохранить максимально аккуратно.

    Форум не связан с магазинами и сервисами – мы ничего не продаём и не даём «рекламу под видом совета». Отвечают обычные участники и модераторы, которые следят за порядком и качеством подсказок.

    Если вы у нас впервые, загляните на страницу о форуме и правила – там коротко описано, как задать вопрос так, чтобы быстро получить ответ. Чтобы создавать темы и писать сообщения, сначала зарегистрируйтесь, а затем войдите под своим логином.

    Не знаете, с чего начать? Создайте тему с описанием проблемы – подскажем и при необходимости перенесём её в подходящий раздел.
    Задать вопрос Новые сообщения Как правильно спросить
    Если пришли по старой ссылке со старого Tehnari.ru – вы на нужном месте, просто продолжайте обсуждение.

Часы с термометром на ATmega8

  • Автор темы Автор темы Raver
  • Дата начала Дата начала
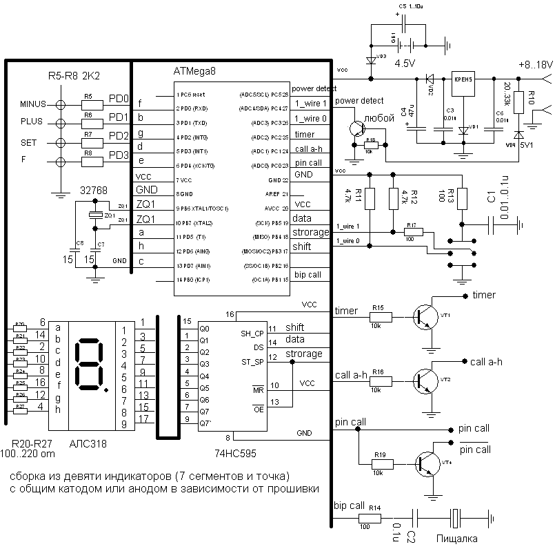
Используется точка, и подключается она к шестому выводу 74HC595 через резистор.
 
А в какую букву на плате часов?
 
Проследи от вывода микросхемы. Я платы даже и не видел.
 
У меня осталась свободно только гнездо с буквой h Это предпослендее если считая от общих выводов это оно?
 
Какое гнездо? Я же плату ни разу в глаза не видел. Но если "H", то возможно, что это именно оно и есть.
 
Валерий, вот плата часов у меня остался свободным вывод h туда нужно подключать RPD?
 

Вложения

  • UFTY.webp
    UFTY.webp
    126.9 KB · Просмотры: 1,342
Ну правильно, отверстие в плате с пометкой "h" как раз и идёт с шестого вывода регистра 74HC595.
 
А блок питания какой должен быть?
 
От семи и до двенадцати вольт и током около трёхсот миллиампер.
 
подойдел ли 12 V 0.4А?
 
Подойдет , а ты что сам не можешь посмотреть?
На нем 12 вольт и 0.4 ампера , тойсть 400 милиАмпер
 
Я перед тем как в санаторий уехать видел такой в магазине, не стал покупать. Вдруг не подойдет :(
 
Валерий вроде писал что нужен блок питания на 12 вольт и 300 mA?
 
Кто может на рисунке печатки нарисовать что куда надо подсоединять?
 
Я говорю об этом программаторе
 

Вложения

  • programmator.webp
    programmator.webp
    10.7 KB · Просмотры: 423
Господа, нужен ваш совет по поводу часиков.
какие есть аналоги регистра 74HC595?
Собираю такие же часики только с 9 разрядным индикатором не могу найти регистр:(
 

Вложения

  • shema.gif
    shema.gif
    21.7 KB · Просмотры: 5,442
Вот вариант на отечественной микросхеме прошивка и фьюзы.
 

Вложения

  • clock_t.zip
    clock_t.zip
    23.6 KB · Просмотры: 123
  • схема.webp
    схема.webp
    75.9 KB · Просмотры: 2,746
  • фьюзы.gif
    фьюзы.gif
    12 KB · Просмотры: 398
Валерий!
К555ИД10 это двоично десятичный дешифратор
А 74HC595 это 8ми битный сдвиговый регистр.
Так вот нужен аналог регистра!
Эта схема не верна!!!! с К555ИД10 работать не будет!
 
Назад
Сверху