• Добро пожаловать на компьютерный форум Tehnari.ru. Здесь разбираемся с проблемами ПК и ноутбуков: Windows, драйверы, «железо», сборка и апгрейд, софт и безопасность. Форум работает много лет, сейчас он переехал на новый движок, но старые темы и аккаунты мы постарались сохранить максимально аккуратно.

    Форум не связан с магазинами и сервисами – мы ничего не продаём и не даём «рекламу под видом совета». Отвечают обычные участники и модераторы, которые следят за порядком и качеством подсказок.

    Если вы у нас впервые, загляните на страницу о форуме и правила – там коротко описано, как задать вопрос так, чтобы быстро получить ответ. Чтобы создавать темы и писать сообщения, сначала зарегистрируйтесь, а затем войдите под своим логином.

    Не знаете, с чего начать? Создайте тему с описанием проблемы – подскажем и при необходимости перенесём её в подходящий раздел.
    Задать вопрос Новые сообщения Как правильно спросить
    Если пришли по старой ссылке со старого Tehnari.ru – вы на нужном месте, просто продолжайте обсуждение.

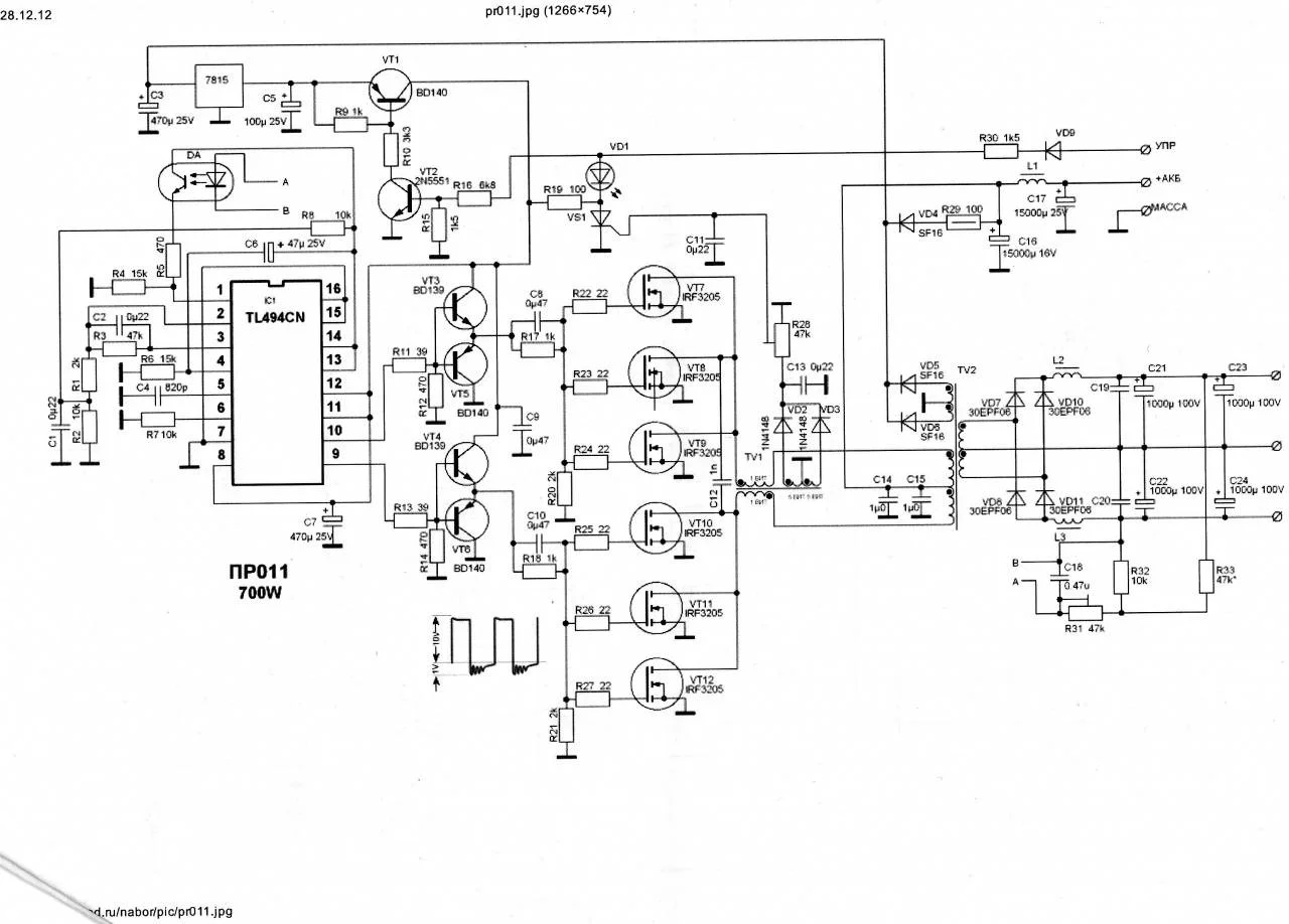
Импульсный блок питания на 400 ватт

а можно-ли это в схеме не использовать?
 

Вложения

  • img017.webp
    img017.webp
    91.9 KB · Просмотры: 8,345
Лучше использовать все.
 
а можно-ли это в схеме не использовать?
Эта схема не представляет интереса, при мимолетном рассмотрении, сразу возникло множество вопросов. Это скорее всего черновой набросок какого то разработчика, но при этом уже в схеме миллион ошибок. Как то, зачем в схеме преобразователя гарантированная обратная связь микросхемы по питанию. Зачем стабилизатор 7815, если в сети авто больше 14.5В не бывает, тем более через резистор 100 Ом и диод SF16, даже если на входе стабилизатора 7815 будет 15-16В он нормально работать не будет. Далее, на выходе два параллельных электролита, по 1000 мкФ, ну это вообще абсурд, почему не один, допустим 2200 мкФ и то при мощности и токах такого преобразователя - 700Вт, на выходе должно быть минимум 10.000 мкФ и т.д., дальше не буду рассматривать эту схему как основу для построения нормального преобразователя, тем более TL494 сложна в управлении ... :)
 
А что тогда посоветуешь,по моим пораметрам описанными выше? :tehnari_ru_837:tehnobanka
 
Вам этот усилок для каких целей, какой динамик будет раскачивать?!
 
Собирайте Посмотреть вложение Ланзар.rar и голову не марочайте, не себе не нам! При питании +/-50 Вольт на низах до такой степени растрясет авто, запаритесь обратно болты закручивать! Для него хватает этого Посмотреть вложение преобразователя.rar, по схеме Александра DDREDDa. Только вторичную обмотку намотайте не 7 витков, а 9. И будет вам дурдом на колесах!

вот фал печатной платы!

Вы узнавали стоимость ключей???
 
Собирайте Посмотреть вложение 115438 и голову не марочайте, не себе не нам! При питании +/-50 Вольт на низах до такой степени растрясет авто, запаритесь обратно болты закручивать! Для него хватает этого Посмотреть вложение 115439, по схеме Александра DDREDDa. Только вторичную обмотку намотайте не 7 витков, а 9. И будет вам дурдом на колесах!



Вы узнавали стоимость ключей???

BD-шки что-ли,12 р вроде на сайте заказывал.
 
Собрать на IR2153 с 4 x IRFZ44N. Транс намотать на +/- 50 вольт, и собрать на 3-х парах.



Надо сперва собрать весь преобразователь, а потом на трансе подгонять вольтаж.(методом увеличением или снижением количества витков.)

я думаю собрать БП на IR2153 c 6 x IRF3205
 
BD-шки что-ли,12 р вроде на сайте заказывал.

Я имел ввиду IRFP9240 и IRFP240. Которых вы воткнули 5 пар, куда вам 0.5 кВт в авто??? Хотя ладно... Вразумить я вас пытался что такой саб там не нужен! Всю роль НЧ в основном играет диаметр самого диня а не мощность усилителя.

П/С: Все то что вы соберете на 0.5 кВт на все катушку крутиться не будет, так как невыносима будет сидеть в салоне, и вся эта мощность будет тупа превращаться в тепло! Теперь буду просто следить за ходом работы...
 
Я имел ввиду IRFP9240 и IRFP240. Которых вы воткнули 5 пар, куда вам 0.5 кВт в авто??? Хотя ладно... Вразумить я вас пытался что такой саб там не нужен! Всю роль НЧ в основном играет диаметр самого диня а не мощность усилителя.

П/С: Все то что вы соберете на 0.5 кВт на все катушку крутиться не будет, так как невыносима будет сидеть в салоне, и вся эта мощность будет тупа превращаться в тепло! Теперь буду просто следить за ходом работы...

А понял IRFP9240 и IRFP240 я купил на сайте (KONTENT) помоему за 10 пар 990 р с доставкой вышло.
 
Я имел ввиду IRFP9240 и IRFP240. Которых вы воткнули 5 пар, куда вам 0.5 кВт в авто??? Хотя ладно... Вразумить я вас пытался что такой саб там не нужен! Всю роль НЧ в основном играет диаметр самого диня а не мощность усилителя.

П/С: Все то что вы соберете на 0.5 кВт на все катушку крутиться не будет, так как невыносима будет сидеть в салоне, и вся эта мощность будет тупа превращаться в тепло! Теперь буду просто следить за ходом работы...

я туда еще подстроечный резик для микрухи встроил.
 

Вложения

А зачем и те и те разом, это комплиментарная пара ? ... :)

Юрий, да это пары.

Что значит комплиментарная пара? могут работить по отдельности?

Термин - из радиоэлектроники. Так назывли два мощных биполярных транзистора имеющих разный тип проводимости (р-п-р и п-р-п), на которых строится выходной каскад усилителей мощности низкой частоты. Транзисторы должны быть как можно точнее подобраны по коэффициенту усиления и полосе пропускания для работы "в паре" друг с другом (представьте распиливание дров двуручной пилой - это примерная аналогия работы этих транзисторов). С этой целью раньше (а очень мощные и до сих пор) они выпускались совместно на одном производстве, имели одинаковые корпуса, в общем были похожи как родные братья. Теперь эти транзисторы чаще объединены на одном кристалле или подложке в одном корпусе.

Было найдено в гугле за 20 секунд!
 
хочу собрать вот этот БП. Первичка точно 2x12v? Дело в том что я разбирал сломанный безперебойник и там первичка на трансе 2x6v.
 

Вложения

  • img014.webp
    img014.webp
    87.6 KB · Просмотры: 540
Последнее редактирование:
Я собираю импульсный БП для автоусилителя.Диодщв стоящих на выходе (SF83) найти немогу, но есть диодный мост (D10XB80). могу ли я воткнуть его?:tehnari_ru_837:tehno015
 
Назад
Сверху