• Добро пожаловать на компьютерный форум Tehnari.ru. Здесь разбираемся с проблемами ПК и ноутбуков: Windows, драйверы, «железо», сборка и апгрейд, софт и безопасность. Форум работает много лет, сейчас он переехал на новый движок, но старые темы и аккаунты мы постарались сохранить максимально аккуратно.

    Форум не связан с магазинами и сервисами – мы ничего не продаём и не даём «рекламу под видом совета». Отвечают обычные участники и модераторы, которые следят за порядком и качеством подсказок.

    Если вы у нас впервые, загляните на страницу о форуме и правила – там коротко описано, как задать вопрос так, чтобы быстро получить ответ. Чтобы создавать темы и писать сообщения, сначала зарегистрируйтесь, а затем войдите под своим логином.

    Не знаете, с чего начать? Создайте тему с описанием проблемы – подскажем и при необходимости перенесём её в подходящий раздел.
    Задать вопрос Новые сообщения Как правильно спросить
    Если пришли по старой ссылке со старого Tehnari.ru – вы на нужном месте, просто продолжайте обсуждение.

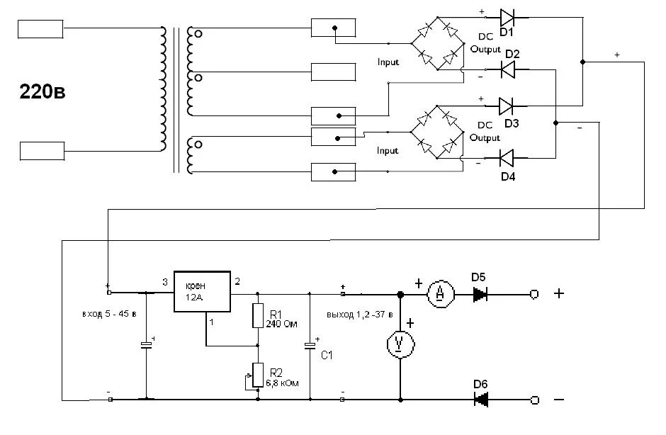
Лабораторный блок питания из UPSа

  • Автор темы Автор темы Weles
  • Дата начала Дата начала
Да Даня ты прав, у верхних слоев больше периметр ... :D
 
Хм, да, 30 витков это где то 6 метров вышло:D это где то 25 метров выходит:D Жееесть:D Так какая ёмкость кондёров нужна?
 
Нет, я для трансформатора сейчас спрашиваю, я же писал Юр, максимум 220в на 470мф, остальные меньше. Ну ещё много на 6.3в, но этого явно мало:D
 
Нет, я лабораторник хочу сделать, для усилка этот плохо подойдёт:D На усилок лучше тор.
 
Я имел в виду блок питания использовать для усилителя мощности?
Нет, просто регулируемый БП для поделок ... :D
Нет, я для трансформатора сейчас спрашиваю, я же писал Юр, максимум 220в на 470мф, остальные меньше. Ну ещё много на 6.3в, но этого явно мало
Влад, интересует какие у тебя 60В и больше 60В, список ПЖЛ ... :D
 
Юра я не могу список сделать, они закопаны:D Их надо ещё выпаивать, у меня где то был пакетик с ними но я его протерял, так что если 200в и 470мф хватит то напаяю, а вот если ёмкость маловата будет то схожу посмотрю сколько стоят правильные, потому и спрашиваю какая примерно нужна ёмкость, если на 50-60в?
 
Влад, стабилизация будет?
 
Ну естественно а как ты думал, я до этого выкладывал схемку.
 
Вот эта, да?
 

Вложения

  • 52330d1318532283-yhf.webp
    52330d1318532283-yhf.webp
    21.6 KB · Просмотры: 1,589
Да., только то что сверху ненадо, всё что после кондёра это оно, вот я и спрашиваю какой надо кондёр!!! он там ненаписан!!!
 
Если по ней, то я думаю 1000 - 2000 мкФ будет достаточно, тем более КРЕНка присутствует......
 
Понятно, чем больше тем лучше:D Просто не хотелось бы городить батарею:D
 
Вообще в справочнике написано что ёмкость входного конденсатора не менее 0.1 мкф..
 
Вот типовая схема включения:
 

Вложения

  • IMG0162A.webp
    IMG0162A.webp
    26.5 KB · Просмотры: 372
Назад
Сверху