• Добро пожаловать на компьютерный форум Tehnari.ru. Здесь разбираемся с проблемами ПК и ноутбуков: Windows, драйверы, «железо», сборка и апгрейд, софт и безопасность. Форум работает много лет, сейчас он переехал на новый движок, но старые темы и аккаунты мы постарались сохранить максимально аккуратно.

    Форум не связан с магазинами и сервисами – мы ничего не продаём и не даём «рекламу под видом совета». Отвечают обычные участники и модераторы, которые следят за порядком и качеством подсказок.

    Если вы у нас впервые, загляните на страницу о проекте, чтобы узнать больше. Чтобы создавать темы и писать сообщения, сначала зарегистрируйтесь, а затем войдите под своим логином.

    Не знаете, с чего начать? Создайте тему с описанием проблемы – подскажем и при необходимости перенесём её в подходящий раздел.
    Задать вопрос Новые сообщения Как правильно спросить
    Если пришли по ссылке со старого Tehnari.ru – вы на нужном месте, просто продолжайте обсуждение.

Ремонт усилителя "Радиотехника У-101-Стерео"

  • Автор темы Автор темы hookz
  • Дата начала Дата начала
Подскажыте мощность тора в усилителе-конструкторе Електроника-20.
 
Порядка 50-60 Вт, 2х25 В
 
Разве так может быть:мощность трансформатора 50-60вт,а качает он 2*20вт.при 8 омной нагрузке?
 
Вольтаж там +-33 вольта.
 
Переменное напряжение Us, после выпрямления достигнет значения sqrt(2)Us, c учётом падения на диодном мосте будет (1,41*25)-2=33 вольта
При КПД усилителя, порядка 0,7-0,8, и суммарной синусоидальной выходной мощности усилителя 40 ватт, получается мощность трансформатора порядка 50.
В некоторых модификациях этого усилителя выходная мощность была 10 ватт на 4 ом.
 
правильно ли ето:применив в двохполярном питании два диодных моста на много снижает помехи и фон на выходе?
 
поменял провода от трансформатора до питания и и предохранителей на более толстые стала защита включаться моментально вместе с сетью, а раньше была задержка пару секунд и потом щелчок, что за фигня может кто знает?
 
Провода не перепутал? Я позавчера чуть лмку не сжег так - благо охлаждение шло на нее и кристалл не успел нагреться. Тоже уходила в защиту при включении сразу. В плечо шло не 25-0-25, а 25-25-0, то есть влупил вдвое больше на одно плечо, второе без питания оставил. Проверь включение проводов сначала.
 
врядли провода перепутал усилитель работает нормально
 
Я тоже с полчаса ритуальный танец индейца танцевал, пока нашел причину. Проверь, всё же - спокойнее станет. От замены на более толстые ничего плохого не должно происходить - этим только делается более надежной передача тока, проблем быть не должно в этом случае. Пропайку проверь еще, почисть места пайки проводов - вобщем если до замены всё было айс, то проблема в новом включении. Больше ей быть тогда негде.
 
Уважаемые мастера. Подскажыте чем можно заменить кт 807: на более современный,
 
Кт817 можно впаять смело
 
Эти транзисторы КТ производятся или все еще с советских времен распродать не могут?)
 
Эти транзисторы КТ производятся или все еще с советских времен распродать не могут?)

некоторые все еще производятся, несмотря на наличие более качественных импортных аналогов.
 
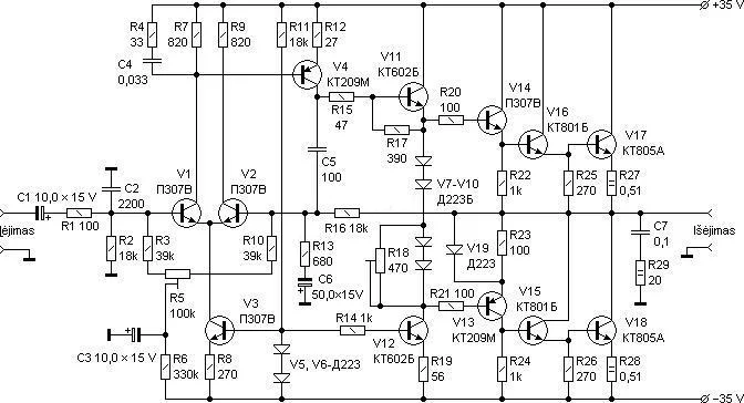
Доброго времени суток.Мастера,подскажыте по усилителю Шушунова:там питание +-35в.если его уменьшыть до +-25,он будет работать и какова будет мощность?
 
Помогите!!))) Намучался с усем. Читал на форуме, что надо проверить выходные транзисторы. Проверил. Нерабочие заменил. Посадил на теплопроводящую пасту. Все собрал. Сразу сгорели два резистора R41. Что мог сделать не так?
 
Дважды ИЗВИНЯЮСЬ.Усилитель действительно Шушурина,я ошыбся при написании.Вот схемка. schema шушурина.webp
 
Назад
Сверху