• Добро пожаловать на компьютерный форум Tehnari.ru. Здесь разбираемся с проблемами ПК и ноутбуков: Windows, драйверы, «железо», сборка и апгрейд, софт и безопасность. Форум работает много лет, сейчас он переехал на новый движок, но старые темы и аккаунты мы постарались сохранить максимально аккуратно.

    Форум не связан с магазинами и сервисами – мы ничего не продаём и не даём «рекламу под видом совета». Отвечают обычные участники и модераторы, которые следят за порядком и качеством подсказок.

    Если вы у нас впервые, загляните на страницу о проекте, чтобы узнать больше. Чтобы создавать темы и писать сообщения, сначала зарегистрируйтесь, а затем войдите под своим логином.

    Не знаете, с чего начать? Создайте тему с описанием проблемы – подскажем и при необходимости перенесём её в подходящий раздел.
    Задать вопрос Новые сообщения Как правильно спросить
    Если пришли по ссылке со старого Tehnari.ru – вы на нужном месте, просто продолжайте обсуждение.

TDA 7294

  • Автор темы Автор темы reflex
  • Дата начала Дата начала

Вложения

  • Схема 1.webp
    Схема 1.webp
    26.9 KB · Просмотры: 265
  • Схема 2.webp
    Схема 2.webp
    63.7 KB · Просмотры: 849
BH3; По мне так вот нормальная схема

а печатки нет?
 
Вот тебе и печатка для ЛУТ. Собирай.
 

Вложения

kosty; Вот тебе и печатка для ЛУТ. Собирай.


а нижняя че за такое???
 
а перечень деталей можно??
 
ВНЗ же выложил печатку посмотри там есть:)
 
Vadimka22; ВНЗ же выложил печатку посмотри там есть:)

я там ни чего не понял,и не понимаю))на сколько резисторы ват??ну и всякое такое..
 
Vadimka22; ВНЗ же выложил печатку посмотри там есть:)

я там ни чего не понял,и не понимаю))на сколько резисторы ват??ну и всякое такое..

Да резисторы тут мощные не нужны пойдут на 0.125 ватт
 
а переменый резистор какой??
 
вроде как разобрался
 
вот здесь 17 конденсаторов на печатке меньше насчитал...ни че ни понимаю...куда остальные??
 

Вложения

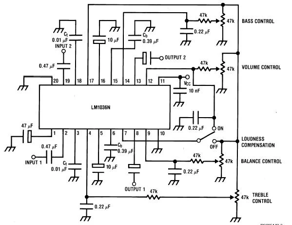
  • LM1036N.webp
    LM1036N.webp
    21.7 KB · Просмотры: 382
напишите , какие надо конденсаторы ??
 
помогитеееее)))))):tehnari_ru_837:
 
там же написано на схеме.

если у одного кондера квадратик полый внутри это обозначение электролита, если буквы Т прсто плоские то это бумажный(ну или керамика или пропилолпиленовый(как его люди ваще выговаривают).

тут же написан вольтаж то это электролит.
 
их там 17 а здесь где они 17??
 

Вложения

  • Схема 2.webp
    Схема 2.webp
    63.7 KB · Просмотры: 1,432
в кружках электролитические
в прямоугольниках плёночные или керамические(но лучше плёночные)
 
нет DTS это я понял..просто вот на этой схеме 17..да??
 

Вложения

  • LM1036N.webp
    LM1036N.webp
    21.7 KB · Просмотры: 1,175
а здесь где они 17???
 

Вложения

  • Схема 2.webp
    Схема 2.webp
    63.7 KB · Просмотры: 110
че я вобще че ли такой тупой или как)
 
ответит кто?
 
Назад
Сверху