если не хочется возиться с термисторами, то можно просто подключить вертушку через добав. сопротивление
Да чего там возиться то) нашел простую схему из тРанзистора, термистра и подстроечного резистра. Оформлю на одной плате с питанием для унч.
Смотрите видео ниже, чтобы узнать, как установить наш сайт в качестве веб-приложения на домашнем экране.
Примечание: Эта возможность может быть недоступна в некоторых браузерах.
Добро пожаловать на компьютерный форум Tehnari.ru. Здесь разбираемся с проблемами ПК и ноутбуков: Windows, драйверы, «железо», сборка и апгрейд, софт и безопасность. Форум работает много лет, сейчас он переехал на новый движок, но старые темы и аккаунты мы постарались сохранить максимально аккуратно.
Форум не связан с магазинами и сервисами – мы ничего не продаём и не даём «рекламу под видом совета». Отвечают обычные участники и модераторы, которые следят за порядком и качеством подсказок.
Если вы у нас впервые, загляните на страницу о проекте, чтобы узнать больше. Чтобы создавать темы и писать сообщения, сначала зарегистрируйтесь, а затем войдите под своим логином.
если не хочется возиться с термисторами, то можно просто подключить вертушку через добав. сопротивление
Смотрю тему, но так и не понял, установка вентилятора вызвана перегревом радиатора, или ставится ради шоб було?
Думаю, что для двух 93, моего радиатора будет мало. На практике еще не проверял
в ПК у меня куча вентилей, но чистота полнейшая)) тут меня не в чем упрекнуть:tehnari_ru_098:Внутрь ПК когда заглядывал?
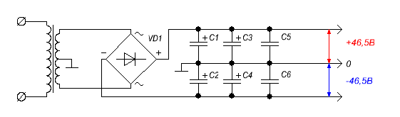
Действующее значение переменного напряжения на 6-8 и 7-8 у тебя около 33В. Конденсатор после моста заряжается почти до амплитудного значения, то есть между плечами будет 2х33х1.4=92.4В. Вычесть отсюда пару вольт падения на диодах моста, как раз твои 90В и получатся.
раз все подключено правильно, номиналы соблюдены,
Я этого не говорил. Я только ответил на вопрос почему 90В.
Я так и понял что ты намерил вообще не то, отсюда и 90В твоих. Напряжение меряется относительно земли. 44,6 это нормально (я просто написал то что по расчёту должно быть, не учитывая просадку на диодах) а как подключал БП? землю к земле отрицательное плечо к отрицательной клемме а положительное к положительной клемме в УНЧ? 44,5В для 7293 норма...нет, от + к -. а как на твоей картинке 44,6В в плече
землю к земле отрицательное плечо к отрицательной клемме а положительное к положительной клемме в УНЧ? 44,5В для 7293 норма...