- Регистрация
- 2 Ноя 2011
- Сообщения
- 7,309
- Реакции
- 631
- Баллы
- 113
С телефона подавал. Басов еще меньше. С двд тоже.
Какой вход усилителя ты используешь? Инвертируемый или нет? Чем регулируешь громкость?
Смотрите видео ниже, чтобы узнать, как установить наш сайт в качестве веб-приложения на домашнем экране.
Примечание: Эта возможность может быть недоступна в некоторых браузерах.
С телефона подавал. Басов еще меньше. С двд тоже.
Коэффициент усиления О\У ты задаёшь САМ, при помощи ООС!
Какой вход усилителя ты используешь? Инвертируемый или нет? Чем регулируешь громкость?
теперь боюсь прибавлять выше середины)
А что предпринять от щелчков и пуков?
Саня! А мы то как все рады! Молодец! А универсиада - это дело временное....Рад, все таки первая серьезная вещь.
ненапрасные усилия![]()
Аккуратно и правильно - это разные вещи.Неаккуратная сборка может испортить звук сильнее плохой схемы.
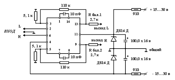
Пример здесь.
Не занимайся подменой понятий. Очевидно, что слово "грубейшее" было написано нарочно, для приукрашивания. Наиболее подходящая фраза "не влияющая". Удлинитель это часть корпуса, корпус заземлен на входе. По другому это называется ловля блох. Не надо искать нарушения там, где их нет.Это пример грубейшего нарушения элементарных требований.
Потому что пластик дешев. Не надо тыкать в советские конструкции как якобы эталонные.через пластиковый удлинитель.
Потому что пластик дешев. Не надо тыкать в советские конструкции как якобы эталонные.


Вообще то общепринятая практика, а не лично мое мнение. Делать проводники как можно короче. Перевод малосигнальных входных цепей на SMD детали.Просто выскажи свое мнение и все