А флюс не нужен ?
окунаешь его в флюс
В чем вопрос?мажешь флюсом дорожки
Смотрите видео ниже, чтобы узнать, как установить наш сайт в качестве веб-приложения на домашнем экране.
Примечание: Эта возможность может быть недоступна в некоторых браузерах.
Добро пожаловать на компьютерный форум Tehnari.ru. Здесь разбираемся с проблемами ПК и ноутбуков: Windows, драйверы, «железо», сборка и апгрейд, софт и безопасность. Форум работает много лет, сейчас он переехал на новый движок, но старые темы и аккаунты мы постарались сохранить максимально аккуратно.
Форум не связан с магазинами и сервисами – мы ничего не продаём и не даём «рекламу под видом совета». Отвечают обычные участники и модераторы, которые следят за порядком и качеством подсказок.
Если вы у нас впервые, загляните на страницу о форуме и правила – там коротко описано, как задать вопрос так, чтобы быстро получить ответ. Чтобы создавать темы и писать сообщения, сначала зарегистрируйтесь, а затем войдите под своим логином.
А флюс не нужен ?
окунаешь его в флюс
В чем вопрос?мажешь флюсом дорожки
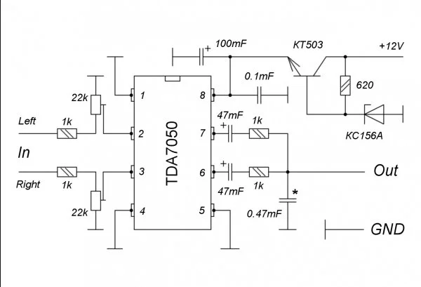
Стабилитрон (целостность, качество) можно проверить с помощью омметра как обычный диод. А правильность впайки. ИМХО катодом к плюсу источника питания, а анодом к минусу.Правильно ли я поставил стабилитрон
Ну это я так и сделал если верить маркировке.катодом к плюсу источника питания, а анодом к минусу.

Забыл сказать что до этого питал его от отдельного бп.Парни а скажите как мне сделать выпрямление тока для фильтра.
Все разобрался заработало все. Парни а скажите как мне сделать выпрямление тока для фильтра. На трансе я сделал дополнительную обмотку на 9 вольт переменки. Как мне просто через диодный мост пустить или потом ёмкость какую нибудь поставить?
Если сейчас на выходе 31В то все правильно должно быть правда 33В но не суть.на выходе диодного моста 31 В, а до этого на выходе блока после конденсаторов было 24 В, Транс у меня 2 по 24 вольта
Блин все собрал, все работает играет офигенно , но с фильтром НЧ фон сильный. я так понимаю что надо экранированный провод на вход фильтра и между фильтром и усилком?
А какой можно применить для этих целей? Ну в смысле где можно поискать (магазина радио товаров у меня поблизости нет ехать из за него смысла не вижу)
Ну про провод я какбы для уточнения спросилДред вот я удивляюсь, у вашим вопросе, уже есть ответ на него
А за эту подсказку спасибо такой провод наверно я найду.А вам надо купить микрофонный кабель
Я может конечно и ошибаюсь (хотя уверен что нет) но такого не может быть чтобы в этой схеме V1 и V2 показывали разные результаты.Я имел ввиду примерно следующее: