• Добро пожаловать на компьютерный форум Tehnari.ru. Здесь разбираемся с проблемами ПК и ноутбуков: Windows, драйверы, «железо», сборка и апгрейд, софт и безопасность. Форум работает много лет, сейчас он переехал на новый движок, но старые темы и аккаунты мы постарались сохранить максимально аккуратно.

    Форум не связан с магазинами и сервисами – мы ничего не продаём и не даём «рекламу под видом совета». Отвечают обычные участники и модераторы, которые следят за порядком и качеством подсказок.

    Если вы у нас впервые, загляните на страницу о проекте, чтобы узнать больше. Чтобы создавать темы и писать сообщения, сначала зарегистрируйтесь, а затем войдите под своим логином.

    Не знаете, с чего начать? Создайте тему с описанием проблемы – подскажем и при необходимости перенесём её в подходящий раздел.
    Задать вопрос Новые сообщения Как правильно спросить
    Если пришли по ссылке со старого Tehnari.ru – вы на нужном месте, просто продолжайте обсуждение.

Усилитель на 20-25 ватт

Может кто подкинет идею, как закрепить плату усилителя в корпусе?
 
Радиатор к корпусу прикрепи и все.
 
(Дима), ну и вопросики, или мы чёйто не поняли ???
Плату на винтовые стойки, задняя и боковые стенки радиатор ... :)
 
А где эти винтовые стойки можно взять?
 
а я еще слышал что можно ТДА2030А в мост. дайте схемку посмотреть
 
Вот схемка из даташита, смотрите:
 

Вложения

  • 2030мост.webp
    2030мост.webp
    20.4 KB · Просмотры: 2,336
+ и - питания, при двуполярном питании микросхемы.
 
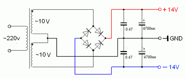
а что такое двуполярное питание?
 
Как думаете, стоит ли собирать усилитель на tda8571j?
 

Вложения

  • двупол_пит.webp
    двупол_пит.webp
    43.8 KB · Просмотры: 3,220
  • двупол_пит_2.GIF
    двупол_пит_2.GIF
    15.5 KB · Просмотры: 182
а собирал кто нибуть усил на tda 2030A мост, по печатке из даташита? она рабочая?
 
Хочу два таких усилителя засунуть в комп, внутри места много, но не знаю как закрепить трансформатор, ведь корпус компа это земля. Посоветуйте пожалуйста что нибудь
 
Доделываю корпус усилителя, осталась только переднюю панель сделать
 

Вложения

  • Фото0023.webp
    Фото0023.webp
    41.3 KB · Просмотры: 355
  • Фото0027.webp
    Фото0027.webp
    49.4 KB · Просмотры: 261
Вот, доделал сегодня корпус, завтра буду внутренности устанавливать...
 

Вложения

  • Фото0036.webp
    Фото0036.webp
    50.9 KB · Просмотры: 1,018
  • Фото0038.webp
    Фото0038.webp
    56.5 KB · Просмотры: 229
(Дима), хороший корпус, а можно внутреннею монтажку размещения обозреть ? ...
И еще ПЖЛ, если не влом, урезай картинки до 1200 пикселов, чтобы не
грузить сервер ... :tehnari_ru_953:
 
Хорошо, внутри пока только трансформатор, завтра если время будет все установлю и сфоткаю
 
Назад
Сверху