- Регистрация
- 1 Авг 2011
- Сообщения
- 12,161
- Реакции
- 363
- Баллы
- 83
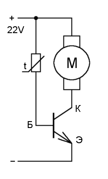
Даня какой там ток, при выводе движка на массу ? ...
Юрий, а от чего он может гореть? От зажигалки?
Скорей всего из-за пробитого перехода..
Смотрите видео ниже, чтобы узнать, как установить наш сайт в качестве веб-приложения на домашнем экране.
Примечание: Эта возможность может быть недоступна в некоторых браузерах.
Добро пожаловать на компьютерный форум Tehnari.ru. Здесь разбираемся с проблемами ПК и ноутбуков: Windows, драйверы, «железо», сборка и апгрейд, софт и безопасность. Форум работает много лет, сейчас он переехал на новый движок, но старые темы и аккаунты мы постарались сохранить максимально аккуратно.
Форум не связан с магазинами и сервисами – мы ничего не продаём и не даём «рекламу под видом совета». Отвечают обычные участники и модераторы, которые следят за порядком и качеством подсказок.
Если вы у нас впервые, загляните на страницу о форуме и правила – там коротко описано, как задать вопрос так, чтобы быстро получить ответ. Чтобы создавать темы и писать сообщения, сначала зарегистрируйтесь, а затем войдите под своим логином.
Даня какой там ток, при выводе движка на массу ? ...
Даня, я имел ввиду при правильно собранной схеме и целом транзисторе,Юрий, а от чего он может гореть? От зажигалки?
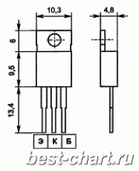
Влад 22В не на эмиттер, а на коллектор, эмиттер на кулер, база на бегунокна эмиттер 22в и один вывод термистора, на коллектор плюс кулера, на средний контакт подстроечника
Влад поставь подстроечник 47 кОм ...Переделал, на схему питание идёт, но на базу приходит 0-3в в зависимости от поворота подстроечника, на кулер идёт примерно 2в