- Регистрация
- 4 Мар 2013
- Сообщения
- 4,645
- Реакции
- 117
- Баллы
- 0
Проще каскодный стаб сделать
Смотрите видео ниже, чтобы узнать, как установить наш сайт в качестве веб-приложения на домашнем экране.
Примечание: Эта возможность может быть недоступна в некоторых браузерах.
Добро пожаловать на компьютерный форум Tehnari.ru. Здесь разбираемся с проблемами ПК и ноутбуков: Windows, драйверы, «железо», сборка и апгрейд, софт и безопасность. Форум работает много лет, сейчас он переехал на новый движок, но старые темы и аккаунты мы постарались сохранить максимально аккуратно.
Форум не связан с магазинами и сервисами – мы ничего не продаём и не даём «рекламу под видом совета». Отвечают обычные участники и модераторы, которые следят за порядком и качеством подсказок.
Если вы у нас впервые, загляните на страницу о форуме и правила – там коротко описано, как задать вопрос так, чтобы быстро получить ответ. Чтобы создавать темы и писать сообщения, сначала зарегистрируйтесь, а затем войдите под своим логином.
а вариант питания стаба от одной обмотки? Сделать электролитами исскуств. среднюю точку,и в итоге получаем двухполярку 15 вольт...обмотки вторички можно запараллелить.
Дык в чем вопрос, ёмкостной делитель как ты говоришь, двухполярный параметрический стабилизатор (всего два транзистора), рисовать схему 5 минут ?...Focus 016, я имел в виду стабилизатор для двухполярного питания. ТО есть как минимум 2 транзистора, +- 15 вольт думаю будет достаточно...
Ну это и так понятно, что питание будет двухполярное. Я принцип рассматриваю. А там пускай хоть будет трёхполярным.я имел в виду стабилизатор для двухполярного питания.
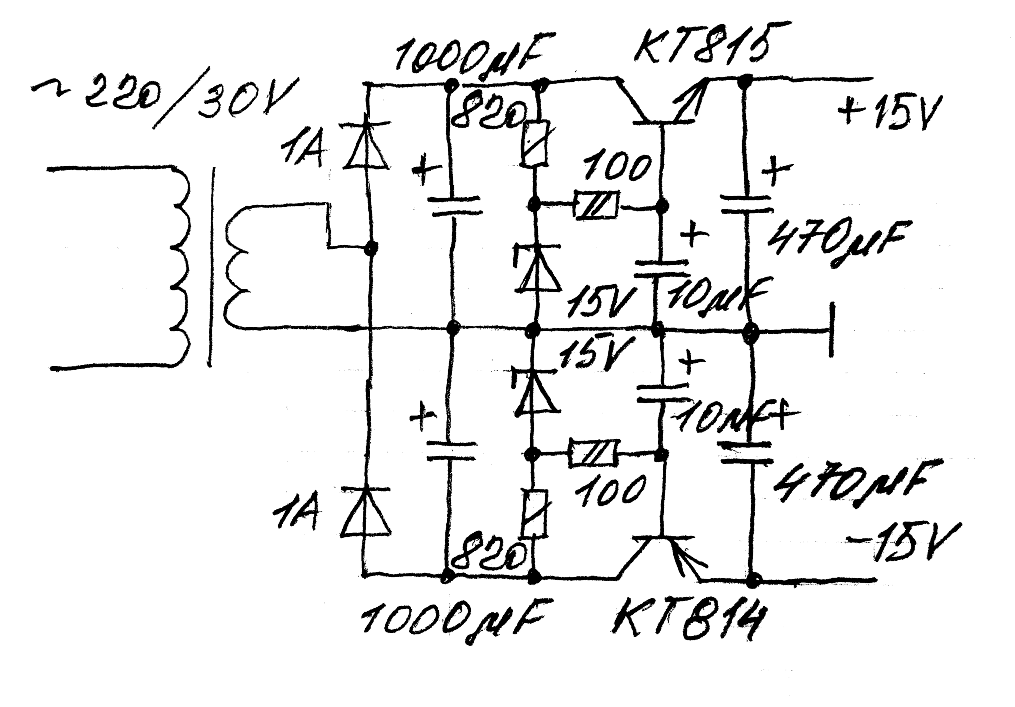
Ну 2 конечно же! Один по плюсу, другой по минусу питания. Вот к примеру отличный стаб от Арктура 006. Вместо одного стабилитрона поставь 2, и кондёры на нужное напряжение. Входные сглаживающие ёмкости не меньше 1.000 мкф.есть как минимум 2 транзистора
Юрик! Ну что ты не понял то!!! Это же я как пример привёл. Естественно нужно будет некоторые номиналы изменить, под конкретные нужды.Не понял,


Ты чё по моей схеме собрал и чё на выходе ?..
Маловата напруга на входе стабилизатора .домотка маленького тора до нужной напруги
Чёго цэ маловата, если ему два по 15 надо ?...Маловата напруга на входе стабилизатора