• Добро пожаловать на компьютерный форум Tehnari.ru. Здесь разбираемся с проблемами ПК и ноутбуков: Windows, драйверы, «железо», сборка и апгрейд, софт и безопасность. Форум работает много лет, сейчас он переехал на новый движок, но старые темы и аккаунты мы постарались сохранить максимально аккуратно.

    Форум не связан с магазинами и сервисами – мы ничего не продаём и не даём «рекламу под видом совета». Отвечают обычные участники и модераторы, которые следят за порядком и качеством подсказок.

    Если вы у нас впервые, загляните на страницу о проекте, чтобы узнать больше. Чтобы создавать темы и писать сообщения, сначала зарегистрируйтесь, а затем войдите под своим логином.

    Не знаете, с чего начать? Создайте тему с описанием проблемы – подскажем и при необходимости перенесём её в подходящий раздел.
    Задать вопрос Новые сообщения Как правильно спросить
    Если пришли по ссылке со старого Tehnari.ru – вы на нужном месте, просто продолжайте обсуждение.

Ремонт усилителя "Радиотехника У-101-Стерео"

  • Автор темы Автор темы hookz
  • Дата начала Дата начала
Посмотреть вложение 86551
Фото можете скинуть? (темброблока).

вот фото моего темброблока он не совподает с микросхемой там стояли вот такие два кондера к50-6 с плюсиками снизу значит наверно полярные? я их заментл на полярные jamicon, тонокомпенсацию и моно я выпаял что б немешало
 

Вложения

  • DSC00673.webp
    DSC00673.webp
    97.8 KB · Просмотры: 5,390
  • DSC00675.webp
    DSC00675.webp
    22.8 KB · Просмотры: 1,285
  • DSC00676.webp
    DSC00676.webp
    74.5 KB · Просмотры: 1,496
Последнее редактирование:
Похоже на вашем усилителе поздняя модель преда на одном ОУ
7101.webp
на схеме фильтр питания почему то не обозначен, но он есть как видите. Вы всё правильно сделали, только вот посоветую вам поставить не 5 мкф, а 100 мкф, для лучшей фильтрации, та, тут можно хоть 2000 если место позволит :) непомешает, не сигнальные ж цепи. На свой поставил 100.

Но , это не главное. Лучше б оконечниками занялись в первую очередь. "переберите" все электролиты (тут тоже самое, в фильтрах можно ставить 100 мкф, все остальные ИСКЛЮЧИТЕЛЬНО по номиналам, ибо - сигнальные цэпи) и поставьте новые Р41.
 
Похоже на вашем усилителе поздняя модель преда на одном ОУ
Посмотреть вложение 86575
на схеме фильтр питания почему то не обозначен, но он есть как видите. Вы всё правильно сделали, только вот посоветую вам поставить не 5 мкф, а 100 мкф, для лучшей фильтрации, та, тут можно хоть 2000 если место позволит :) непомешает, не сигнальные ж цепи. На свой поставил 100.

Но , это не главное. Лучше б оконечниками занялись в первую очередь. "переберите" все электролиты (тут тоже самое, в фильтрах можно ставить 100 мкф, все остальные ИСКЛЮЧИТЕЛЬНО по номиналам, ибо - сигнальные цэпи) и поставьте новые Р41.

на унч я поменял все кондеры на новые. Р41-это марка резисторов?
 
R41, С123, VD4, VT12, L34, T1 - примеры обозначения на принципиальных схемах радио элементов, соответственно списка резистор, конденсатор, диод, транзистор, катушка индуктивности, трансформатор.
R41 постоянный резистор марки МЛТ сопротивлением 2.7 ома и рассеиваемой мощностью 0.5 ватт.
 
R41, С123, VD4, VT12, L34, T1 - примеры обозначения на принципиальных схемах радио элементов, соответственно списка резистор, конденсатор, диод, транзистор, катушка индуктивности, трансформатор.
R41 постоянный резистор марки МЛТ сопротивлением 2.7 ома и рассеиваемой мощностью 0.5 ватт.

спасибо за разъяснение
 
Да незачто :) всегда рад помочь :)
 
недавно выбрасывал темброблок так мощность басов меньше в разы, пришлось поставить назад
 
купил на днях мультиметр мерил напряжение на темброблоке 2 раза закоротил провода питания аж заискрило один раз был щелчок наверно сработала плата защиты, после этого как то басы перестали быть глубокими хотя усилок работает в чем может быть дело и, что могло выйти из строя?
 
скорее всего спалил темброблок и пред усилитель. попробуй подать сигнал сразу на оконечные усилители (такой двух штырьковый разъём на плате)
 
темброблок вроде работает, регулируется звук ,нч, вч
 
резисторы р29 и р30 посхеме сопротивление 1к, замеряю тестером показывает 3.6 к это нормальное отклонение или они неисправны?
 
вот "откуда ноги ростут" :)
157ud2_1.gif
удачи
 
непорядок.
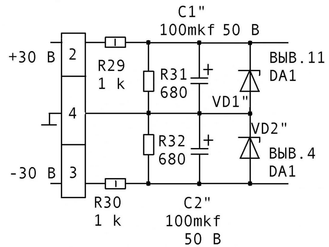
Если хочешь качественной работы преда , просто необходима вот такая минимальная стабилизация питания
пред с стабилизированым питанием.webp
подпаяй стабилитроны КС515А (стабилизация 15 вольт , как и нужно для ОУ) со стороны дорожек.
Удачи в ремонта :)
 
У него вариант с резистивным делителем,что ли?
 
да. А выше это просто минимальная доработка заводской схемы путём добавки стабилитронов. Электролиты на платах есть а вот на схеме их почему-то не обозначили.
 
непорядок.
Если хочешь качественной работы преда , просто необходима вот такая минимальная стабилизация питания
Посмотреть вложение 87139
подпаяй стабилитроны КС515А (стабилизация 15 вольт , как и нужно для ОУ) со стороны дорожек.
Удачи в ремонта :)

спасибо попробую
 
Всем привет!!!подскажите пожалуйста почему гудит блок в "Радиотехника у-101" и один канал после не долгого прослушивания тоже начинает издавать жуткий гул. Подскажите пожалуйста из за чего это может быть, и как с этим боротся? Заранее благодпрю.
 
Ремонт однако нужен. По результатам измерений и будет ответ. На выходе постоянка у дохлого канала есть?
 
Назад
Сверху