• Добро пожаловать на компьютерный форум Tehnari.ru. Здесь разбираемся с проблемами ПК и ноутбуков: Windows, драйверы, «железо», сборка и апгрейд, софт и безопасность. Форум работает много лет, сейчас он переехал на новый движок, но старые темы и аккаунты мы постарались сохранить максимально аккуратно.

    Форум не связан с магазинами и сервисами – мы ничего не продаём и не даём «рекламу под видом совета». Отвечают обычные участники и модераторы, которые следят за порядком и качеством подсказок.

    Если вы у нас впервые, загляните на страницу о форуме и правила – там коротко описано, как задать вопрос так, чтобы быстро получить ответ. Чтобы создавать темы и писать сообщения, сначала зарегистрируйтесь, а затем войдите под своим логином.

    Не знаете, с чего начать? Создайте тему с описанием проблемы – подскажем и при необходимости перенесём её в подходящий раздел.
    Задать вопрос Новые сообщения Как правильно спросить
    Если пришли по старой ссылке со старого Tehnari.ru – вы на нужном месте, просто продолжайте обсуждение.

УНЧ TDA1562Q - 70 ватт

  • Автор темы Автор темы TSKos
  • Дата начала Дата начала
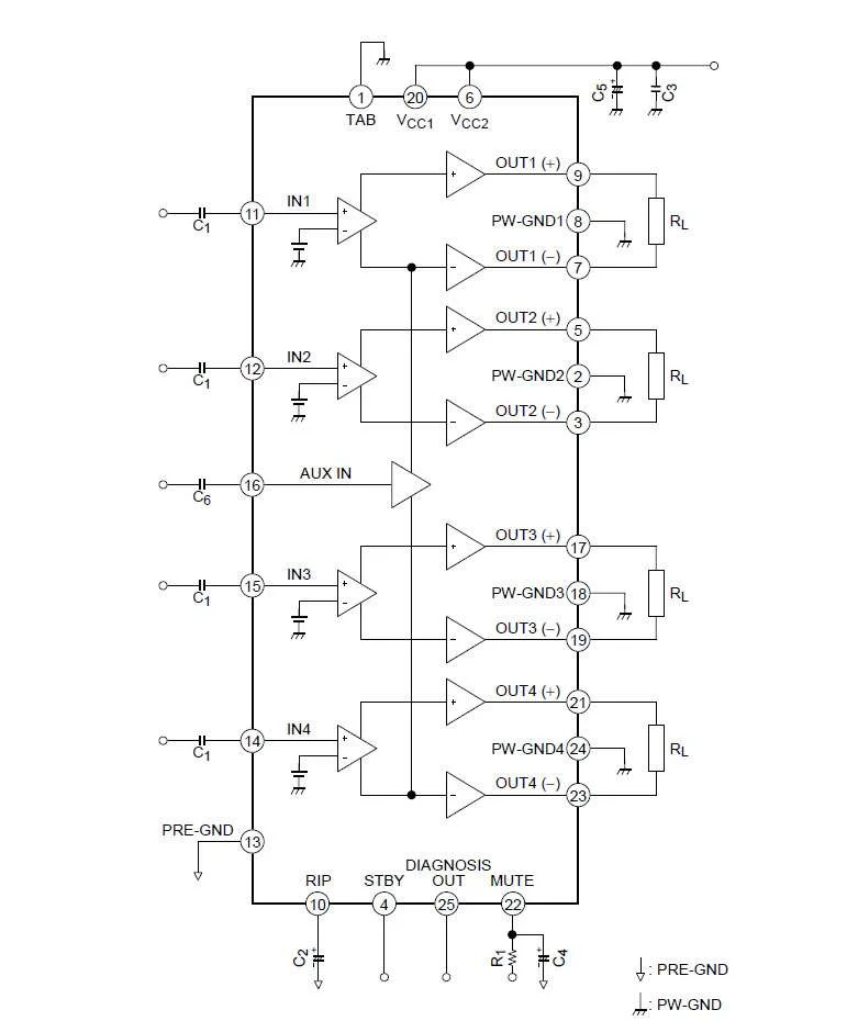
Эта микросхема стоит в твоей магнитоле?
 
да она самая TA8264AH
 
Можно перерезать дорожки идущие на вход и подать на них сигнал от внешнего источника. Но понадобится переключатель, регулятор громкости и панель с входными гнёздами.
 
У микросхемы четыре выхода, соответственно и четыре входа. Для использования всех выходов, входы надо будет объединять. Но самое правильное, посмотреть по схеме куда можно подключиться.
 
TSKos, а взять FM модулятор и слушать музыку с него - это не путь джедая?
 
конечно путь! Но это же не сравнится со стапетидесятью потраченых рубликов на усь на TDA 1558, а так 500+флеха! Ну конечно тоже вариант и не плохой, вот классно бы было чтоб FM модулятор можно было бы цеплять к усилку без магнитолы, да кстати кто знает возможно ли так сделать?
 
На них обычно есть линейный выход (выход на наушники). Вот к нему и цепляй.
 
Это не вход, а, как-раз таки, выход, можно подсоединять наушники (только не знаю какие), можно соединять с AUX входом магнитолы (если на магнитоле такой есть) и слушать музыку через неё, кстати тоже хороший вариант.
 
так что можно сделать из него плеер и подключать к усилителю?
 
получится или нет сделать плеер из fm модулятора?
 
Почему выход? вот к примеру " Плеер MP3 Digma ESM191A [MP3,WMA-плеер в прикуриватель/FM передатчик, USB] / Аудио-видео. Продажа в г. Братск " На строке аудиоисточник написао вход это что не так?

Блин, ты мня озадачил... Сколько китайских модуляторов я ни встречал - на всех был линейный выход и магнитолы играли через него довольно неплохо.
 
ну так что это выход или вход?
 
И правда везде пишут про линейный вход, но я не раз подключал его к AUX входу магнитолы и получал хороший звук:tehnari_ru_325: Как так?!
Причем это 100% работало и работает на 3-х разных модуляторах и магнитолах :))
 
И правда везде пишут про линейный вход, но я не раз подключал его к AUX входу магнитолы и получал хороший звук:tehnari_ru_325: Как так?!
Причем это 100% работало и работает на 3-х разных модуляторах и магнитолах :))
Т.е подключаешь наушники и слушаешь?
 
спросить надо у народа! Народ, не проходите мимо ответьте пожалуйста на вопрос (у кого есть или был FM модулятор) что это за линейный вход или выход и можно ли его использовать для сигнала усилителя ?
 
значит он работает как МР3 Плеер? а что за модулятор?
 
Назад
Сверху