Без кварца и конденсаторов при попытке прошить фьюзы отличные от заводских, программатор не будет видеть чип
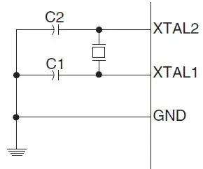
так а к каким ножкам нужно правильно подключить кварц и кондеры ?? схема есть???
И еще встречный. Я заказал с али атмега16 и атмега32 надеюсь что заводские настройки. То есть получаются фьюзы без кварца и кондеров 1 раз ставятся ????
вот по такому принципу нужно подключить , именно к этим ножкам микросхемы подключать???? какие лучше номиналы взять конденсаторов???
и на сколько мегагерц взять кварц ????


