• Добро пожаловать на компьютерный форум Tehnari.ru. Здесь разбираемся с проблемами ПК и ноутбуков: Windows, драйверы, «железо», сборка и апгрейд, софт и безопасность. Форум работает много лет, сейчас он переехал на новый движок, но старые темы и аккаунты мы постарались сохранить максимально аккуратно.

    Форум не связан с магазинами и сервисами – мы ничего не продаём и не даём «рекламу под видом совета». Отвечают обычные участники и модераторы, которые следят за порядком и качеством подсказок.

    Если вы у нас впервые, загляните на страницу о проекте, чтобы узнать больше. Чтобы создавать темы и писать сообщения, сначала зарегистрируйтесь, а затем войдите под своим логином.

    Не знаете, с чего начать? Создайте тему с описанием проблемы – подскажем и при необходимости перенесём её в подходящий раздел.
    Задать вопрос Новые сообщения Как правильно спросить
    Если пришли по ссылке со старого Tehnari.ru – вы на нужном месте, просто продолжайте обсуждение.

Усилитель Агеева

  • Автор темы Автор темы Sony
  • Дата начала Дата начала
Доделал бп. Больше не фонит, но звука все равно нет. Микросхема греется сильно.
 
В чем проблема то, народ?
 
косяки свои ищи. Ошибки.данная схема собранная без ошибок работает сразу.
 
А операционник мог сгореть из-за моих косяков? а то посмотрю, исправлю, а не работает.
 
А операционник мог сгореть из-за моих косяков? а то посмотрю, исправлю, а не работает.
Все возможно! Может он у тебя изначально неисправным был! Так же можно транзисторы перепроверить на всякий случай.
Микросхема греется сильно.
Проверь правильность включения микросхемы в схеме, может наоборот запаял. Как вариант, еще проверь стабилитроны, может не те поставил, и питание на микросхему пошло больше чем надо.
Вобще, при всех исправных деталях и правильной сборке. он должен был запуститься с полутыка.
 
Не судите за качество пайки. Никогда не умел паять платы.
 

Вложения

  • DSCF1340.webp
    DSCF1340.webp
    79.2 KB · Просмотры: 1,478
другая сторона
 

Вложения

  • DSCF1345.webp
    DSCF1345.webp
    123.9 KB · Просмотры: 1,764
И еще вот так.
 

Вложения

  • DSCF1341.webp
    DSCF1341.webp
    102.6 KB · Просмотры: 1,722
У меня кс518 заменены на д818. Они 9 вольтовые, поэтому по 2 последовательно.
 
У меня кс518 заменены на д818. Они 9 вольтовые, поэтому по 2 последовательно.
Ну с этим понятно! А вот Микросхема й тебя впаяна неправильно. Замок на корпусе напротив 1 ноги, а на плате она у тебя впаяна на место 8 ноги. И резистор рядом с микросхемой какой-то подгоревший
 

Вложения

  • DSCF1341.webp
    DSCF1341.webp
    18.6 KB · Просмотры: 500
Ага! Кажысь, стабилитроны у тебя тоже наоборот впаяны! Проверь!
 
Проверил, должно быть все верно. А почему резистор обведен?
 
Резистор рабочий. Черное - пятно краски.
 
А вот Микросхема й тебя впаяна неправильно. Замок на корпусе напротив 1 ноги, а на плате она у тебя впаяна на место 8 ноги.

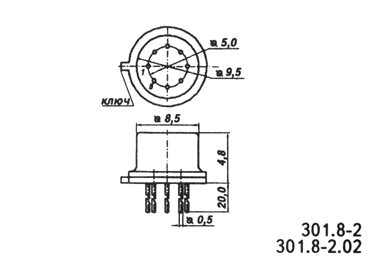
Я вот по этой картинке паял. У замка 8 нога. Или не верно?
 

Вложения

  • 97_1.gif
    97_1.gif
    7.5 KB · Просмотры: 1,508
Вот, другую нашел. Выходит, вы правы. А моя картиночка неверная.
 

Вложения

  • 301.8-2.gif
    301.8-2.gif
    14.2 KB · Просмотры: 411
Я когда смотрел, удивился. Думаю, у ключа же обычно первая. Ну, думаю, значит восьмая.
 
А могла ли она повредиться при моем включении?
 
А могла ли она повредиться при моем включении?
Скорее всего микросхеме конец, паяй новую. Обязательно ПРОВЕРЬ правильность включения стабилитронов! Они у тебя помоему наоборот стоят!
 
Назад
Сверху