• Добро пожаловать на компьютерный форум Tehnari.ru. Здесь разбираемся с проблемами ПК и ноутбуков: Windows, драйверы, «железо», сборка и апгрейд, софт и безопасность. Форум работает много лет, сейчас он переехал на новый движок, но старые темы и аккаунты мы постарались сохранить максимально аккуратно.

    Форум не связан с магазинами и сервисами – мы ничего не продаём и не даём «рекламу под видом совета». Отвечают обычные участники и модераторы, которые следят за порядком и качеством подсказок.

    Если вы у нас впервые, загляните на страницу о проекте и правила – там коротко описано, как задать вопрос так, чтобы быстро получить ответ. Чтобы создавать темы и писать сообщения, сначала зарегистрируйтесь, а затем войдите под своим логином.

    Не знаете, с чего начать? Создайте тему с описанием проблемы – подскажем и при необходимости перенесём её в подходящий раздел.
    Задать вопрос Новые сообщения Как правильно спросить
    Если пришли по старой ссылке со старого Tehnari.ru – вы на нужном месте, просто продолжайте обсуждение.

Усилитель Агеева

  • Автор темы Автор темы Sony
  • Дата начала Дата начала
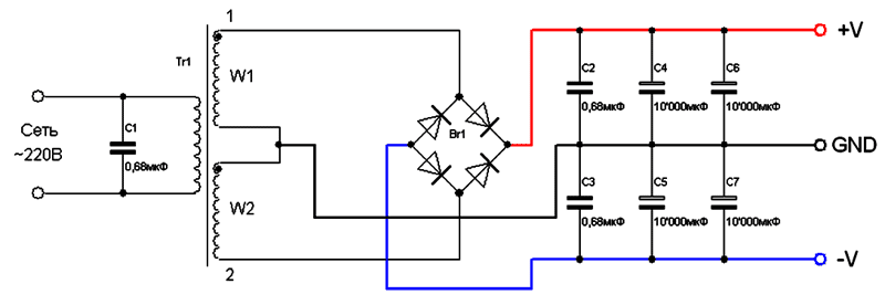
Вот нормальная схема БП
 

Вложения

  • bp.gif
    bp.gif
    14.4 KB · Просмотры: 1,038
вообще без кондеров. стоит с ними попробовать?
 
а насчет стабилитронов что скажете? пойдет моя замена?
 
С гулом разобрались. А музыки то не слышно сквозь гул. или так и должно быть?
 
Сначала поставь конденсаторы. Доведи БП до нормального вида :)
 
Ну ок. Как сделаю, так и поговорим. Простите за мою глупость в электронике :tehnari_ru_942:
 
т.е. даже с оос он превращается в генератор?
 
не нашел дома конденсаторов больше 500мкф. решил проверить так. но входной сигнал то должен усилиться и прослушиваться через гул.
Не будет работать,так как не будет плавать напруга.
офф Кто то тут мою плату усовершенствованного Филатовым усилителя с параллельным ВК давал,там моноблок .
 
Ну так чего! Заработал усилитель, или как?
 
У меня просто слов нет! Да как же он заработает, если там половины деталей не хватает? Зачем, в самом деле, нужны кондёры в блоке питания? Глупости какие. А если залить в бензобак Феррари компот.....Машина заведётся? А если с толкача? Хочешь, что бы заработал усилитель Агеева? Тогда и собирай его по схеме Агеева, ничего не выдумывая при этом! Я этот усилок собирал много раз, и не разу не было, что бы он не работал.
 
Андрей, я собирал все схемы Агеевского усилителя, и его доработанную версию Филатова и Мардера, из Радио 1986. Все они работали сразу после сборки, и не требовали никакой настройки. Иногда игрался с током покоя, доводя его до 300 ма. При такой неземной простоте , очень почётный звук. Что же касается усилителя Гумеля, то он поинтересней будут. Мне его звучание нравится больше. Но он требует тчательной настройки. Ну это ты и сам знаешь...
 
Андрей, я собирал все схемы Агеевского усилителя, и его доработанную версию Филатова и Мардера, из Радио 1986. Все они работали сразу после сборки, и не требовали никакой настройки. Иногда игрался с током покоя, доводя его до 300 ма. При такой неземной простоте , очень почётный звук. Что же касается усилителя Гумеля, то он поинтересней будут. Мне его звучание нравится больше. Но он требует тчательной настройки. Ну это ты и сам знаешь...
Я бы оспорил это утверждение. ОУ плюс буфер на параллельнике с токовым шунтом весьма впечатляет при своей простоте.
 
Назад
Сверху