• Добро пожаловать на компьютерный форум Tehnari.ru. Здесь разбираемся с проблемами ПК и ноутбуков: Windows, драйверы, «железо», сборка и апгрейд, софт и безопасность. Форум работает много лет, сейчас он переехал на новый движок, но старые темы и аккаунты мы постарались сохранить максимально аккуратно.

    Форум не связан с магазинами и сервисами – мы ничего не продаём и не даём «рекламу под видом совета». Отвечают обычные участники и модераторы, которые следят за порядком и качеством подсказок.

    Если вы у нас впервые, загляните на страницу о форуме и правила – там коротко описано, как задать вопрос так, чтобы быстро получить ответ. Чтобы создавать темы и писать сообщения, сначала зарегистрируйтесь, а затем войдите под своим логином.

    Не знаете, с чего начать? Создайте тему с описанием проблемы – подскажем и при необходимости перенесём её в подходящий раздел.
    Задать вопрос Новые сообщения Как правильно спросить
    Если пришли по старой ссылке со старого Tehnari.ru – вы на нужном месте, просто продолжайте обсуждение.

Усилитель для наушников на TDA 2003. "А" класс

Ситуация иная, когда напряжение на выходе усилителя стабилизировано относительно минуса питания. Но это не тот случай.
Андрей я про это же и говорю, трансформатор надо нормальный, а не ~7V, в данном случае электролиты сильно не спасут ... :)
 
Вот так выглядит график для 2003.

Ну хорошего там мало, тем более что график для стандартного включения. Автор наверное не от балды рекомендует питать через стабилизатор?


Андрей я про это же и говорю, трансформатор надо нормальный, а не ~7V, в данном случае электролиты сильно не спасут ...

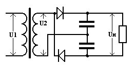
Учитывая сравнительно низкое потребление тока (40 мА на канал) вполне можно поставить выпрямитель по схеме удвоения напряжения

pow2_15udw.gif
 
Учитывая сравнительно низкое потребление тока (40 мА на канал) вполне можно поставить выпрямитель по схеме удвоения напряжения
Андрей конечно можно, не об этом разговор, нужен просто нормальный трансформатор, а не однополярный маломощный на ~7V, который помещается по высоте в коробку CD ... :)
 
Юр, у него вся проблема в недостаточном напряжении для работы стабилизатора, а не в мощности трансформатора. Поэтому идет фон (хотя некоторые тут пытаются рассказывать сказки что микросхема способна подавлять пульсации питания). Ну какая там мощность? 80 мА на 12 вольт, один ватт будет. Переделать выпрямитель и все заработает как часы.
 
Последнее редактирование:
Аззиоп, потрудитесь как ни будь на досуге, прочитайте хоть что ни будь из теории ОУ, а то все Ваши вопросы и утверждения как у двоечника ПэТэУшника.
По Вашему выходит, что вся аппаратура питающаяся от однополярного питания практически не работоспособна...
 
Аззиоп, потрудитесь как ни будь на досуге, прочитайте хоть что ни будь из теории ОУ, а то все Ваши вопросы и утверждения как у двоечника ПэТэУшника. По Вашему выходит, что вся аппаратура питающаяся от однополярного питания практически не работоспособна...

willow, во первых, не надо мне приписывать то, что я не говорил. А во вторых, думать хоть немного научись. Да простят меня модераторы, но ты даун конченный. Пациент жалуется на фон в наушниках когда нет стабилизации питания

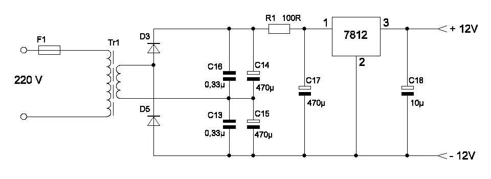
В общем так - усь гудит на всех ушах. На низкоомных он гудит сильно тише, потому я сперва подумал что звук чистый. Сегодня напряжение в сети ~230v и ничего не гудит - что высокоомные, что обычные. Промерил напряжение после моста - 7v. Перед 7812 - 13,9-14,4v (скачет туда-сюда). После 7812 - 11,95v ровно. Все измерял конечно при ~230v в сети. Надо будет перемерить при 200v. Первая мысль такая - при ~200v не хватает напряжения для нормальной работы 7812 - ей вообще надо 15v как минимум (по даташиту), а я её на 14 держу... А когда напряжение в сети падает, то она, поди, и вовсе перестаёт стабилизировать нормально.

Смотрим далее

Питание у усилителя однополярное. Без стабилизации будет фон. Либо ставить емкости неимоверного размера.

Нет ни какой взаимосвязи между этими утверждениями.

У человека фон прет при отсутствии стабилизации, а ты утверждаешь что этого не может быть. Ты даже на двоечника ПэТуУшника не тянешь.
 
В общем так - усь гудит на всех ушах. На низкоомных он гудит сильно тише, потому я сперва подумал что звук чистый. Сегодня напряжение в сети ~230v и ничего не гудит - что высокоомные, что обычные. Промерил напряжение после моста - 7v. Перед 7812 - 13,9-14,4v (скачет туда-сюда). После 7812 - 11,95v ровно. Все измерял конечно при ~230v в сети. Надо будет перемерить при 200v. Первая мысль такая - при ~200v не хватает напряжения для нормальной работы 7812 - ей вообще надо 15v как минимум (по даташиту), а я её на 14 держу... А когда напряжение в сети падает, то она, поди, и вовсе перестаёт стабилизировать нормально.


Вариант решения проблемы


Удвоение напряжения.webp


Выпрямитель удваивает питание, в итоге получим исходное напряжение около 30В. При необходимости, резистор R1 подбираем так, чтоб при максимальном сетевом напряжении на конденсаторе С17 напряжение было ниже предельно допустимого входного для 7812. Конденсаторы с номиналом 470µ можно увеличит, но делать более 1000µ смысла не имеет.
 
Хотелось бы разобраться в чём дело
А чего там разбираться ? Питанию в этой схеме нужно уделять внимание больше , чем самому усилителю! Да и не только в этой схеме. Хочешь что бы фона не было? Тогда найти нормальный транс с запасом по току и напряжению.
 
Всем привет! повторил данный усилок для наушников. Строго не судите. Осталось самое сложное загнать все это в нормальный корпус. Кстати звук очень не плохой для данной микросхемы.
 

Вложения

  • Общий вид.webp
    Общий вид.webp
    75.8 KB · Просмотры: 384
  • Усилок.webp
    Усилок.webp
    47.3 KB · Просмотры: 484
  • Входы выходы.webp
    Входы выходы.webp
    56.6 KB · Просмотры: 254
Выпрямитель удваивает питание, в итоге получим исходное напряжение около 30В.
Андрей, чёй-то мне подсказывает чутье, что при нагрузке упадет точно также, тем более, что введен последовательно резистор 100 Ом. Я конечно понимаю эту схему, в этой схеме единственный плюс, что нагрузка динамическая и при малых токах нагрузки обеспечивается нормальное напряжение для операционной схемы КРЕНки ... :)
 
Плата на 2 канала с блоком питания. Плату не проверял,случайно нашлась на компьютере
 

Вложения

Не дождешься от вас,проверено,мин нет
 

Вложения

  • DSC00028-1.gif
    DSC00028-1.gif
    95.3 KB · Просмотры: 2,859
  • DSC00029-1.gif
    DSC00029-1.gif
    91.5 KB · Просмотры: 239
Прикольненький))) Корпус обделывать будешь? Только не говори что карпетом)))
 
Прикольненький)))
Сам ржу сижу
Корпус обделывать будешь? Только не говори что карпетом)))
Это ребятишкам. Поверь,через немного времени они наклеют на него танки,супермены и прочую вражескую атрибутику :trio:
 
Ну хоть из баллончика покрась, шоб глянцево чёрный был, а там уже и обклеивать можно)))
 
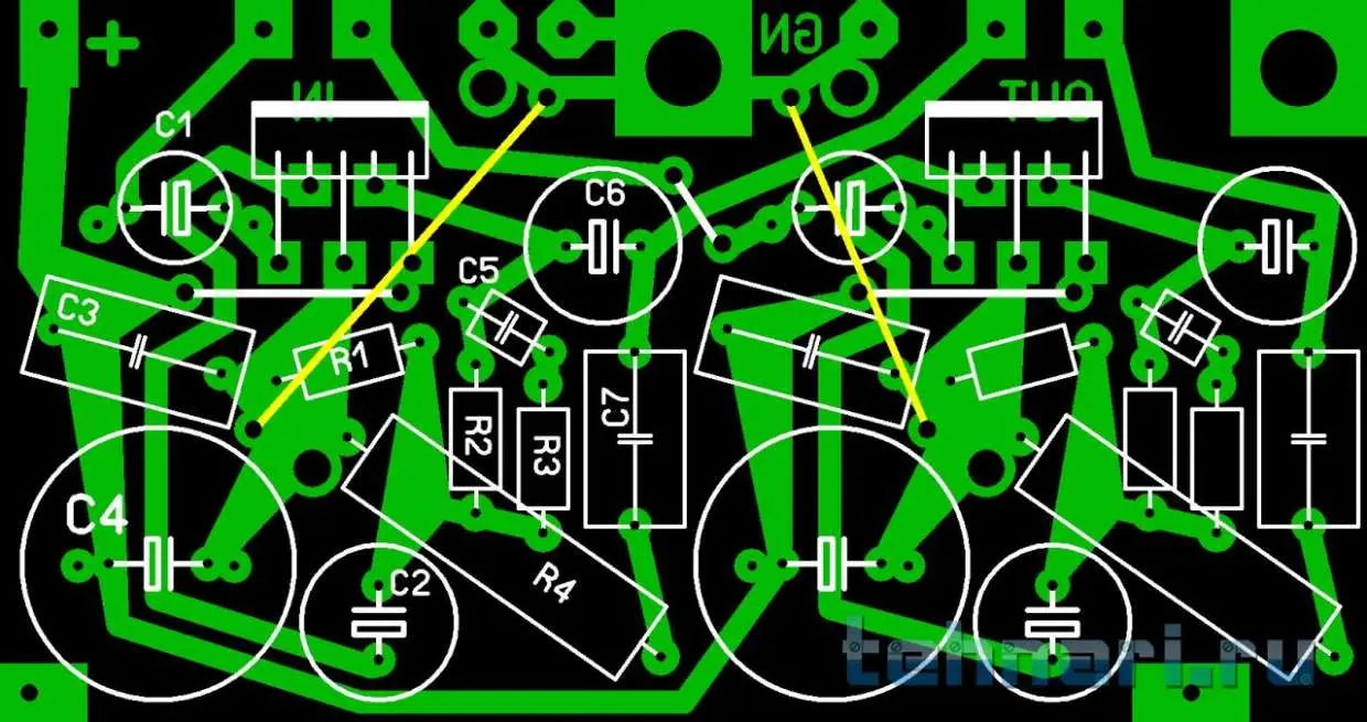
Всем привет! Наконец решился делать нормальный вариант этого усилителя и для начала развел плату в программе Sprint-layout. Делал это впервые в жизни и получилось вот так:
2003-2.webp
Желтые проводники — перемычки со стороны печати (я так решил землю в точку собрать), а R4 просто установлен чуть выше (он длинный и выводы у него тоже длинные).

Вот казалось бы всё правильно, но сам у себя нашел уже много ошибок и исправил. Но подозреваю, что не все.
Знающие товарищи, если не сложно, проверьте печать на предмет ошибок, а то у меня день ушел на проектирование и голова уже совсем не варит. А я пока кусок этого... фольгированого текстолита поищу.

Понимаю, можно было взять готовую печатку, но хотелось всё сделать самому, для получения опыта, так сказать...
 
...И возьми готовую проверенную схему с печаткой...
 
...И возьми готовую проверенную схему с печаткой...

Поздно. Моя уже работает :tehnari_ru_509::
PHOTO_20150226_121157_14-41-41.webp, PHOTO_20150226_140054_14-42-47.webp, PHOTO_20150226_135802_14-40-42.webp
Звук лучше чем у ранее сделанного навесным монтажом — детали качественнее, и те какие надо. Плюс научился к концу пайки всего этого хозяйства, собственно, паять. Перемычки что планировал со стороны печати, сделал многожильным со стороны деталей.

Такой вопрос - Будет ли качество звучания расти от ещё большего понижения коэффицента усиления? За КУ вроде отвечает R1?
 
Назад
Сверху