• Добро пожаловать на компьютерный форум Tehnari.ru. Здесь разбираемся с проблемами ПК и ноутбуков: Windows, драйверы, «железо», сборка и апгрейд, софт и безопасность. Форум работает много лет, сейчас он переехал на новый движок, но старые темы и аккаунты мы постарались сохранить максимально аккуратно.

    Форум не связан с магазинами и сервисами – мы ничего не продаём и не даём «рекламу под видом совета». Отвечают обычные участники и модераторы, которые следят за порядком и качеством подсказок.

    Если вы у нас впервые, загляните на страницу о проекте, чтобы узнать больше. Чтобы создавать темы и писать сообщения, сначала зарегистрируйтесь, а затем войдите под своим логином.

    Не знаете, с чего начать? Создайте тему с описанием проблемы – подскажем и при необходимости перенесём её в подходящий раздел.
    Задать вопрос Новые сообщения Как правильно спросить
    Если пришли по ссылке со старого Tehnari.ru – вы на нужном месте, просто продолжайте обсуждение.

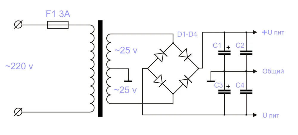
Усилитель мощностью 100 ватт на TDA7294

Здесь http://www.tehnari.ru/f132/t89181/index3.html#post924234 вы спрашивали "И зачем пленка на плате?", а теперь оказывается "качественная пленка нужна"... вы уж определитесь...
Вообщето внимательно читать надо.
.В самом блоке питания впринципе электролиты можно не шунтировать.Шунты на плате мощника обязаны быть
 
Так я в замешательстве. Плата усилителя меня не интересует, она кстати в пути уже... китовскую сборку купил. Меня интересует как раз С2, С4. Я так понимаю полярности нет у них!? Значит С2 и С4 можно оставить керамическими?
С1,С3, да, они по 22000mKF, но опять же их надо 2 штуки на канал, я взял 4, на 2 канала. Просто понять не могу почему хватит одного конденсатора, ведь на схеме указано 2 конденсатора : С1, С3 по 22000 mKF? На фотках кстати у людей пленочные стоят, а на сколько вольт нужно?
 
Так я в замешательстве. Плата усилителя меня не интересует, она кстати в пути уже... китовскую сборку купил. Меня интересует как раз С2, С4. Я так понимаю полярности нет у них!? Значит С2 и С4 можно оставить керамическими?
С1,С3, да, они по 22000mKF, но опять же их надо 2 штуки на канал, я взял 4, на 2 канала. Просто понять не могу почему хватит одного конденсатора, ведь на схеме указано 2 конденсатора : С1, С3 по 22000 mKF? На фотках кстати у людей пленочные стоят, а на сколько вольт нужно?
Да не ставь их,С2/С4 .их на плате мощника ставить лучше.
 
Плата мощника в готовом виде придет, китовская сборка. Я просто не хочу туда лезти паяльником, т.к навыки владения им очень слабые. Опять же в данной плате усилителя они вообще не предусмотрены.
 
Плата мощника в готовом виде придет, китовская сборка. Я просто не хочу туда лезти паяльником, т.к навыки владения им очень слабые. Опять же в данной плате усилителя они вообще не предусмотрены.
СМДкондеры как можно ближе к выводам камня напаяешь.емкостью до 0,01мк типоразмер 1206. И все
 
Блин сдается мне мы вообще о разном говорим. В описании блока питании указано что параллельно диода нужно впаять кондер 0.1mKF, далее после кондеров фильтра с1 и с3 идут по схеме конденсаторы С2, С4-это они и есть, которые нужно в параллель паять диодам
 
"Камень" -это сам чип тда7294? Говорю же к плате уся не хочу лести по любому накосячу.
 
Блин сдается мне мы вообще о разном говорим. В описании блока питании указано что параллельно диода нужно впаять кондер 0.1mKF, далее после кондеров фильтра с1 и с3 идут по схеме конденсаторы С2, С4-это они и есть, которые нужно в параллель паять диодам
схему давай
 
Вот схема.
 

Вложения

  • Безымянный.webp
    Безымянный.webp
    9 KB · Просмотры: 1,358
Дак вот она, в начале топика.
 

Вложения

  • 003.webp
    003.webp
    14.6 KB · Просмотры: 102
Ясно, но я же спать спокойно не буду если их в с схему не вмонстрячу. Тем более вы, тут такой холивар развели по поводу этих конденсаторов.
 
Вообщем нужно понять зачем эти кондеры в схеме и тогда все прояснится.
 
Ясно, но я же спать спокойно не буду если их в с схему не вмонстрячу. Тем более вы, тут такой холивар развели по поводу этих конденсаторов.
ничего я не разводил. Керамика ,точнее пьезокерамика зло .Стабильных групп хорошая вещь,нестабильных дерьмо.
 
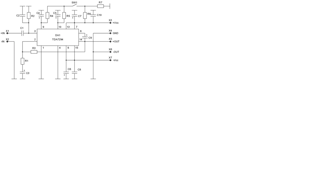
По поводу холивара я не имел ввиду конкретно вас, не берите все на свой счет! Извините если вас задел этим, знаю и понимаю как это все муторно объяснять, даже могу примерно представить ваши мысли ) Ладно, я куплю пленочные конедеры и на этом точка, вот блин велика проблема! Только подскажите пожалуйста на сколько номинал в вольтах их брать.. Блин ну и у поротый я. Набросал схематически... проверти плиз.
 

Вложения

  • IMG_0419.webp
    IMG_0419.webp
    47.7 KB · Просмотры: 2,437
Да не ставь и пленку в блоке питания.Смысла особого нет. Сейчас чем проще.тем лучше для вас.Вот у меня нет нихрена этих конденсаторов на выходе БП.Только снабберы стоят,но вам и их лучше не ставить.Не тот уровень сложности усилителя.да вместо мостов диоды шотки в корпусе ТО 247
 

Вложения

  • БП новый.webp
    БП новый.webp
    37.6 KB · Просмотры: 272
Лады, убедили упрямого человека. Спасибо за помощь. Теперь пошел в гугл искать софтину чтоб все это дело разнести на печатке.
 
Назад
Сверху