• Добро пожаловать на компьютерный форум Tehnari.ru. Здесь разбираемся с проблемами ПК и ноутбуков: Windows, драйверы, «железо», сборка и апгрейд, софт и безопасность. Форум работает много лет, сейчас он переехал на новый движок, но старые темы и аккаунты мы постарались сохранить максимально аккуратно.

    Форум не связан с магазинами и сервисами – мы ничего не продаём и не даём «рекламу под видом совета». Отвечают обычные участники и модераторы, которые следят за порядком и качеством подсказок.

    Если вы у нас впервые, загляните на страницу о форуме и правила – там коротко описано, как задать вопрос так, чтобы быстро получить ответ. Чтобы создавать темы и писать сообщения, сначала зарегистрируйтесь, а затем войдите под своим логином.

    Не знаете, с чего начать? Создайте тему с описанием проблемы – подскажем и при необходимости перенесём её в подходящий раздел.
    Задать вопрос Новые сообщения Как правильно спросить
    Если пришли по старой ссылке со старого Tehnari.ru – вы на нужном месте, просто продолжайте обсуждение.

Усилитель мощностью 100 ватт на TDA7294

С помехами по сетевому питанию бороться очень трудно. Нужен качественный фильтр питания, а лучше протянуть отдельный провод от входных клемм к розетке, от которой питается аудиотехника.
 
спасибо огромное за ответ!
 
С помехами по сетевому питанию бороться очень трудно. Нужен качественный фильтр питания, а лучше протянуть отдельный провод от входных клемм к розетке, от которой питается аудиотехника.


А если раздербанить сарый UPS и поставить его фильтры в усилитель???:)) (без батареи, конечно)... Он же как раз рержит на выходе 220В!!!:tehnari_ru_203:
 
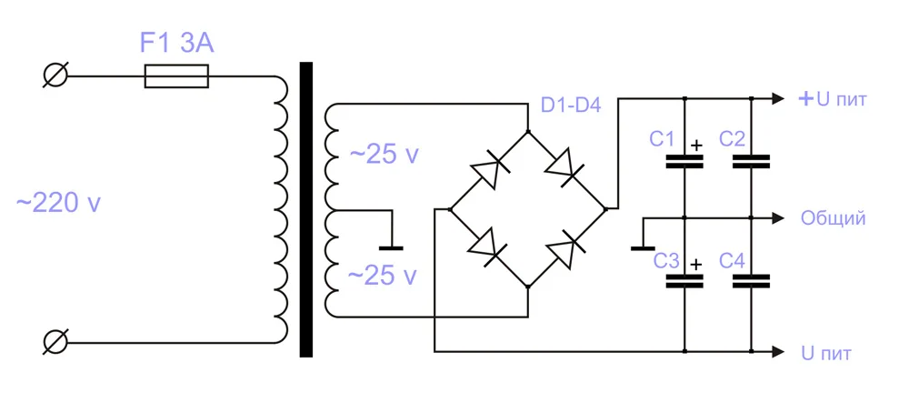
Хочу собрать уселитель по приведённой вами, Валерий, схеме. И у меня возник вопрос. Любопытство моё наверное лишнее. Но почему большинство схем на данной микросхеме построены с использованием на входе питания конденсаторов емкостью 10 000мкф. А в вашей схеме всего 22мкф. (Конденсаторы фильтра C1 и C3)
 
там 4 кондера, два их них на 22тысячи вроде бы, а два выполняют шунтирующую роль, поэтому такой емкости.
 
привет...извинете меня сразу за глупые вопросы, я начинающий радиолюбитель и не разу не собирал подобного, и вот решил испытать себя собрав данный усилок. Не могу понять вот если у меня колонки 4 ом то какие диоды все таки лучше брать?
Так же прочитал вашу статью http://www.tehnari.ru/f170/t46359/ У вас там стоять еще 2 платы (кроме платы с TDA7294) что это за платы и можно ли печатные схемки к ним?Или это какие то дополнения без которых можно обойтись?! :tehnari_ru_942:в различных программах пробывал рисовать, но пока не освоил их...
В статье так же написаны список Элементов
1. Микросхема TDA7294 (или TDA7293)
2. Резисторы мощностью 0.25 вата
R1 – 680 Om
R2, R3, R4 – 22 kOm
R5 – 10 kOm
R6 – 47 kOm
R7 – 15 kOm
3. Конденсатор плёночный, полипропиленовый:
C1 – 0.74 mkF
4. Конденсаторы электролитические:
C2, C3, C4 – 22 mkF 50 volt
C5 – 47 mkF 50 volt
5. Резистор переменный сдвоенный - 50 kOm

+ нужен диодный мостик и какие еще дополнительные детали нужны что бы собрать данный усилитель как у вас????
Еще раз извиняюсь за такие вопросы т.к. оч мало разбираюсь в этом...и есть желание во всем этом разобраться..
 
Я пока тоже не бог в этом, но некоторые моменты усвоил. По поводу плат: Одна плата это блок питания(на котором много конденсаторов) её обязательно, а вторая плата это кажется плата коммутации, можно обойтись и без ней. Ещё понадобится пара радиаторов и (самое к сожалению проблематичное для меня) трансоформатор. А на счёт программ для рисования плат, я пока осваиваю sprint layot, по мне дак простенькая и удобная программа, можно разобраться методом тыка.
 
Нужен диодный мост на 25 ампер и два конденсатора по 20.000 мкФ.
 
А где можно взять печатную схему Бп ??
 
Сам нарисуй, там же сама простота.
 
там 4 кондера, два их них на 22тысячи вроде бы, а два выполняют шунтирующую роль, поэтому такой емкости.
Извиняюсь.. Просто в описании написано с точкой :tehnari_ru_657:(22.000 mkF) Я и подумал, что 22. Теперь всё понятно. Спасибо
 
ну как я сам понял вот по этой
 

Вложения

  • 003.webp
    003.webp
    14.6 KB · Просмотры: 281
Ну значит я правильно понял))) А какие кондеры брать С1 С2 С3 С4...электролитические?
 
Ну С1 и С3 электролитические емкостью 22000 мкф, а С2 и С4 керамические ёмкостью 0.1мкф
 
Последнее редактирование:
Окей)) спасибо вам Большое))))
 
Валера скажите точный размер печатной платы пожалуста тоже захотелось сделать такой усь
 
дак какие всё таки брать Керамические или плёночные???)))
Да и какие лучше взять диоды для диодного моста???(на 25 А)
 
Назад
Сверху