Усилитель

  • Автор темы Автор темы bar7uk
  • Дата начала Дата начала
Тады микруха труп.
Это очень печально, на этот усилитель были очень большие надежды, и повторюсь эта МС не очень дёшево стоит. На будущее, чтобы знать, какие ваши версии выхода МС из строя?
 
20 - 25 грн. при этом 4х15 или 2х30Вт на канал.
 
А вообще, знаешь как я делаю. Иду на пункт приема металлолома (или туда где стоят автомобили битые или просто ненужные и которые идут под нож) и варварским способом вытягиваю магнитолы, динамики, и прочее что мне нужно и всё это отдают за спасибо =) А с магнитол вытягиваю МС и детали ( если нерабочая или морально устаревшая)...
 
Ещё вопрос. Где-то читал (уже не помню где) что при первом включении МС напряжение нужно подавать плавно от меньшего к большему, так ли это на самом деле и могло ли это стать причиной поломки моей МС ( хотя я на 100% не уверен что она сломана)?
 
при первом включении МС напряжение нужно подавать плавно от меньшего к большему, так ли это на самом деле и могло ли это стать причиной поломки моей МС
Нет.
хотя я на 100% не уверен что она сломана
Ещё раз - выпаять из платы, подать питание и померять выходы с закороченными входами.
 
могло ли это стать причиной поломки моей МС
напряжение питания большое было. я так понял у Вас усилитель запитан был от трансформатора 14в?а на кондерах получается 19.6в.14х1.4=19.6в
по даташиту у микрухи макс. 18в.
 
напряжение питания большое было. я так понял у Вас усилитель запитан был от трансформатора 14в?а на кондерах получается 19.6в.14х1.4=19.6в по даташиту у микрухи макс. 18в.
Сейчас ещё раз промерил, вообще у нас напряжение в сети скачет от времени суток, сейчас 9 часов утра, напряжение до диодного моста 13,7 в.,после моста 11,9 вольта. Максимум что я видел на этом трансе ночью было 15 вольт переменки.
 
А вообще я следовал вашим советам "12В переменки, а постоянки получится около 16В (это чтобы выжать из неё всё)."
 
Потому что переменное напряжение обозначается по его действующему значению. При этом амплитуда синусоиды в корень из 2 (1.41421.....) больше действующего значения. После диодного моста конденсаторы при отсутствии нагрузки заряжаются почти до значения амплитуды, значение меньше амплитудного на уровень падения напряжения на выпрямительных элементах (диодах).
 
Сейчас выпаял МС из печатки и подключил напрямую к АКБ с НЕЗАКОРОЧЕННЫМИ входами. Напряжение АКБ 12.5 вольт, напруга между 6 ногой и общим минусом=6,06 вольта, между 8й ногой и общим минусом 4,9 вольта, ощутимый нагрев радиатора МС.
 
Подключить между 6 и 8 какое сопротивление, желательно поближе к сопротивлению нагрузки, но не обязательно.
Что на 10 и 12?
ощутимый нагрев радиатора МС
Наверное кирдык всё таки МС. Но входы бы ещё закоротить - вдруг возбуждение какое. Входы кстати наверное надо объединить попарно если мост.
 
Не хватило терпения дождаться ваших ответов, подключил на вход МР3 один канал через кондёр 0,33мкф и питание напрямую с АКБ, колонку на 6 и 8ю ноги, ЗВУК ЕСТЬ, но очень очень тихий, пожалуйста ответьте что дальше? И радиатор не греется!
 
Почему же никто не хочет помочь?
 
Ну например потому, что нет обрывался. Вообще не стоит надеяться на мгновенный ответ. Некоторые ещё и на работе.
Если мы снимаем мостом с 6-8, то подавать надо на два входа. Было сделано так?
 
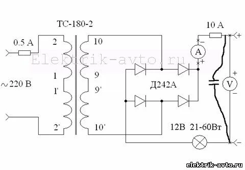
Ещё вопрос, я сделал зарядное для АКБ по этой схеме, можно ли как-то добавить регулировку выходного напряжения для лабораторных нужд?
 

Вложения

  • roshlshh78.webp
    roshlshh78.webp
    13.7 KB · Просмотры: 12,200
После моста поставить конденсатор большой ёмкости, и поставить простейший регулятор на паре транзисторов, 815 и 819 например. Переменный резистор на несколько кОм, с движка которого на базу транзистора. После транзисторов больших конденсаторов не ставить или добавить ещё диод.
Схем полно вообще.
 
Назад
Сверху