• Добро пожаловать на компьютерный форум Tehnari.ru. Здесь разбираемся с проблемами ПК и ноутбуков: Windows, драйверы, «железо», сборка и апгрейд, софт и безопасность. Форум работает много лет, сейчас он переехал на новый движок, но старые темы и аккаунты мы постарались сохранить максимально аккуратно.

    Форум не связан с магазинами и сервисами – мы ничего не продаём и не даём «рекламу под видом совета». Отвечают обычные участники и модераторы, которые следят за порядком и качеством подсказок.

    Если вы у нас впервые, загляните на страницу о проекте и правила – там коротко описано, как задать вопрос так, чтобы быстро получить ответ. Чтобы создавать темы и писать сообщения, сначала зарегистрируйтесь, а затем войдите под своим логином.

    Не знаете, с чего начать? Создайте тему с описанием проблемы – подскажем и при необходимости перенесём её в подходящий раздел.
    Задать вопрос Новые сообщения Как правильно спросить
    Если пришли по старой ссылке со старого Tehnari.ru – вы на нужном месте, просто продолжайте обсуждение.

Усилитель

  • Автор темы Автор темы bar7uk
  • Дата начала Дата начала
Сделал "так", тихий звук вообще пропал и сильный нагрев радиатора!
Подключаем динамик через конденсатор(!) к выходам и вторым концом на землю. И подаём сигнал поочерёдно на входа. Выявляем померший усилитель. Из четырёх наличных.
Предложите что-то конкретно на ваш взгляд самое оптимальное!
Если не требуется высокая стабильность, то и предложенного будет достаточно.
Можно сделать на LM317, будет стабилизированное и регулируемое. Схема не сложная. Можно умощнять тем же 819.
Есть варианты с мосфетом в качестве регулирующего элемента - это если есть кучка дохлой комп.техники.
 
Подключаем динамик через конденсатор(!) к выходам и вторым концом на землю. И подаём сигнал поочерёдно на входа. Выявляем померший усилитель. Из четырёх наличных.
Через какой конденсатор?
 
Через какой конденсатор?
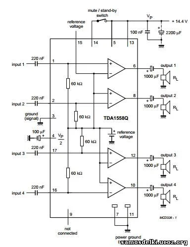
а вот такие.сравни схему включения в мостовом режиме и 4х канальном
 

Вложения

  • tda1558Q_2chann.webp
    tda1558Q_2chann.webp
    17.5 KB · Просмотры: 339
  • tda1558Q_4chann.webp
    tda1558Q_4chann.webp
    19.2 KB · Просмотры: 115
Ребят привет. У меня есть отличная новаторская идея , нужна помощь
 
мнеб с кем нибудь по телефону переговорить
 
Добрый вечер! Пробовал я с кондёром на выходе как говорилось выше, та же фигня, нагрев радиатора, еле еле шипение в колонке, и всё. Вообщем задолбала уже эта ТДА 1558, выброшу её, сил больше нет!
Сегодня купил ТДА 7377 и все детали к ней по схеме№2 взятой отсюда http://lib.chipdip.ru/238/DOC000238053.pdf
Первый вопрос, печатку делать в точности со схемой, изменять ничего не нужно?
Второй вопрос, куда "тулить" этот ST-BY. (Номиналы деталей куплены в соответствии со схемой)
 
резистор нужен 15кОм если питать будешь от 17-18В, а если от 14 то и 10кОм хватит.
А печатку делай такую как у дадашите.
выброшу её, сил больше нет
А вот этого делать не стоит, забрось её в сторонку.
 
Вообщем задолбала уже эта ТДА 1558, выброшу её, сил больше нет!
У меня такое было с 7294. Пока новую не поставил, усилок работать не хотел. Брак. Скорее всего и 1558 тоже с гнильцой. Бывает....
 
Вы не ответили? куда "тулить" ST-BY?
 
На плюс питания
 
Только не забудь подключить электролит на 10мкф плюсом до резистора а минус на минус питания. Это от щелчков при включении МС.
 
6180110900_1351102343.webp.....................
 
Что это вообще такое ST-BY?
 
Включение МС.
 
Назад
Сверху