• Добро пожаловать на компьютерный форум Tehnari.ru. Здесь разбираемся с проблемами ПК и ноутбуков: Windows, драйверы, «железо», сборка и апгрейд, софт и безопасность. Форум работает много лет, сейчас он переехал на новый движок, но старые темы и аккаунты мы постарались сохранить максимально аккуратно.

    Форум не связан с магазинами и сервисами – мы ничего не продаём и не даём «рекламу под видом совета». Отвечают обычные участники и модераторы, которые следят за порядком и качеством подсказок.

    Если вы у нас впервые, загляните на страницу о проекте, чтобы узнать больше. Чтобы создавать темы и писать сообщения, сначала зарегистрируйтесь, а затем войдите под своим логином.

    Не знаете, с чего начать? Создайте тему с описанием проблемы – подскажем и при необходимости перенесём её в подходящий раздел.
    Задать вопрос Новые сообщения Как правильно спросить
    Если пришли по ссылке со старого Tehnari.ru – вы на нужном месте, просто продолжайте обсуждение.

Авто преобразователь

  • Автор темы Автор темы TSKos
  • Дата начала Дата начала
Если убрать не нужные функции - стабилизация и усиление ,
схемка упрощается.

Эх я забыл один резик поставить между базой VT1 и коллектором VT2,
там 1 к нид поставить.

Я позже сделаю печатную плату по свободе, давно хотел такой девайс сделать ватт на 300.
На нем можно будет с 12-24 V получать требуемое.
как убрать и где? насколько схема упроститься?
 

Вложения

  • 111.webp
    111.webp
    49 KB · Просмотры: 1,176
Тогда так, но R7 должен быть мощным (ватт 10).
С8 подобрать, что бы не проскакивали "иголки" на вывод 9.
Стабилизацию, усиление и фильтры я убрал.
R1 и C1 задают частоту, примерно 33-37 кгц.
 

Вложения

  • 111.webp
    111.webp
    20.9 KB · Просмотры: 1,149
Давно не был и не зря сюда заглянул. Поржатьtehno012
Аффтар сего шедевра пущай не бьёт нижней челюстью об стол от неожиданного удивления. Особо позабавил резистивной датчик тока в пушпуле. Но не применяется это и по простой причине .
Соурс фета должОн жётко сидеть на «земле» драйвера.
Лень транс тока намотать, так есть другие простые способы держать под контролем ток ключей. К примеру, по падению напряжения на переходе фетов. В народе сей метод ходит под прозвищем «красные каракули».
Да и для начинающего лучше с ТЛ494 стартануть. С её «тормозными» ОУ проще печать развести, много ляпов простительно.
TSKos, попросите Winterskrim архивчиком поделиться, ему отправлял. Там, по моему, есть готовый проект ПН-а аудиоприменения Ватт на 300.
Если, что посмотрю у себя. Делал когда - то на «деревянных» 1405 для саба. С термичкой и «икающей» защитой. Полсотни Ватт снимал без напряга.
 
Давно не был и не зря сюда заглянул. Поржатьtehno012
Аффтар сего шедевра пущай не бьёт нижней челюстью об стол от неожиданного удивления. Особо позабавил резистивной датчик тока в пушпуле. Но не применяется это и по простой причине .
Соурс фета должОн жётко сидеть на «земле» драйвера.
Лень транс тока намотать, так есть другие простые способы держать под контролем ток ключей. К примеру, по падению напряжения на переходе фетов. В народе сей метод ходит под прозвищем «красные каракули».
Да и для начинающего лучше с ТЛ494 стартануть. С её «тормозными» ОУ проще печать развести, много ляпов простительно.
TSKos, попросите Winterskrim архивчиком поделиться, ему отправлял. Там, по моему, есть готовый проект ПН-а аудиоприменения Ватт на 300.
Если, что посмотрю у себя. Делал когда - то на «деревянных» 1405 для саба. С термичкой и «икающей» защитой. Полсотни Ватт снимал без напряга.
-тл494 я сибирал, теперь хочу покомпактнее чтоб плата была не такая большая как на тл494.
-что то я совсем не понял по поводу тока ключей для чего это?
-вообщем по такой схеме TDA 7293 на мах будет работать стабильно или нет?
 

Вложения

  • 111.webp
    111.webp
    46 KB · Просмотры: 1,102
Давно не был и не зря сюда заглянул. Поржатьtehno012
Аффтар сего шедевра пущай не бьёт нижней челюстью об стол от неожиданного удивления. Особо позабавил резистивной датчик тока в пушпуле. Но не применяется это и по простой причине .
Соурс фета должОн жётко сидеть на «земле» драйвера.
Лень транс тока намотать, так есть другие простые способы держать под контролем ток ключей. К примеру, по падению напряжения на переходе фетов. В народе сей метод ходит под прозвищем «красные каракули».
Да и для начинающего лучше с ТЛ494 стартануть. С её «тормозными» ОУ проще печать развести, много ляпов простительно.
TSKos, попросите Winterskrim архивчиком поделиться, ему отправлял. Там, по моему, есть готовый проект ПН-а аудиоприменения Ватт на 300.
Если, что посмотрю у себя. Делал когда - то на «деревянных» 1405 для саба. С термичкой и «икающей» защитой. Полсотни Ватт снимал без напряга.
500 ватт!? а с напрягом наверно все 700-800...
а что за схемка? и на чём?
 
Давно не был и не зря сюда заглянул. Поржатьtehno012
Аффтар сего шедевра пущай не бьёт нижней челюстью об стол от неожиданного удивления. Особо позабавил резистивной датчик тока в пушпуле. Но не применяется это и по простой причине .
Соурс фета должОн жётко сидеть на «земле» драйвера.
Лень транс тока намотать, так есть другие простые способы держать под контролем ток ключей. К примеру, по падению напряжения на переходе фетов. В народе сей метод ходит под прозвищем «красные каракули».
Да и для начинающего лучше с ТЛ494 стартануть.

Читатель "пособия по ремонту ATX", не имеющего своего мнения,
ты опять тут?
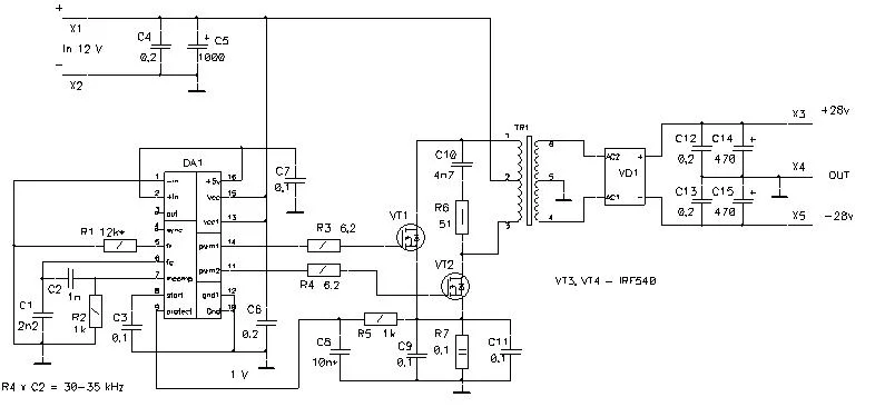
Эта схема успешно работает, производится серийно. Я сильно упростил
её, как просил топик стартер.
Прочти тему с начала. А то лепит тут "переходы фетов", "падение
напряжение на них"... Бред! Сам то хоть знаеш про что пишешь?
Потрудись pdf на UC3825 прочесть для начала.
 
Последнее редактирование:
По моему здесь начинает просматриваться пыль из под копыт, или мне показалось ?

yumar, не надо переходить на личности, это его дело что читать. Не будем нарушать правила! Я думаю этот вопрос закрыт ... :)
Эта схема успешно работает, производится серийно. Я сильно упростил
её, как просил топик стартер.
Именно какая схема имеется ввиду ? ... :)

P.S. Я кажется начинаю понимать какая схема, из поста 42, ну тогда Stvol, прав резистор в цепи истоков при таких токах, даже очень не есть хорошо ... :)
 
Ну он же сам начал...
Фразы от Stvol типа:
"Давно не был и не зря сюда заглянул. Поржать
Аффтар сего шедевра пущай не бьёт нижней челюстью об стол от неожиданного удивления" ...
Это порядочно?

А это вот - "К примеру, по падению напряжения на переходе фетов."
Разве не говорит о ...

На счёт резистора с истоках - классика, в оригинале его сопротивление
оч. мало, к тому же он за шунтирован конденсаторами,
и если прочесть всё что я писал, то можно найти - " составить их из нескольких меньших".

P.S.
Я не собираюсь терпеть нападки от этого типа, хочет вести диалог, так такими методами же.
 
Последнее редактирование:
Все понятно, я не чуть не защищаю Stvol, я просто просто говорю, что тема превращается во Флудильню! Буду разводить по углам, мне все ровно Stvol или yumar ... :)
 
P.S. Я кажется начинаю понимать какая схема, из поста 42, ну тогда Stvol, прав резистор в цепи истоков при таких токах, даже очень не есть хорошо ... :)

Если у кого то есть сомнения по поводу резистора в истоках,
смотрим сюда...
UC3825 datasheet pdf, UC3825 datasheets pdf, UC3825, UC3825.pdf, UC3825 pdf, datasheet4u.net

Его номинал ни как не грозит ни транзисторам ни микросхеме.
Можно конечно трансформатор тока вместо него, но его расчитать нужно и
изготовить.
А такой резистор-шунт на 10 А можно "выдрать" из сгоревшего
мультиметра китайского. Что проще? Просили же упростить, вот и упростил...tehno025
 
Можно конечно трансформатор тока вместо него, но его расчитать нужно и изготовить.
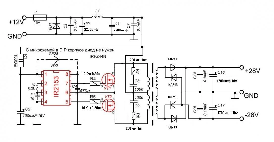
Вернулись к теме и хорошо ... Можно не только это, можно так же токовый калькулятор на стабилизаторе LM, но эти решения хороши для малоточных схем, мы же говорим о 10А цепях. Если говорить о самой простой схеме, то лучше IR2153 и два мосфета не придумать, это самое простое ... :)
 
Можно не только это, можно так же токовый калькулятор на стабилизаторе LM, но эти решения хороши для малоточных схем, мы же говорим о 10А цепях. Если говорить о самой простой схеме, то лучше IR2153 и два мосфета не придумать, это самое простое ... :)

Речь о том что бы сохранить простоту IR2153, и добавить защиту простыми
и доступными методами.
 
я вот думаю для нужна ли защита??? и что она из себя представляет?
 
При КЗ жизнь сохранится "как сохранение в игре". Установка на любителя, но желательно!
 
При КЗ жизнь сохранится "как сохранение в игре". Установка на любителя, но желательно!
жизнь транзисторов?
а какая схема защиты кто нить выложите а то я в душе не представляю что это?tehno015
 
По просьбам нуждающихся выкладываю :)

PS не знаю что точно нужно, поэтому все выложу, сами выберете надеюсь..
 

Вложения

жизнь транзисторов?
а какая схема защиты кто нить выложите а то я в душе не представляю что это?tehno015

Вот ё-маё, для кого я рисовал схему? Там есть защита транзисторов.
Я же всё пояснил вроде.
 
ну где зашита не понял из чего она состоит? если её поставить можно делать кз сколько захочется или нет:)
планирую сделать на IR2153
 
ну где зашита не понял из чего она состоит? если её поставить можно делать кз сколько захочется или нет:)
планирую сделать на IR2153
 
Назад
Сверху