• Добро пожаловать на компьютерный форум Tehnari.ru. Здесь разбираемся с проблемами ПК и ноутбуков: Windows, драйверы, «железо», сборка и апгрейд, софт и безопасность. Форум работает много лет, сейчас он переехал на новый движок, но старые темы и аккаунты мы постарались сохранить максимально аккуратно.

    Форум не связан с магазинами и сервисами – мы ничего не продаём и не даём «рекламу под видом совета». Отвечают обычные участники и модераторы, которые следят за порядком и качеством подсказок.

    Если вы у нас впервые, загляните на страницу о форуме и правила – там коротко описано, как задать вопрос так, чтобы быстро получить ответ. Чтобы создавать темы и писать сообщения, сначала зарегистрируйтесь, а затем войдите под своим логином.

    Не знаете, с чего начать? Создайте тему с описанием проблемы – подскажем и при необходимости перенесём её в подходящий раздел.
    Задать вопрос Новые сообщения Как правильно спросить
    Если пришли по старой ссылке со старого Tehnari.ru – вы на нужном месте, просто продолжайте обсуждение.

Фотореле

Вот 1 это я использовал такой фототранзистор, а 2 примерно такой фотодиод сейчас поставил и ничего не изменилось кстати у 2 нет полярности.
 

Вложения

  • DOC000153309[1].webp
    DOC000153309[1].webp
    7.7 KB · Просмотры: 610
  • DOC000266622[1].webp
    DOC000266622[1].webp
    792 байт · Просмотры: 738
Вот ты опять о своём. У тебя может быть ошибка в монтаже, по снимкам этого не увидеть. Но схема на сто процентов работоспособная, если она собрана из исправных элементов и без ошибок. Попробуй собрать навесным монтажом, так буде нагляднее.
 
А если я использовал резистор на 50, а не на 47 кОМ как на схеме эти 3 кОма могли повлиять на работу?
 
Нет, не могли, это же подстроечный резистор.
 
Валера, скажи а могу ли я использовать эту схему для автоматического отключения питания, ну скажем у меня работает прибор и тут внутри рабочей камеры возникает вспышка, фотоприемник реагирует на свечение и вырубает цепь, ну и скажем включает систему вытяжки.
Вопрос - могу ли я использовать те же детали что и в предложенной схеме, или мне придеться заменить пару тройку элементов?
 
Может и можно, вот только реагировать будет на любой свет.
 
Здравсвуйте, Валерий нужна ваша помощь, возможно ли КТ972 заменить на КТ961А? И еще вопрос, у меня из старой мышки у фотодиода 3 ножки, где там плюс а где минус?
 
Транзистор заменить можно. А по фотодиоду из мышки ничего сказать не могу. Надо пробовать.
 

Вложения

  • Фото0518.webp
    Фото0518.webp
    45.5 KB · Просмотры: 715
Да мне фотография не поможет. Надо подключать и пробовать.
 
вот подключение фотодиода с мышки.
 

Вложения

  • optika.gif
    optika.gif
    1.2 KB · Просмотры: 1,280
Подключаем или так.
 

Вложения

  • optical_05.gif
    optical_05.gif
    4.1 KB · Просмотры: 1,906
вот подключение фотодиода с мышки.

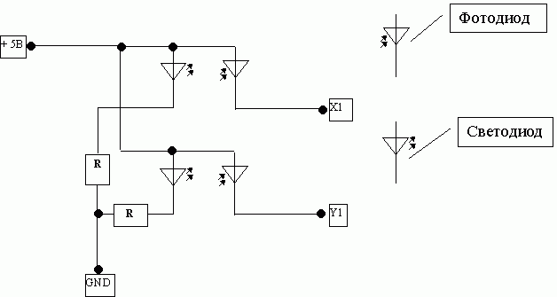
есть несколько вопросов, 1)можно ли этот фотодиод использовать в Фотореле? 2) третью ногу не трогать вообще? 3) можно подавать только 5) вольт? 6)что такое ось?
 
Помогите
 
есть несколько вопросов, 1)можно ли этот фотодиод использовать в Фотореле? 2) третью ногу не трогать вообще? 3) можно подавать только 5) вольт? 6)что такое ось?

1)можно ли этот фотодиод использовать в Фотореле? Да.
2) третью ногу не трогать вообще? Да Средняя ножка - общая (обычно коллектор), крайние - выводы датчиков.
3) можно подавать только 5) вольт? 5 вольт потому, что это в основном питание цифровых микросхем.
4)что такое ось? Ось это когда, фотодиод используется в качестве подключения к Геймпорту компютера. В данном случае я привел эту схему как один из возможных вариантов подключение.
 
Последнее редактирование:
1)можно ли этот фотодиод использовать в Фотореле? Да.
2) третью ногу не трогать вообще? Да Средняя ножка - общая (обычно коллектор), крайние - выводы датчиков.
3) можно подавать только 5) вольт? 5 вольт потому, что это в основном питание цифровых микросхем.
4)что такое ось? Ось это когда, фотодиод используется в качестве подключения к Геймпорту компютера. В данном случае я привел эту схему как один из возможных вариантов подключение.

получается чтобы собрать Фотореле по схеме Валерия нужно задействовать только первую и вторую ногу?
 
(Дима), можно толка надо правильно подключать (определить анод и катод).
 
(Дима) чтоб определить где у него анод/катод или эмитер/коллектор. Делается это просто. Берешь мультиметр, ставишь его в режим прозвонки диодов и цепляешься на свой датчик. Мультиметр в этом режиме показывает падение напряжения на диоде/транзисторе, а падение напряжения тут в основном зависит от его сопротивления U=I*R. Берешь и засвечиваешь датчик, следя за показаниями. Если число резко уменьшилось, значит ты угадал и красный провод у тебя на катоде/коллекторе, а черный на аноде/эмитторе. Если не изменилось, поменяй выводы местами.
 
Если нагрузка на транзистор - всёго лишь светодиод совсем не обязательно ставить такой мощный и большой транзистор достаточно с током коллектора до 100mA(кт315и т д), а лучше поставить ключевой типа DTA144E, DTA124E,T, DTC144E,124T
 
Назад
Сверху