• Добро пожаловать на компьютерный форум Tehnari.ru. Здесь разбираемся с проблемами ПК и ноутбуков: Windows, драйверы, «железо», сборка и апгрейд, софт и безопасность. Форум работает много лет, сейчас он переехал на новый движок, но старые темы и аккаунты мы постарались сохранить максимально аккуратно.

    Форум не связан с магазинами и сервисами – мы ничего не продаём и не даём «рекламу под видом совета». Отвечают обычные участники и модераторы, которые следят за порядком и качеством подсказок.

    Если вы у нас впервые, загляните на страницу о проекте, чтобы узнать больше. Чтобы создавать темы и писать сообщения, сначала зарегистрируйтесь, а затем войдите под своим логином.

    Не знаете, с чего начать? Создайте тему с описанием проблемы – подскажем и при необходимости перенесём её в подходящий раздел.
    Задать вопрос Новые сообщения Как правильно спросить
    Если пришли по ссылке со старого Tehnari.ru – вы на нужном месте, просто продолжайте обсуждение.

Шестиканальный усилитель с электронным управлением

Фотон , пиши в личку
 
Привет, всем!
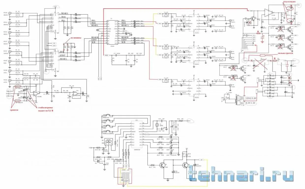
Посоветуйте пожалуйста. У меня акустика Defender H35 5.1.
перегрелись резисторы на питании, после чего система перестала включаться. заменил стабилизаторы 2 штуки 78L08 и 78L05.
вобщем добился запуска панели управления на SN8P2612P.
и вроде все хорошо, но вдруг выяснил, что на PT2258 короткое на 16 лапке - питания. До РТ-шки сигнал приходит, за РТ-шкой перемычкой уходит на усилок. Объясните пожалуйста как эту РТ-шку заменить, её вроде как прошивать надо, или можно просто воткнуть новую.
Спрашиваю потому что я только учусь подобному ремонту.
 

Вложения

  • Схема сабба БП-1.webp
    Схема сабба БП-1.webp
    53.7 KB · Просмотры: 369
Назад
Сверху