- Регистрация
- 4 Мар 2012
- Сообщения
- 4,903
- Реакции
- 151
- Баллы
- 63
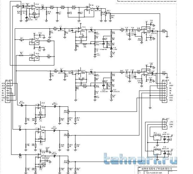
Парни,вот этот хорошо работает. Три собрал уже Простой предварительный усилитель с активной регулировкой тембра - Технический форум
Смотрите видео ниже, чтобы узнать, как установить наш сайт в качестве веб-приложения на домашнем экране.
Примечание: Эта возможность может быть недоступна в некоторых браузерах.
Добро пожаловать на компьютерный форум Tehnari.ru. Здесь разбираемся с проблемами ПК и ноутбуков: Windows, драйверы, «железо», сборка и апгрейд, софт и безопасность. Форум работает много лет, сейчас он переехал на новый движок, но старые темы и аккаунты мы постарались сохранить максимально аккуратно.
Форум не связан с магазинами и сервисами – мы ничего не продаём и не даём «рекламу под видом совета». Отвечают обычные участники и модераторы, которые следят за порядком и качеством подсказок.
Если вы у нас впервые, загляните на страницу о проекте, чтобы узнать больше. Чтобы создавать темы и писать сообщения, сначала зарегистрируйтесь, а затем войдите под своим логином.
Это пассивный на последней картинке. Надо какой? Если с регулировкой СЧ,можно взять схемку какого-нибудь эквалайзера и ненужные частоты выкидываем к бабайке.
И кто таки попробовал эту штуку? На ебее сейчас распродажа. Думаю, взять или нет. Не могу найти внятного описания: эта штуковина входы умеет коммутировать? Регулировка громкости раздельная по каналам?New 6CH Remote Motor Alps Volume Potentiometer Control Adjust 20K 6 w Remote | eBay



средних частот убрал?Центральный регулятор убрал -вернулся к классике
Стесняюсь спросить, это о чём ?Продай генератор