Смотрите видео ниже, чтобы узнать, как установить наш сайт в качестве веб-приложения на домашнем экране.
Примечание: Эта возможность может быть недоступна в некоторых браузерах.
Добро пожаловать на компьютерный форум Tehnari.ru. Здесь разбираемся с проблемами ПК и ноутбуков: Windows, драйверы, «железо», сборка и апгрейд, софт и безопасность. Форум работает много лет, сейчас он переехал на новый движок, но старые темы и аккаунты мы постарались сохранить максимально аккуратно.
Форум не связан с магазинами и сервисами – мы ничего не продаём и не даём «рекламу под видом совета». Отвечают обычные участники и модераторы, которые следят за порядком и качеством подсказок.
Если вы у нас впервые, загляните на страницу о проекте, чтобы узнать больше. Чтобы создавать темы и писать сообщения, сначала зарегистрируйтесь, а затем войдите под своим логином.
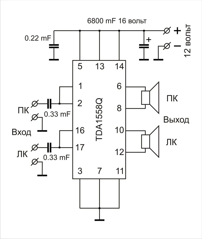
Не диодный мост не надо, один диод, я указал выше какой искать ...Значит так: диодный мост
По даташиту не соединяются, и не рекомендуют, для уменьшения помех ...почему это сигнальная земля с общей не соединяются, как раз таки соединяются
я один раз не соединил у меня МС чуть в потолок не улетела
Фильтр ставится, где электролит и все ...А фильтра питания?
Нет не так, не спеши, просто я на Нетике, без мыши, рисовать нечем ...Фильтр состоит из двух керамических конденсаторов 0.1мф которые цепляются паралельно электролиту , и феритовое кольцо тоже паралельно электролиту и еще поставить 1 диод тоже паралельно электролиту но до него , я правильно понял?
Да почти так, только диод первый, потом еще один кондер 0.1 мкФ, потом дроссель, а дальше как у тебя ...вот нарисовал схему фильтра, теперь понятно?