Смотрите видео ниже, чтобы узнать, как установить наш сайт в качестве веб-приложения на домашнем экране.
Примечание: Эта возможность может быть недоступна в некоторых браузерах.
А если организовать питание от АКБ , это ведь будет наверное идеальным источником тока для усилителя?
Понятно, спасибо.для звука неприемлем.
Понятно, спасибо.
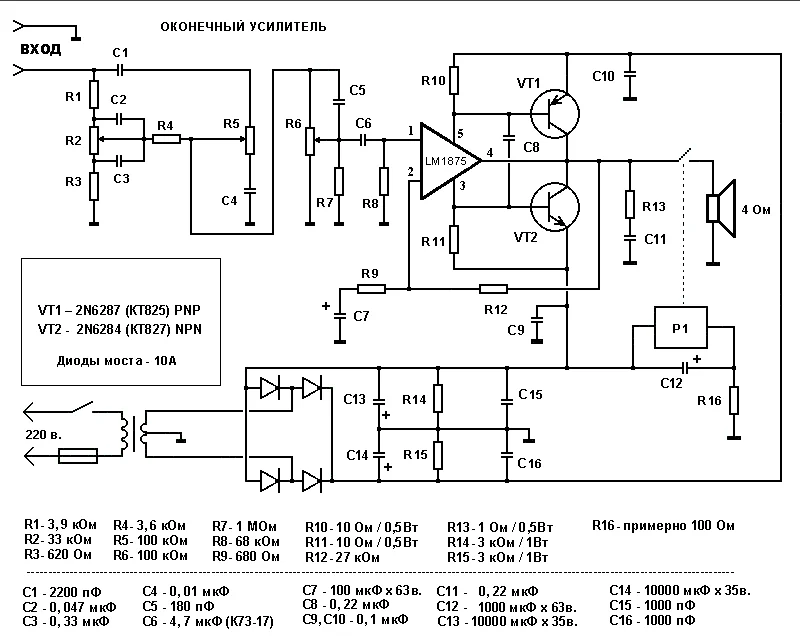
Щелчок только неприятный звуковой эффект добавляет или несет какую то опасность для наушников? Подскажи еще пожалуйста номинал резистора как подобрать?Обезопасить наушники от щелчка можно установкой реле задержки включения выхода и добавлением резистора между массой и минусовым выводом выходного конденсатора.
Щелчок только неприятный звуковой эффект добавляет или несет какую то опасность для наушников?
не должно не как отражаться...просто этот "щелчек" от тоо что дал питание на усилитель и или наоборот его выключил...
у меня вот резисторы стоят в БП,щелчка при включении нет,а при выключении он есть и тока в правом канале...почему так? ИМС TDA2050 схема СКИФа...

Масса это минус усилителя?между массой и минусовым выводом выходного конденсатора.
Масса это минус усилителя?
Я тут это, для разрядки конденсаторов в блоке питания припаял параллельно резистор 47 Ом 5W, он раскаляется быстро, это нормально?
Если вдруг кому то понадобится для стабилизатора. Попробовал вот сам нарисовать впервые печатку . Спаял, проверил все вроде бы работает.
Извиняюсь я думал это масса)?Выходные конденсаторы прилеплены параллельно резистору 240 ом, а должны устанавливаться между массой и выходом